GM Service Manual Online
For 1990-2009 cars only

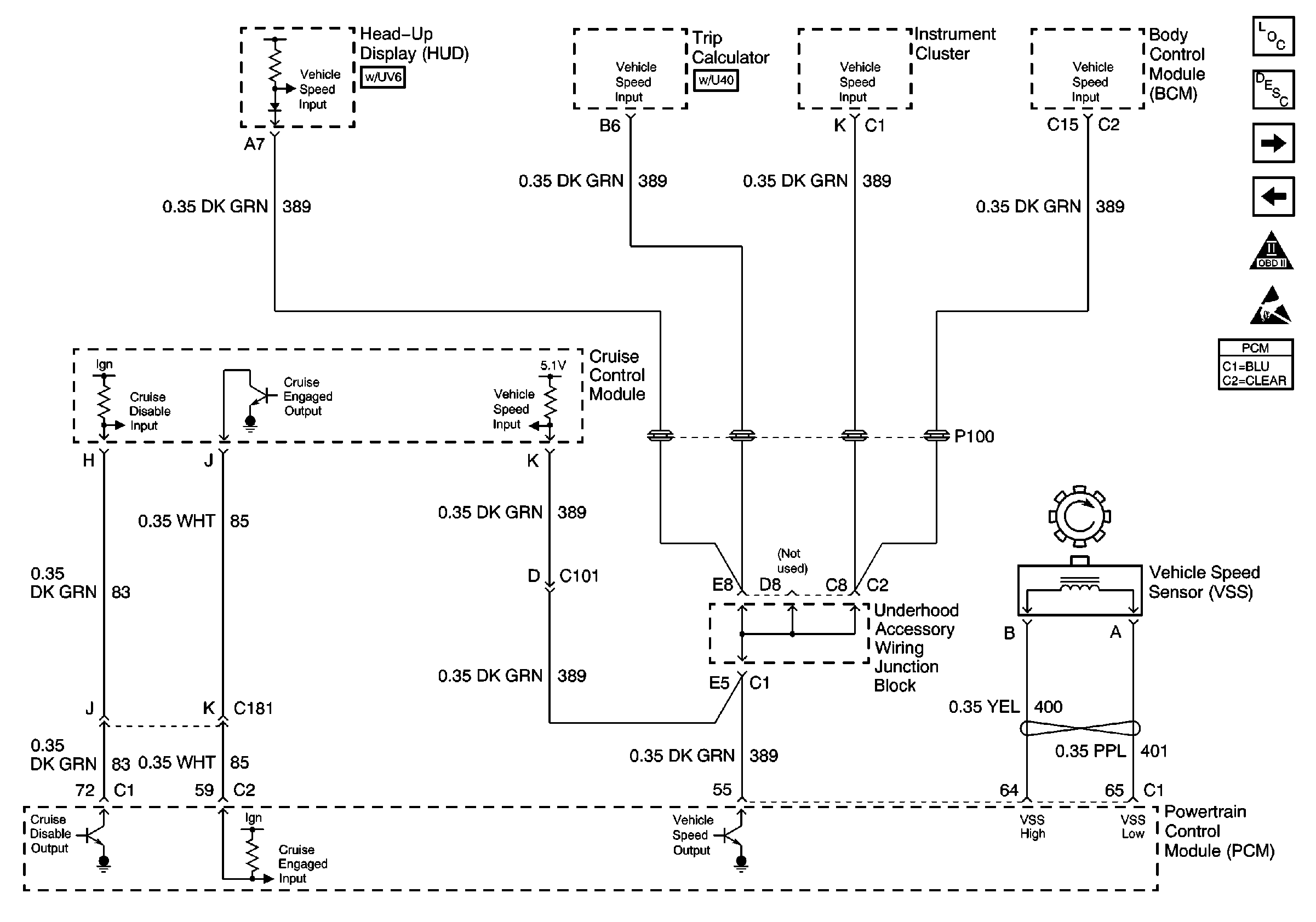
Refer to Engine Controls Schematics

HUD, Trip Calculator, I/P, BCM, CCM and VSS


Object Number: 588223  Size: FS
Engine Controls Components
Powertrain Control Module Description
MAF, EGR, EVAP Purge and EVAP Canister Valve
AIR Motor, AIR Valve, AIR Relay and Theft Deterrent Module
OBD II Symbol Description Notice
Handling ESD Sensitive Parts Notice
.

Circuit Description

The stepper motor cruise control module sends the cruise status input to the PCM to indicate when cruise control is engaged. The PCM monitors the cruise status signal while commanding cruise to be disengaged by grounding the cruise inhibit circuit. Any of the following conditions may cause the PCM to inhibit cruise control operation:

    •  Engine not running long enough for cruise control operation.
    •  Transaxle range inputs indicate park, neutral, low, or reverse gear selected.
    •  Engine speed is too high or too low.
    •  Vehicle speed is too high or too low.
    •  ABS/TCS system is active for longer than 2 seconds.
    •  Vehicle acceleration or deceleration rate is too high.

Conditions for Running the DTC

The PCM is commanding the Cruis Control Module to not allow cruise control operation (Cruise Inhibit circuit grounded).

Conditions for Setting the DTC

    •  The Cruise Status input to the PCM indicates that cruise control is still active.
    •  The conditions is present for longer than 1 second.

Action Taken When the DTC Sets

The PCM stores conditions which were present when the DTC set as Failure Records only. This information will not be stored as Freeze Frame Records.

Conditions for Clearing the MIL/DTC

    • The DTC becomes history when the conditions for setting the DTC are no longer present.
    • The history DTC clears after 40 malfunction free warm-up cycles.
    • The PCM receives a clear code command from the scan tool.

Diagnostic Aids

Inspect for the following conditions:

Many situations may lead to an intermittent condition. Perform each inspection or test as directed.

Important: :  Remove any debris from the connector surfaces before servicing a component. Inspect the connector gaskets when diagnosing or replacing a component. Ensure that the gaskets are installed correctly. The gaskets prevent contaminate intrusion.

    • Loose terminal connection
       -  Use a corresponding mating terminal to test for proper tension. Refer to Testing for Intermittent Conditions and Poor Connections , and to Connector Repairs in Wiring Systems for diagnosis and repair.
       -  Inspect the harness connectors for backed out terminals, improper mating, broken locks, improperly formed or damaged terminals, and faulty terminal to wire connection. Refer to Testing for Intermittent Conditions and Poor Connections , and to Connector Repairs in Wiring Systems for diagnosis and repair.
    • Damaged harness--Inspect the wiring harness for damage. If the harness inspection does not reveal a problem, observe the display on the scan tool while moving connectors and wiring harnesses related to the sensor. A change in the scan tool display may indicate the location of the fault. Refer to Wiring Repairs in Wiring Systems for diagnosis and repair.
    •  Inspect the powertrain control module (PCM) and the engine grounds for clean and secure connections. Refer to Wiring Repairs in Wiring Systems for diagnosis and repair.

If the condition is determined to be intermittent, reviewing the Snapshot or Freeze Frame/Failure Records may be useful in determining when the DTC or condition was identified.

Test Description

The numbers below refer to the step numbers on the Diagnostic Table.

  1. This vehicle is equipped with a PCM which utilizes an Electrically Erasable Programmable Read Only Memory (EEPROM). When the PCM is being replaced, the new PCM must be programmed.

DTC P1554 - Cruise Control Status Circuit

Step

Action

Values

Yes

No

1

Did you perform the Powertrain On Board Diagnostic (OBD) System Check?

--

Go to Step 2

Go to Powertrain On Board Diagnostic (OBD) System Check

2

Is DTC P1585 also set?

--

Go to DTC P1585 Cruise Control Inhibit Output Circuit

Go to Step 3

3

  1. Turn off the ignition switch.
  2. Disconnect the cruise control module.
  3. Turn on the ignition switch.
  4. Using a DMM, measure voltage between the Cruise Engaged Input circuit at the cruise control module harness connector and ground.

Is voltage greater than the specified value?

7.0V

Go to Step 4

Go to Step 5

4

  1. Turn off the ignition switch.
  2. Reconnect the cruise control module.
  3. Disconnect the PCM.
  4. Turn on the ignition switch.
  5. Probe the Cruise Engaged Input circuit at the PCM harness connector with a test lamp to battery positive voltage.

Is the test lamp on?

--

Go to Step 6

Go to Step 7

5

  1. Turn off the ignition switch.
  2. Disconnect the PCM.
  3. Probe the Cruise Engaged Input circuit at the PCM harness connector with a test lamp to battery positive voltage.

Is the test lamp on?

--

Go to Step 8

Go to Step 7

6

Replace the cruise control module. Refer to Cruise Control Module Replacement in Cruise Control.

Did you complete the replacement?

--

Go to Step 9

--

7

Important: :  The replacement PCM must be programmed.

Replace the PCM. Refer to Powertrain Control Module Replacement/Programming .

Did you complete the replacement?

--

Go to Step 9

--

8

Locate and repair short to ground in the Cruise Engaged Input circuit. Refer to Wiring Repairs in Wiring Systems.

Did you complete the repair?

--

Go to Step 9

--

9

  1. Clear DTC P1554.
  2. Start the engine and observe DTCs.

Did DTC P1554 set?

--

Go to Step 2

System OK