GM Service Manual Online
For 1990-2009 cars only

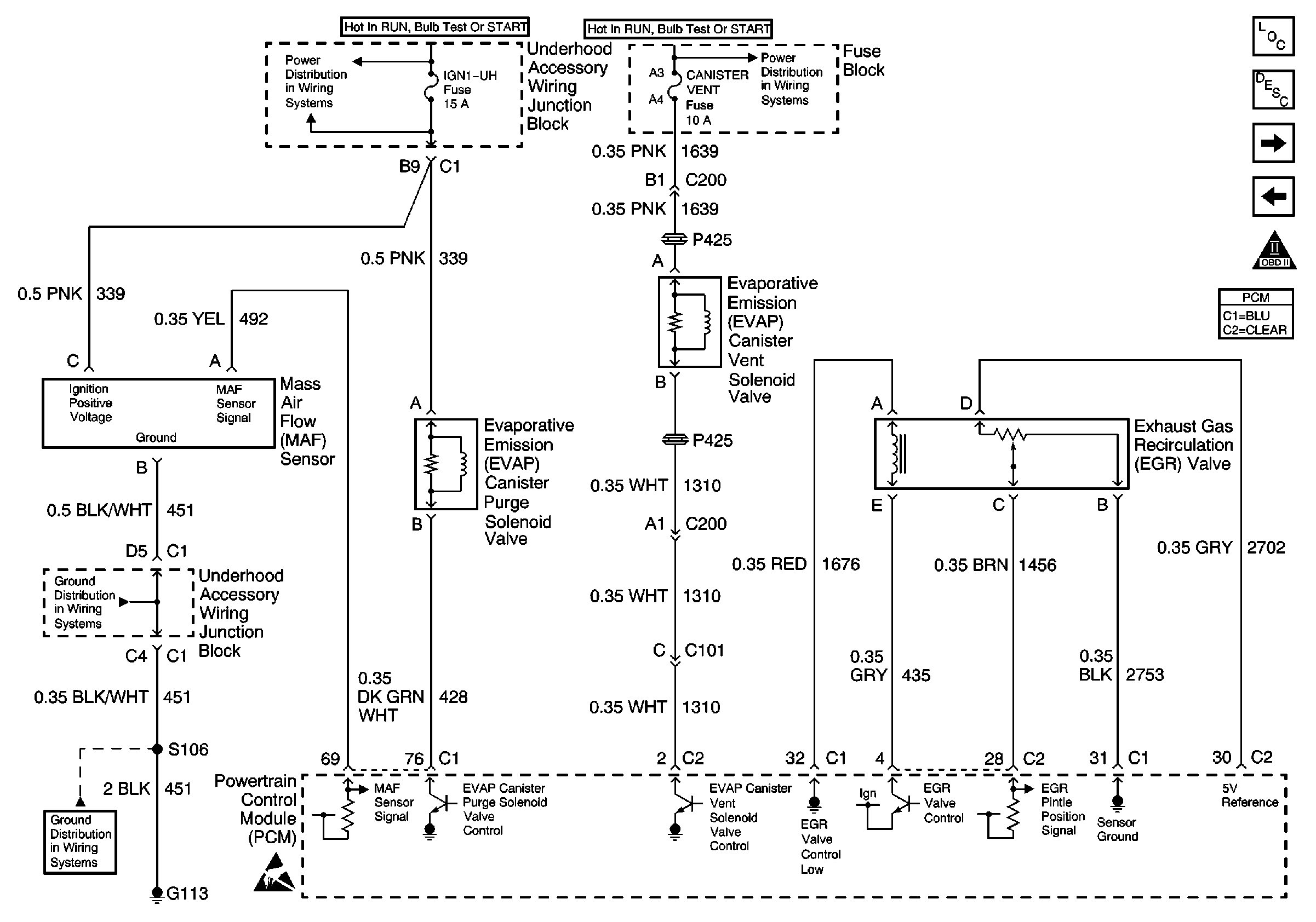
Refer to Engine Controls Schematic

MAF, EGR, EVAP Purge and EVAP Canister Valve


Object Number: 588225  Size: FS
Underhood Accessory Wiring Junction Block, Secondary Air Injection PUmp Relay, Secondary Air Injection Valve Solenoid, Supercharger Bypass Valve, Heated Oxygen Sensors, MAF and EVAP
G100, G111 and G113
G100, G111 and G113
Handling ESD Sensitive Parts Notice
DRL, Canister, PWR DROP, TURN, SIR, IP-IGN, CRUISE, and ECM Fuse
Engine Controls Components
Powertrain Control Module Description
I/P, Generator and Driver Information Display
HUD, Trip Calculator, I/P, BCM, CCM and VSS
OBD II Symbol Description Notice
.

Circuit Description

The PCM monitors the EGR valve pintle position input to ensure that the valve responds properly to commands from the PCM. When the ignition switch is turned on, the PCM learns the EGR closed valve pintle position. The PCM compares the learned EGR closed valve pintle position to the Actual EGR position when the EGR valve is commanded closed. If the Actual EGR position indicates that the EGR valve is still open when the PCM is commanding the EGR valve closed, DTC P1404 will set.

Conditions for Running the DTC

    •  IAT is greater than -10°C (14°F).
    • Desired EGR must equal 0.
    •  System voltage is between 10.0 volts and 18.0 volts.

Conditions for Setting the DTC

    • EGR Feedback is 0.2 volt greater than the EGR Closed Valve Pintle Position when the Desired EGR Position is commanded to 0%.
    • The above condition is present for longer than 20 seconds.

Action Taken When the DTC Sets

    • The PCM will illuminate the malfunction indicator lamp (MIL) during the first trip in which the diagnostic test has been run and failed.
    • The PCM will store conditions which were present when the DTC set as Freeze Frame and Failure Records data.

Conditions for Clearing the MIL/DTC

    • The PCM will turn OFF the malfunction indicator lamp (MIL) during the third consecutive trip in which the diagnostic has run and passed.
    • The history DTC will clear after 40 consecutive warm-up cycles have occurred without a malfunction.
    • The DTC can be cleared by using a scan tool.

Diagnostic Aids

Inspect for the following conditions:

    •  Excessive deposits on the EGR valve pintle or seat.
    •  Remove the EGR valve and check for deposits that may interfere with the EGR valve pintle extending completely or cause the pintle to stick.

Many situations may lead to an intermittent condition. Perform each inspection or test as directed.

Important: :  Remove any debris from the connector surfaces before servicing a component. Inspect the connector gaskets when diagnosing or replacing a component. Ensure that the gaskets are installed correctly. The gaskets prevent contaminate intrusion.

    • Loose terminal connection
       -  Use a corresponding mating terminal to test for proper tension. Refer to Testing for Intermittent Conditions and Poor Connections , and to Connector Repairs in Wiring Systems for diagnosis and repair.
       -  Inspect the harness connectors for backed out terminals, improper mating, broken locks, improperly formed or damaged terminals, and faulty terminal to wire connection. Refer to Testing for Intermittent Conditions and Poor Connections , and to Connector Repairs in Wiring Systems for diagnosis and repair.
    • Damaged harness--Inspect the wiring harness for damage. If the harness inspection does not reveal a problem, observe the display on the scan tool while moving connectors and wiring harnesses related to the sensor. A change in the scan tool display may indicate the location of the fault. Refer to Wiring Repairs in Wiring Systems for diagnosis and repair.
    •  Inspect the powertrain control module (PCM) and the engine grounds for clean and secure connections. Refer to Wiring Repairs in Wiring Systems for diagnosis and repair.

If the condition is determined to be intermittent, reviewing the Snapshot or Freeze Frame/Failure Records may be useful in determining when the DTC or condition was identified.

Test Description

Numbers below refer to the step numbers on the Diagnostic Table:

  1. Verifies that the malfunction is present.

  2. If DTC P1404 will only set under certain conditions, the malfunction may be intermittent; refer to DTC P1404 Diagnostic Aids. If an intermittent wiring problem is not present, check for a poor connection at the PCM or the EGR valve. If the connections are OK and DTC P1404 continues to set, replace the EGR valve.

  3. This vehicle is equipped with a PCM which utilizes an Electrically Erasable Programmable Read Only Memory (EEPROM). When the PCM is being replaced, the new PCM must be programmed.

Step

Action

Values

Yes

No

1

Did you perform the Powertrain On Board Diagnostic (OBD) System Check?

--

Go to Step 2

Go to Powertrain On Board Diagnostic (OBD) System Check

2

Important: :  If DTC P0403 Exhaust Gas Recirculation (EGR) Solenoid Control Circuit is set, diagnose DTC P0403 Exhaust Gas Recirculation (EGR) Solenoid Control Circuit first.

With the engine idling, observe Actual EGR Position display on the scan tool.

Is Actual EGR Position at the specified value?

0%

Go to Step 3

Go to Step 5

3

  1. Turn on the ignition switch.
  2. Select the scan tool EGR valve output control function.
  3. Increment the EGR valve through all positions while comparing Desired EGR Position to Actual EGR Position.

Does Desired EGR Position remain close to Actual EGR Position at all commanded positions?

--

Go to Step 4

Go to Step 6

4

  1. Review and record scan tool Fail Records data.
  2. Operate the vehicle within Fail Records conditions.
  3. Using a scan tool, monitor Specific DTC info for DTC P1404 until the DTC P1404 test runs.

Does the scan tool indicate DTC P1404 failed this ignition?

--

Go to Step 5

Go to Diagnostic Aids

5

  1. Disconnect the EGR valve electrical connector.
  2. Observe Actual EGR Position on the scan tool.

Is the actual EGR Position at the specified value?

0%

Go to Step 6

Go to Step 7

6

Probe the EGR pintle position sensor ground circuit at the EGR valve harness connector with a test lamp to battery positive voltage.

Is the test lamp on?

--

Go to Step 9

Go to Step 8

7

  1. Turn off the ignition switch.
  2. Disconnect the PCM.
  3. Turn on the ignition switch.
  4. Measure voltage between the EGR valve pintle position signal circuit and ground.

Is the measured voltage near the specified value?

0.0V

Go to Step 12

Go to Step 11

8

Check the EGR pintle position sensor ground circuit for an open between the PCM and the EGR valve. Refer to Wiring Repairs in Wiring Systems.

Did you find and correct the condition?

--

Go to Step 15

Go to Step 13

9

Inspect for poor terminal connections at the EGR valve. Refer to Testing for Intermittent Conditions and Poor Connections in Wiring Systems.

Was a problem found?

--

Go to Step 15

Go to Step 10

10

Replace the EGR valve. Refer to Exhaust Gas Recirculation Valve Replacement .

Notice: If the EGR valve shows signs of excessive heat, inspect the exhaust system for blockage--possibly a plugged converter--using the procedure found on the Restricted Exhaust System Check. If the exhaust system is restricted, repair the cause. Inspect for an open injector caused by one or more of the following conditions:

   • Stuck
   • Grounded driver circuit
   • Possible faulty control module
If one of the above conditions is found, inspect the oil for possible fuel contamination.

Did you complete the repair?

--

Go to Step 15

--

11

Locate and repair short to voltage in the EGR pintle position signal circuit. Refer to Wiring Repairs in Wiring Systems.

Did you complete the repair?

--

Go to Step 15

--

12

Inspect for the following conditions:

  1. The EGR valve pintle position signal circuit for a short to the 5 Volt Reference circuit.
  2. The EGR valve pintle position signal circuit for a short to the EGR valve control circuit. Refer to Wiring Repairs in Wiring Systems.

Did you find and correct the condition?

--

Go to Step 15

Go to Step 14

13

Inspect the circuits related to the EGR valve for poor terminal connections at the PCM. Refer to Wiring Repairs in Wiring Systems.

Did you find and correct the condition?

--

Go to Step 15

Go to Step 14

14

Important: :  The replacement PCM must be programmed.

Replace the PCM. Refer to Powertrain Control Module Replacement/Programming .

Did you complete the repair?

--

Go to Step 15

--

15

  1. Review and record scan tool Fail Records data.
  2. Clear DTCs.
  3. Operate the vehicle within Fail Records conditions.
  4. Using a scan tool, monitor Specific DTC info for DTC P1404.

Does the scan tool indicate DTC P1404 failed this ignition?

--

Go to Step 2

System OK