GM Service Manual Online
For 1990-2009 cars only

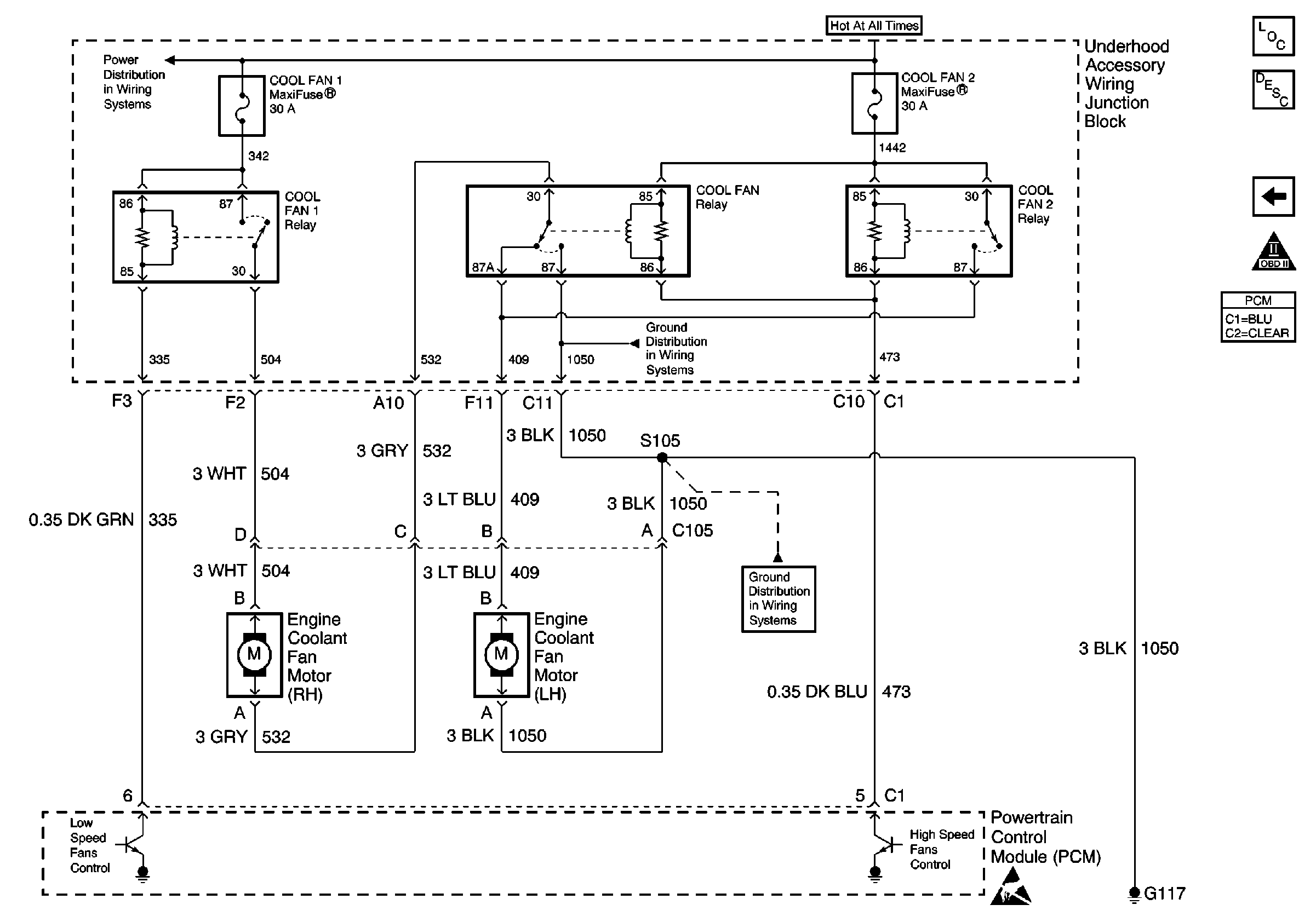
Refer to Engine Controls Schematics

Coolant Fan Motor #1 and Coolant Fan Motor #2


Object Number: 588180  Size: FS
Underhood Accessory Wiring Junction Block
G117
G117
Handling ESD Sensitive Parts Notice
Engine Controls Components
Powertrain Control Module Description
Heater A/C Control and A/C Compressor Clutch Coil
OBD II Symbol Description Notice

Circuit Description

The powertrain control module (PCM) uses output driver modules (ODMs) in order to turn on many of the current-driven devices that control various engine and transaxle functions. Each ODM is capable of controlling up to 7 separate outputs by applying ground to the device which the PCM is commanding on. Unlike the quad driver modules (QDMs) used in prior model years, ODMs are capable of individually diagnosing each output circuit. If ODM B Output 1, which controls the Cooling Fan 1 relay, detects an improper voltage level, DTC P0480 will set.

Conditions for Setting the DTC

    • The ignition is ON.
    • ODM B Output 1 detects an improper voltage level at the low speed fan's relay driver circuit.
    • The above conditions are present for at least 30 seconds.

Action Taken When the DTC Sets

    • The PCM will illuminate the malfunction indicator lamp (MIL) during the second consecutive trip in which the diagnostic test has been run and failed.
    • The PCM will store conditions which were present when the DTC set as Freeze Frame/Failure Records data.

Conditions for Clearing the MIL/DTC

    • The PCM will turn OFF the malfunction indicator lamp (MIL) during the third consecutive trip in which the diagnostic has run and passed.
    • The history DTC will clear after 40 consecutive warm-up cycles have occurred without a malfunction.
    • The DTC can be cleared by using a scan tool.

Diagnostic Aids

Inspect for the following conditions:

Many situations may lead to an intermittent condition. Perform each inspection or test as directed.

Important: :  Remove any debris from the connector surfaces before servicing a component. Inspect the connector gaskets when diagnosing or replacing a component. Ensure that the gaskets are installed correctly. The gaskets prevent contaminate intrusion.

    • Loose terminal connection
       -  Use a corresponding mating terminal to test for proper tension. Refer to Testing for Intermittent Conditions and Poor Connections , and to Connector Repairs in Wiring Systems for diagnosis and repair.
       -  Inspect the harness connectors for backed out terminals, improper mating, broken locks, improperly formed or damaged terminals, and faulty terminal to wire connection. Refer to Testing for Intermittent Conditions and Poor Connections , and to Connector Repairs in Wiring Systems for diagnosis and repair.
    • Damaged harness--Inspect the wiring harness for damage. If the harness inspection does not reveal a problem, observe the display on the scan tool while moving connectors and wiring harnesses related to the sensor. A change in the scan tool display may indicate the location of the fault. Refer to Wiring Repairs in Wiring Systems for diagnosis and repair.
    •  Inspect the powertrain control module (PCM) and the engine grounds for clean and secure connections. Refer to Wiring Repairs in Wiring Systems for diagnosis and repair.

If the condition is determined to be intermittent, reviewing the Snapshot or Freeze Frame/Failure Records may be useful in determining when the DTC or condition was identified.

Test Description

The numbers below refer to the step numbers on the diagnostic table.

  1. The Powertrain On-Board Diagnostic (OBD) System Check prompts you to complete some basic tests and to store the Failure Records data on the scan tool.

  2. Listen for a click when the relay operates. Command both the ON and OFF states. Repeat the commands as necessary.

  3. This step tests for voltage at the coil feed side of the relay.

  4. This step verifies that the PCM is providing ground to the relay.

  5. This step tests if ground is constantly being applied to the relay.

  6. The PCM utilizes an electrically erasable programmable read-only memory (EEPROM). When you replace the PCM, you must program the new PCM.

P0480 Fan Relay 1 Control Ckt

Step

Action

Value(s)

Yes

No

1

Did you perform the Powertrain On Board Diagnostic (OBD) System Check?

--

Go to Step 2

Go to Powertrain On Board Diagnostic (OBD) System Check

2

  1. Turn ON the ignition, with the engine OFF.
  2. Use a scan tool in order to command the low speed relay ON and OFF.

Does the relay turn ON and OFF with each command?

--

Go to Diagnostic Aids

Go to Step 3

3

  1. Turn OFF the ignition.
  2. Disconnect the relay.
  3. Turn ON the ignition, with the engine OFF.
  4. Probe the coil feed circuit of the relay using a test lamp connected to a good ground.

Does the test lamp illuminate?

--

Go to Step 4

Go to Step 10

4

  1. Connect a test lamp between the control circuit of the relay and the coil feed circuit of the relay.
  2. With a scan tool, command the Fan relay 1 ON and OFF .

Does the test lamp turn ON and OFF with each command?

--

Go to Step 8

Go to Step 5

5

Does the test lamp remain illuminated with each command?

--

Go to Step 7

Go to Step 6

6

  1. Test the control circuits of the relay for a short to voltage or an open. If you find a problem, repair the condition as necessary.
  2. Refer to Wiring Repairs in Wiring Systems.

Did you find and correct the condition?

--

Go to Step 13

Go to Step 9

7

  1. Test the control circuits of the relay for a short to ground. If you find a problem, repair the condition as necessary.
  2. Refer to Wiring Repairs in Wiring Systems.

Did you find and correct the condition?

--

Go to Step 13

Go to Step 9

8

  1. Inspect for poor connections at the relay. If you find a problem, repair the condition as necessary.
  2. Refer to Testing for Intermittent Conditions and Poor Connections or Connector Repairs in Wiring Systems.

Did you find and correct the condition?

--

Go to Step 13

Go to Step 11

9

  1. Inspect for poor connections at the PCM. If you find a problem, repair the condition as necessary.
  2. Refer to Testing for Intermittent Conditions and Poor Connections or Connector Repairs in Wiring Systems.

Did you find and correct the condition?

--

Go to Step 13

Go to Step 12

10

Important: If the fuse is blown, test each branch of the circuit for a short to ground and repair the conditions as necessary.

Repair the feed circuit of the relay. Refer to Wiring Repairs in Wiring Systems.

Did you complete the replacement?

--

Go to Step 13

--

11

Replace the relay.

Did you complete the replacement?

--

Go to Step 13

--

12

Important: Perform the set up procedure for the PCM.

Refer to Powertrain Control Module Replacement/Programming .

Replace the PCM.

Did you complete the replacement?

--

Go to Step 13

--

13

  1. Use a scan tool to clear the DTCs.
  2. Operate the vehicle within the Conditions for Running the DTC, as specified in the supporting text.

Does the DTC reset?

--

Go to Step 2

System OK