GM Service Manual Online
For 1990-2009 cars only

Refer to

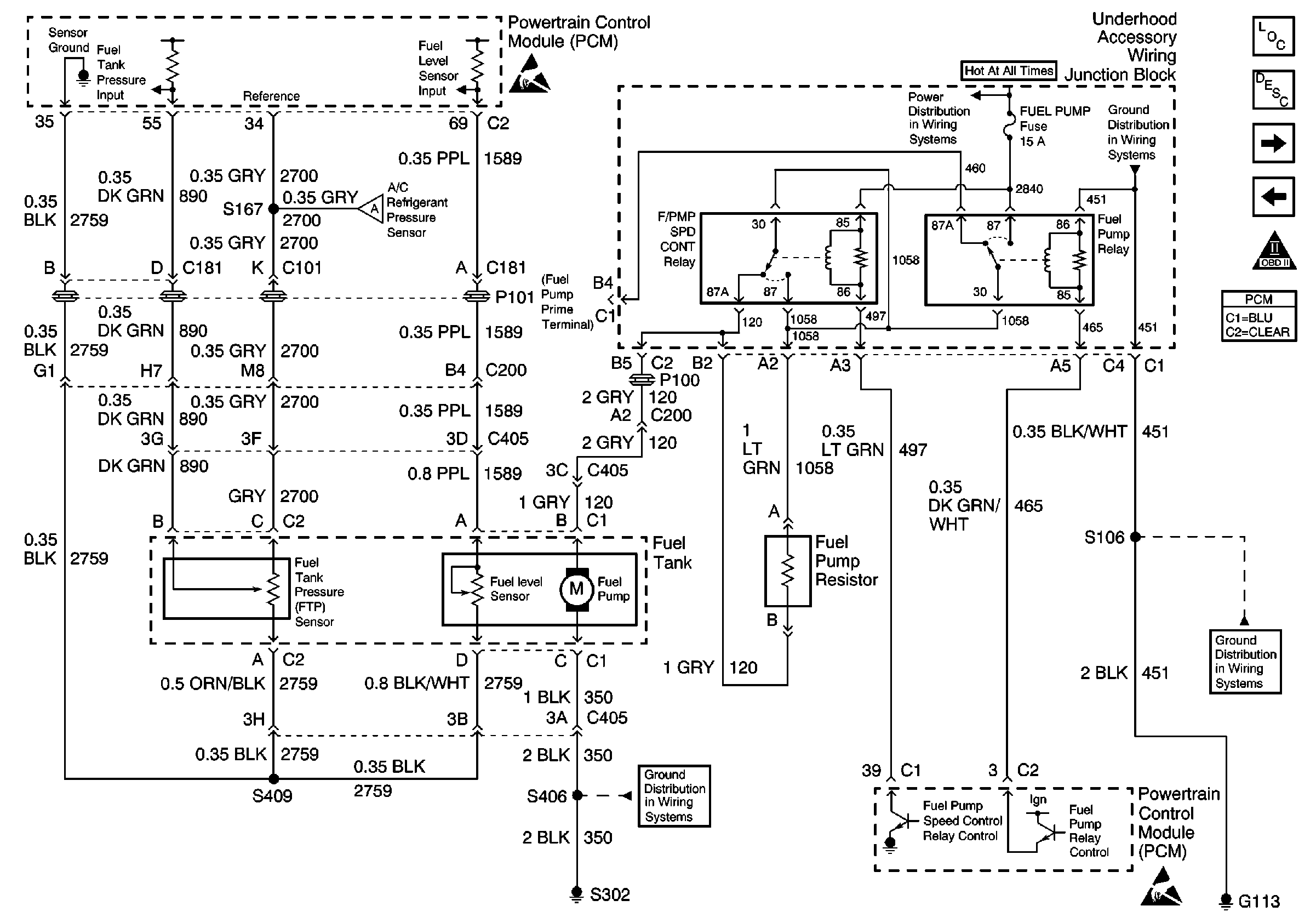
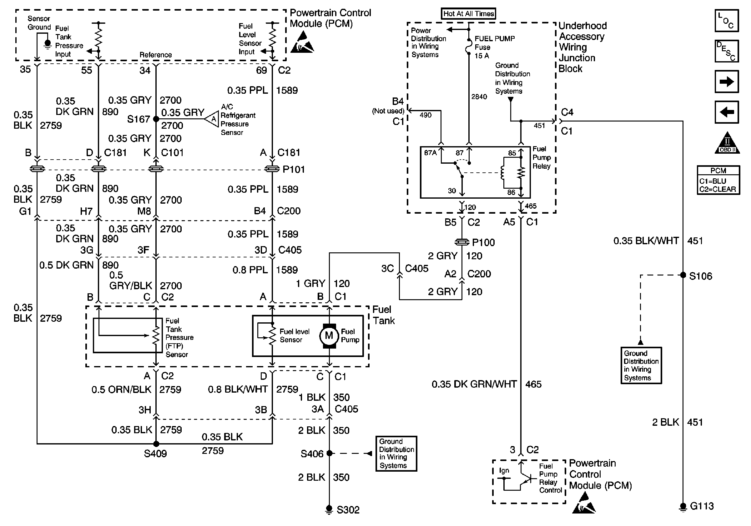
Fuel Tank and Fuel Pump Resistor


Object Number: 588123  Size: FS
A/C Refrigerant Pressure Sensor, TP, MAP, ECT and IAT Sensor
Handling ESD Sensitive Parts Notice
G302 (1 of 2)
Underhood Accessory Wiring Junction Block
G100, G111 and G113
G100, G111 and G113
Handling ESD Sensitive Parts Notice
Engine Controls Components
Powertrain Control Module Description
Fuel Injectors
Fuel Tank
OBD II Symbol Description Notice
or

Fuel Tank


Object Number: 588119  Size: FS
A/C Refrigerant Pressure Sensor, TP, MAP, ECT and IAT Sensor
Handling ESD Sensitive Parts Notice
Underhood Accessory Wiring Junction Block
G100, G111 and G113
G302 (1 of 2)
Underhood Accessory Wiring Junction Block
Handling ESD Sensitive Parts Notice
Engine Controls Components
Powertrain Control Module Description
Fuel Tank and Fuel Pump Resistor
CKP, CMP, ICM, Bank 1 KS and Bank 2 KS
OBD II Symbol Description Notice

Circuit Description

The powertrain control module (PCM) monitors the fuel tank pressure sensor signal in order to detect vacuum decay and excess vacuum during the enhanced EVAP diagnostic. The fuel tank pressure sensor measures the difference between the air pressure or vacuum in the tank and the outside air pressure. The PCM applies a 5.0-volt reference and ground to the sensor. The sensor will return a signal voltage between 0.1 volt and 4.9 volts. If the PCM detects a fuel tank pressure sensor signal that is excessively high, DTC P0453 will set.

Conditions for Running the DTC

The ignition is on.

Conditions for Setting the DTC

    •  The fuel tank pressure sensor signal is more than 4.7 volts.
    •  The condition is present for 5 seconds.

Action Taken When the DTC Sets

    •  The PCM will illuminate the MIL during the second consecutive trip in which the diagnostic test has run and failed.
    •  The PCM will store the conditions which were present when the DTC set as Freeze Frame and Failure Records data.

Conditions for Clearing the MIL/DTC

    •  The PCM will turn the MIL off during the third consecutive trip in which the diagnostic has run and passed.
    • The history DTC will clear after 40 consecutive warm-up cycles have occurred without a malfunction.
    • The DTC can be cleared by using the scan tool Clear Info function, or by disconnecting the PCM battery feed.

Diagnostic Aids

Continue the diagnosis at step 4 if you were sent here from one of the EVAP diagnostic tables.

Check for the following conditions:

    • A poor connection at the PCM or at the fuel tank pressure sensor--Inspect the harness connectors for the following conditions:
       - Backed-out terminals
       - Improper mating
       - Broken locks
       - Improperly-formed terminals
       - Damaged terminals
       - Poor terminal-to-wire connections
    • A damaged harness--Inspect the wiring harness for damage. If the harness appears OK, observe the fuel tank pressure sensor display on the scan tool while moving connectors and the wiring that are related to the sensor. A change in the display will indicate the location of the malfunction.
        

Test Description

the numbers below refer to the step numbers on the Diagnostic Table:

  1. This vehicle is equipped with a PCM which utilizes an electrically erasable programmable read-only memory (EEPROM). When you replace the PCM, you must program the new PCM.

DTC P0453 Fuel Tank Pressure Sensor Circuit High Voltage

Step

Action

Values

Yes

No

1

Was the Powertrain OBD System Check performed?

--

Go to Step 2

Go to the Powertrain On Board Diagnostic (OBD) System Check

2

  1. Turn ON the ignition, with the engine not running.
  2. Observe fuel tank pressure sensor voltage on the scan tool.

Is fuel tank pressure sensor voltage more than the specified value?

4.7V

Go to Step 4

Go to Step 3

3

Important: Continue the diagnosis at step 4 if you were sent here from one of the EVAP diagnostic tables.

  1. Operate the vehicle within the conditions described in Conditions for Setting the DTC.
  2. Monitor specific DTC info for DTC P0453.

Does the scan tool indicate DTC P0453 failed this ignition?

--

Go to Step 4

Go to Diagnostic Aids

4

  1. Disconnect the fuel tank pressure sensor.
  2. Observe the fuel tank pressure sensor voltage that is displayed on the scan tool.

Is the fuel tank pressure sensor voltage near the specified value?

0.0V

Go to Step 6

Go to Step 5

5

  1. Turn OFF the ignition switch.
  2. Disconnect the PCM.
  3. Turn on the ignition switch.
  4. Check the fuel tank pressure signal circuit for a short to voltage or a short to the 5-volt reference A circuit.
  5. If you find a problem, repair the condition as necessary. Refer to Wiring Repairs in Wiring Systems.

Did you find a problem?

--

Go to Step 11

Go to Step 10

6

  1. Turn off the ignition switch.
  2. Disconnect the PCM.
  3. Check the fuel tank pressure sensor ground circuit for a poor terminal connection at the PCM.
  4. If you find a problem, repair the condition as necessary. Refer to Connector Repairs in Wiring Systems.

Did you find a problem?

--

Go to Step 11

Go to Step 7

7

  1. Check for an open in the fuel tank pressure sensor ground circuit.
  2. If you find a problem, repair the condition as necessary. Refer to Wiring Repairs in Wiring Systems.

Did you find a problem?

--

Go to Step 11

Go to Step 8

8

  1. Check for poor terminal connections at the fuel tank pressure sensor connector.
  2. If you find a problem, repair the condition as necessary. Refer to Connector Repairs in Wiring Systems.

Did you find a problem?

--

Go to Step 11

Go to Step 9

9

Replace the fuel tank pressure sensor. Refer to Fuel Tank Pressure Sensor Replacement .

Is the action complete?

--

Go to Step 11

--

10

Important: :  The replacement PCM must be programmed.

Replace the PCM. Refer to Powertrain Control Module Replacement/Programming .

Is the action complete?

--

Go to Step 11

--

11

  1. Review and record scan tool Failure Records data.
  2. Clear the DTCs.
  3. Operate the vehicle within the Failure records conditions.
  4. Monitor the Specific DTC info for DTC P0453.

Does the scan tool indicate DTC P0453 failed this ignition?

--

Go to Step 2

System OK