GM Service Manual Online
For 1990-2009 cars only

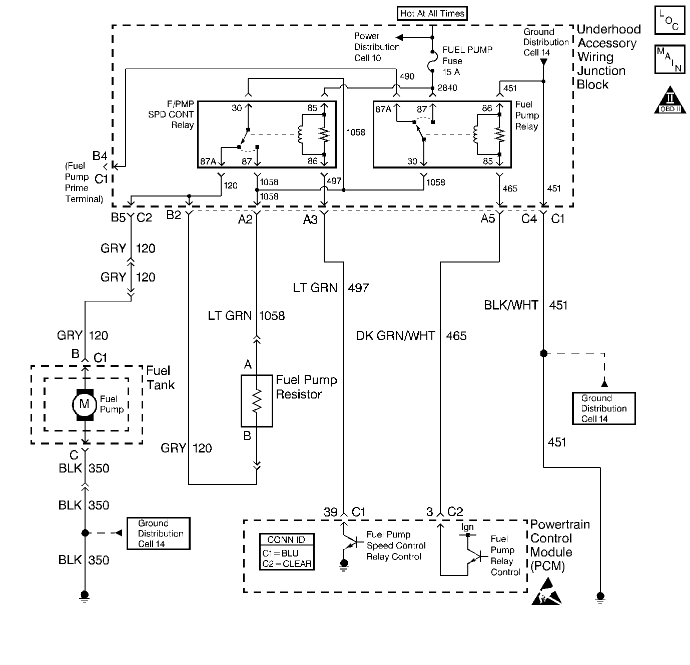
Object Number: 404042  Size: LF
Engine Controls Components
OBD II Symbol Description Notice
Cell 21: Fuel Controls-VIN 1
Handling ESD Sensitive Parts Notice

Circuit Description

The powertrain control module (PCM) uses output driver modules (ODMs) in order to turn on many of the current-driven devices that are needed to control various engine and transaxle functions. Each ODM is capable of controlling up to 7 separate outputs by applying ground to the device which the PCM is commanding ON. Unlike the quad driver modules (QDMs) used in prior model years, ODMs are capable of individually diagnosing each output circuit. If an improper voltage level is detected on the output circuit which controls the Fuel Pump Speed Control Relay, DTC P1260 will set.

Conditions for Setting the DTC

    • The ignition is ON.
    • An improper voltage level has been detected on the output circuit which controls the fuel pump speed control relay.
    • The above conditions are present for at least 30 seconds.

Action Taken When the DTC Sets

The PCM stores conditions which were present when the DTC set as Failure Records only. This information will not be stored as Freeze Frame Records.

Conditions for Clearing the MIL/DTC

    • The DTC becomes history when the conditions for setting the DTC are no longer present.
    • The history DTC clears after 40 malfunction free warm-up cycles.
    • The PCM receives a clear code command from the scan tool.

Diagnostic Aids

Inspect for the following conditions:

Many situations may lead to an intermittent condition. Perform each inspection or test as directed.

Important: :  Remove any debris from the connector surfaces before servicing a component. Inspect the connector gaskets when diagnosing or replacing a component. Ensure that the gaskets are installed correctly. The gaskets prevent contaminate intrusion.

    • Loose terminal connection
       -  Use a corresponding mating terminal to test for proper tension. Refer to Testing for Intermittent Conditions and Poor Connections , and to Connector Repairs in Wiring Systems for diagnosis and repair.
       -  Inspect the harness connectors for backed out terminals, improper mating, broken locks, improperly formed or damaged terminals, and faulty terminal to wire connection. Refer to Testing for Intermittent Conditions and Poor Connections , and to Connector Repairs in Wiring Systems for diagnosis and repair.
    • Damaged harness--Inspect the wiring harness for damage. If the harness inspection does not reveal a problem, observe the display on the scan tool while moving connectors and wiring harnesses related to the sensor. A change in the scan tool display may indicate the location of the fault. Refer to Wiring Repairs in Wiring Systems for diagnosis and repair.
    •  Inspect the powertrain control module (PCM) and the engine grounds for clean and secure connections. Refer to Wiring Repairs in Wiring Systems for diagnosis and repair.

If the condition is determined to be intermittent, reviewing the Snapshot or Freeze Frame/Failure Records may be useful in determining when the DTC or condition was identified.

Test Description

The numbers below refer to the step numbers on the Diagnostic Table.

  1. Normally, ignition feed voltage is present on the output driver circuit with the PCM disconnected and the ignition ON, and with the engine OFF.

  2. This step tests for a shorted component, or for a short to B+ on the output driver circuit. Either condition will result in a measured current of more than 0.5 amps.

  3. This step tests for a faulty fuel pump speed control relay.

  4. This vehicle is equipped with a PCM which utilizes an electrically erasable programmable read-only memory (EEPROM). When you replace the PCM, you must program the new PCM.

DTC P1260 - Fuel Pump Speed Control Circuit

Step

Action

Values

Yes

No

1

Did you perform the Powertrain On-Board Diagnostic System Check?

--

Go to Step 2

Go to Powertrain On Board Diagnostic (OBD) System Check

2

Important: If the vehicle cranks but will not run, refer to Engine Cranks but Does Not Run .

  1. Turn OFF the ignition, and disconnect the PCM.
  2. Disconnect the fuel pump relay.
  3. Install a 15-amp fused jumper between the fuel pump relay connector terminals 30 and 87.
  4. Turn ON the ignition, with the engine OFF.
  5. Use a DMM in order to measure the voltage between the fuel pump speed control driver circuit at the PCM harness connector and ground.

Is the voltage near the specified value?

B+

Go to Step 3

Go to Step 6

3

  1. Turn OFF the ignition.
  2. Monitor the current between the fuel pump speed control driver circuit at the PCM connector and ground for 10 seconds.

Does the current remain within the specified values?

0.5 - 1.5 Amp

Go to Step 9

Go to Step 4

4

  1. Leave the 15A fused jumper between cavities 30 and 87 in the fuel pump relay connector.
  2. Remove the Fuel Pump Speed Control relay.
  3. Monitor the current between the fuel pump speed control driver circuit at the PCM connector and ground for 10 seconds.

Does the current equal the specified value?

0.0 Amp

Go to Step 10

Go to Step 5

5

Locate and repair the short to voltage in the fuel pump speed control driver circuit. Refer to Wiring Repairs in Wiring Systems.

Did you complete the repair?

--

Go to Step 12

--

6

  1. Disconnect the fuel pump speed control relay.
  2. Connect a test lamp between cavity 87 in the fuel pump relay connector and cavity 86 in the fuel pump speed control relay connector.

Does the test lamp illuminate?

--

Go to Step 8

Go to Step 7

7

Locate and repair the open in the fuel pump speed control driver circuit. Refer to Wiring Repairs in Wiring Systems.

Did you complete the repair?

--

Go to Step 12

Go to Step 10

8

Locate and repair the short to ground in the fuel pump speed control driver circuit. Refer to Wiring Repairs in Wiring Systems.

Did you complete the repair?

--

Go to Step 12

--

9

  1. Inspect the fuel pump speed control driver circuit for a poor connection at the PCM.
  2. If you find a problem , repair the condition as necessary. Refer to Testing for Intermittent Conditions and Poor Connections in Wiring Systems.

Did you find and correct the condition?

--

Go to Step 12

Go to Step 11

10

Replace the fuel pump speed control relay.

Did you complete the replacement?

--

Go to Step 12

--

11

Important: Replacement PCM must be programmed.

Refer to Powertrain Control Module Replacement/Programming .

Replace the PCM.

Did you complete the replacement?

--

Go to Step 12

--

12

  1. Use a scan tool in order to clear the DTCs.
  2. Operate vehicle within the conditions for Running the DTC, as specified in the supporting text.

Does the DTC reset?

--

Go to Step 2

System OK