GM Service Manual Online
For 1990-2009 cars only
Makes
🢒
Pontiac
🢒
2001
🢒
Grand Prix
🢒
Body and Accessories
🢒
Wipers/Washer Systems
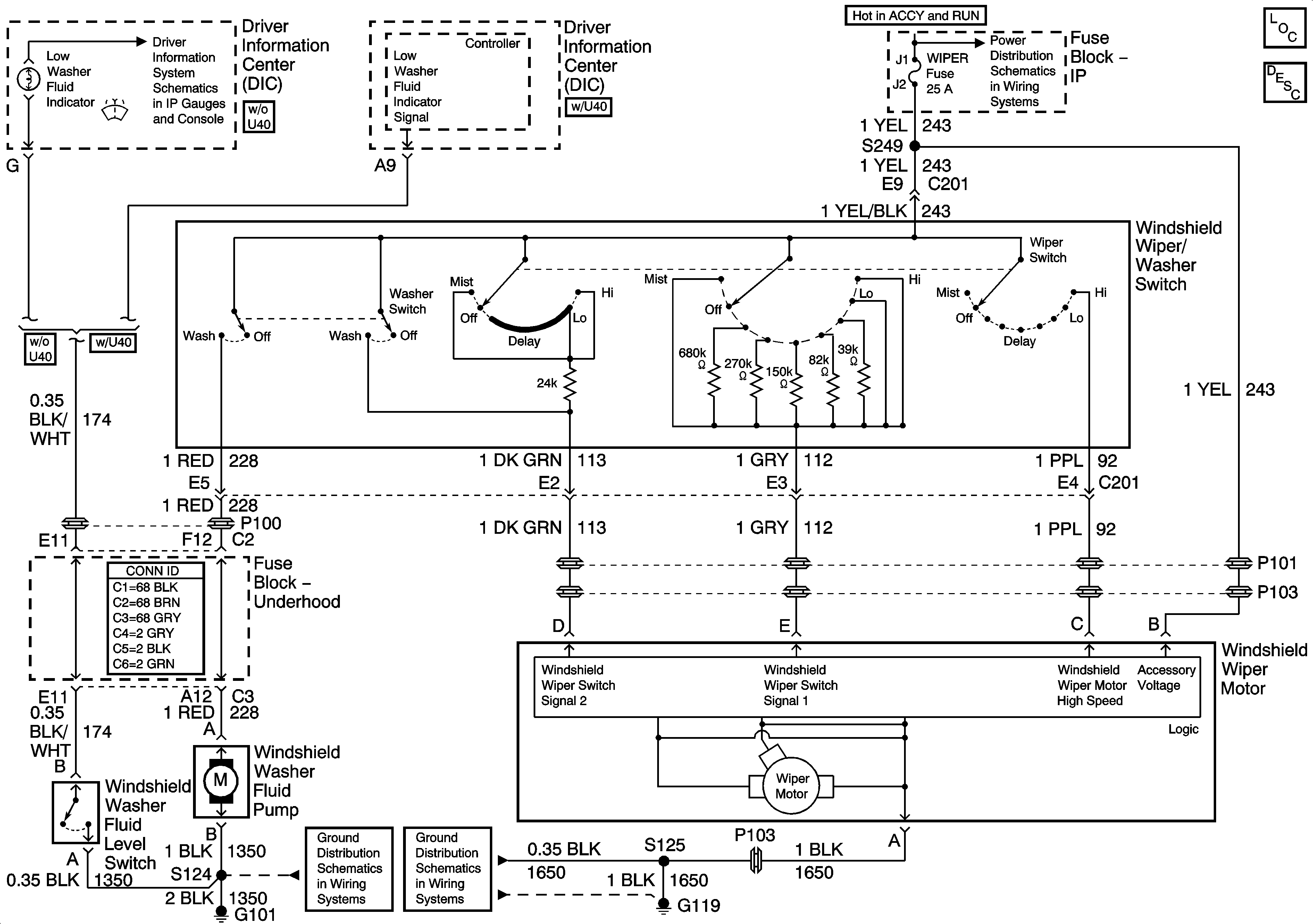
🢒 Wiper/Washer Schematics
Master Electrical Component List
IGN-MAIN 2, RADIO, SUNROOF, STR WHL CTRL, PWR WDO, WIPER, MALL, MALL PGM Fuses
Driver Information Center (DIC) (W/O U40)
G101
G119