GM Service Manual Online
For 1990-2009 cars only
Makes
🢒
Pontiac
🢒
2001
🢒
Grand Prix
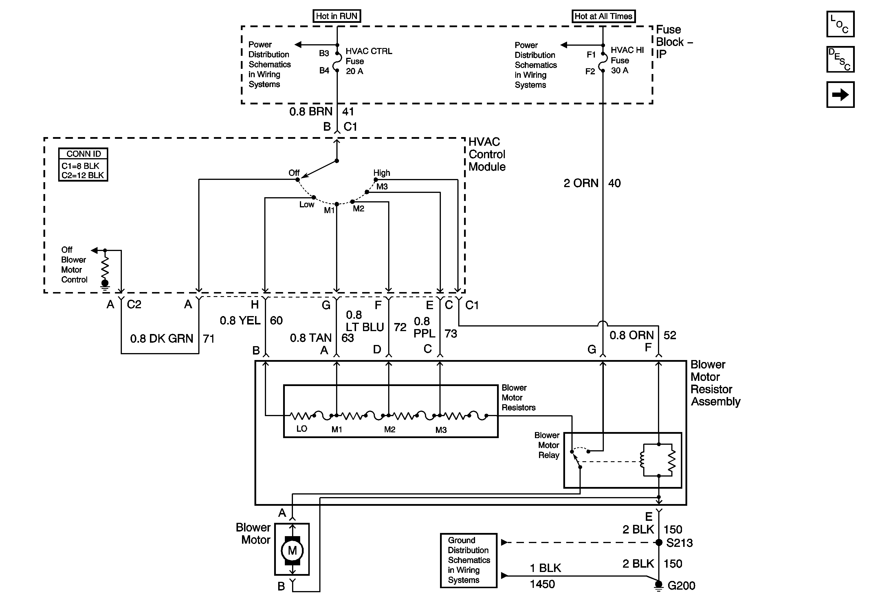
🢒 Blower Motor Controls
Blower Motor Controls
Blower Motor Controls
DIC/HVAC, HVAC CTRL Fuses
HEADLAMPS, HVAC HI, PWR MIR, HAZARD, RAP, PASS-Key® Fuses and HEADLAMP Circuit Breaker
G200, S213, S375
Master Electrical Component List
A/C Compressor Controls