GM Service Manual Online
For 1990-2009 cars only
Makes
🢒
Pontiac
🢒
2001
🢒
Grand Prix
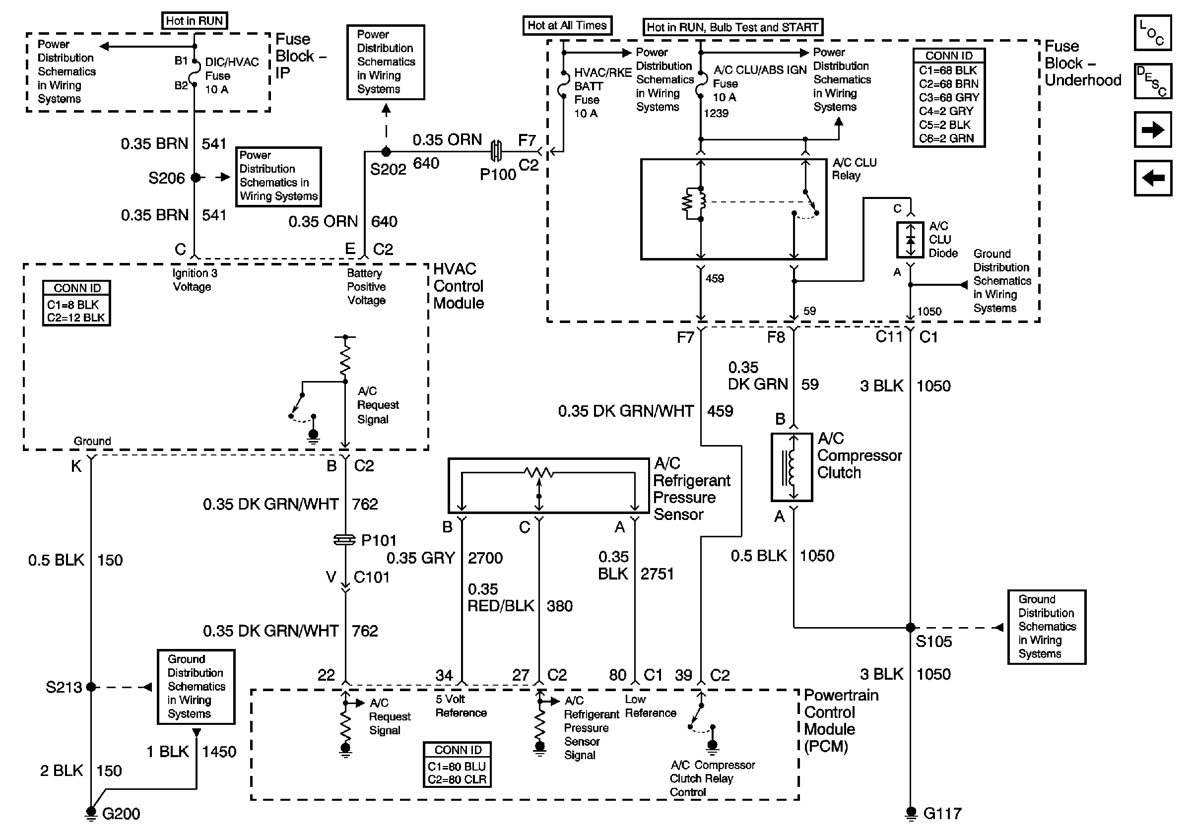
🢒 A/C Compressor Controls
A/C Compressor Controls
A/C Compressor Controls
DIC/HVAC, HVAC CTRL Fuses
DIC/HVAC, HVAC CTRL Fuses
G117
PARK LP, RADIO, and STR WHL ILLUM Fuses
BATT-MAIN 1-2, IGN-MAIN 1-2, HEADLAMPS, PARK LP, RADIO, AIR, ECM SENSE, ALT SENSE, B/U LAMP, COOL FAN 1-2, FUEL PUMP, FOG LP, HORN, INJ, IGN 1-UH, ELEK IGN, TCC,
BATT-MAIN 1-2, IGN-MAIN 1-2, HEADLAMPS, PARK LP, RADIO, AIR, ECM SENSE, ALT SENSE, B/U LAMP, COOL FAN 1-2, FUEL PUMP, FOG LP, HORN, INJ, IGN 1-UH, ELEK IGN, TCC,
G200, S213, S375
G117
Master Electrical Component List
Air Temperature Control
Blower Motor Controls