GM Service Manual Online
For 1990-2009 cars only
Makes
🢒
Pontiac
🢒
2001
🢒
Grand Prix
🢒 Backup Lights
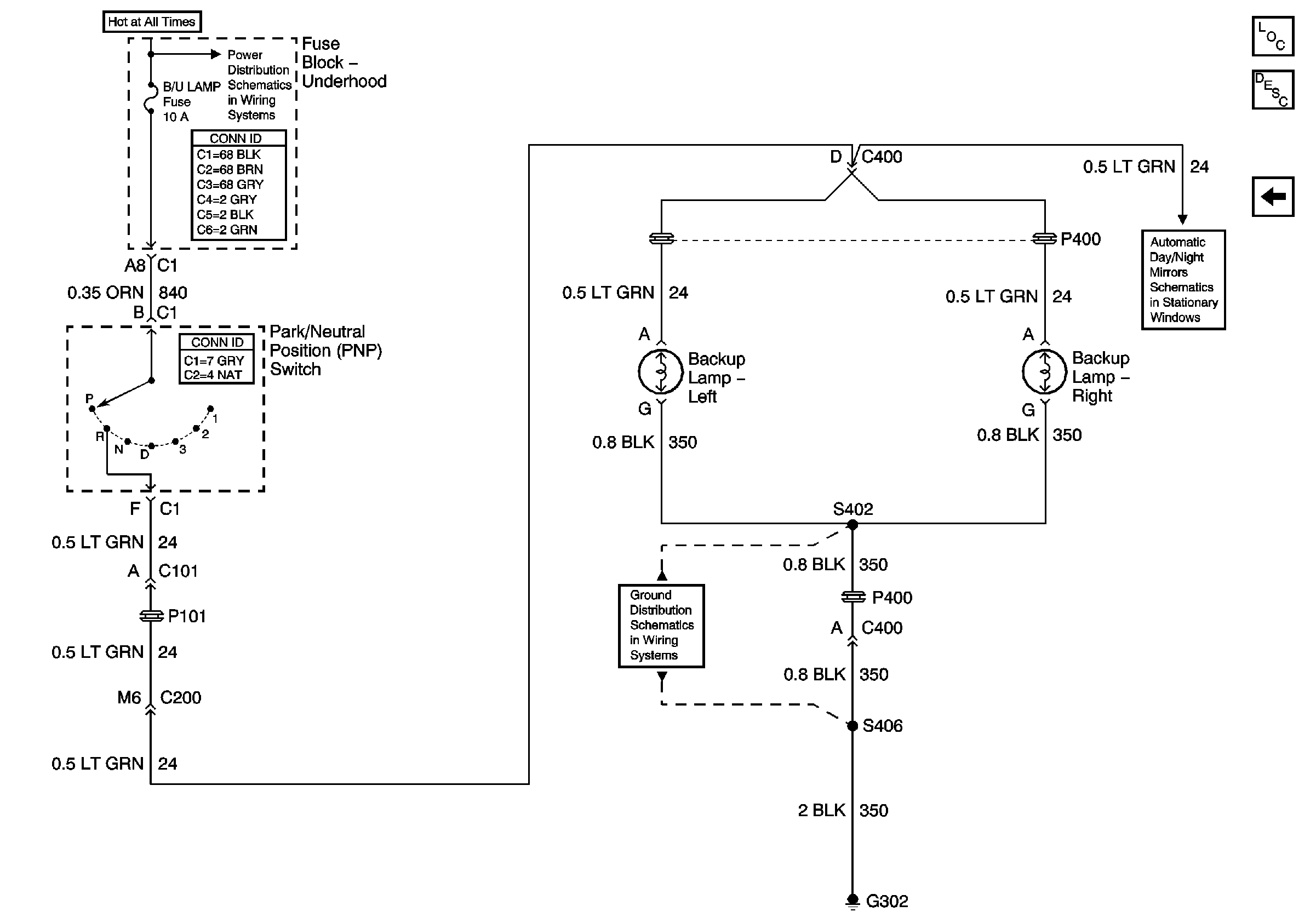
Backup Lights
Backup Lights
Master Electrical Component List
Front Park and Turn Signal Lamps
Automatic Day-Night Mirror
G302, S402, S406, S416
AIR, ECM SENSE, ALT SENSE, B/U LAMP Fuses