GM Service Manual Online
For 1990-2009 cars only
Makes
🢒
Pontiac
🢒
2001
🢒
Grand Prix
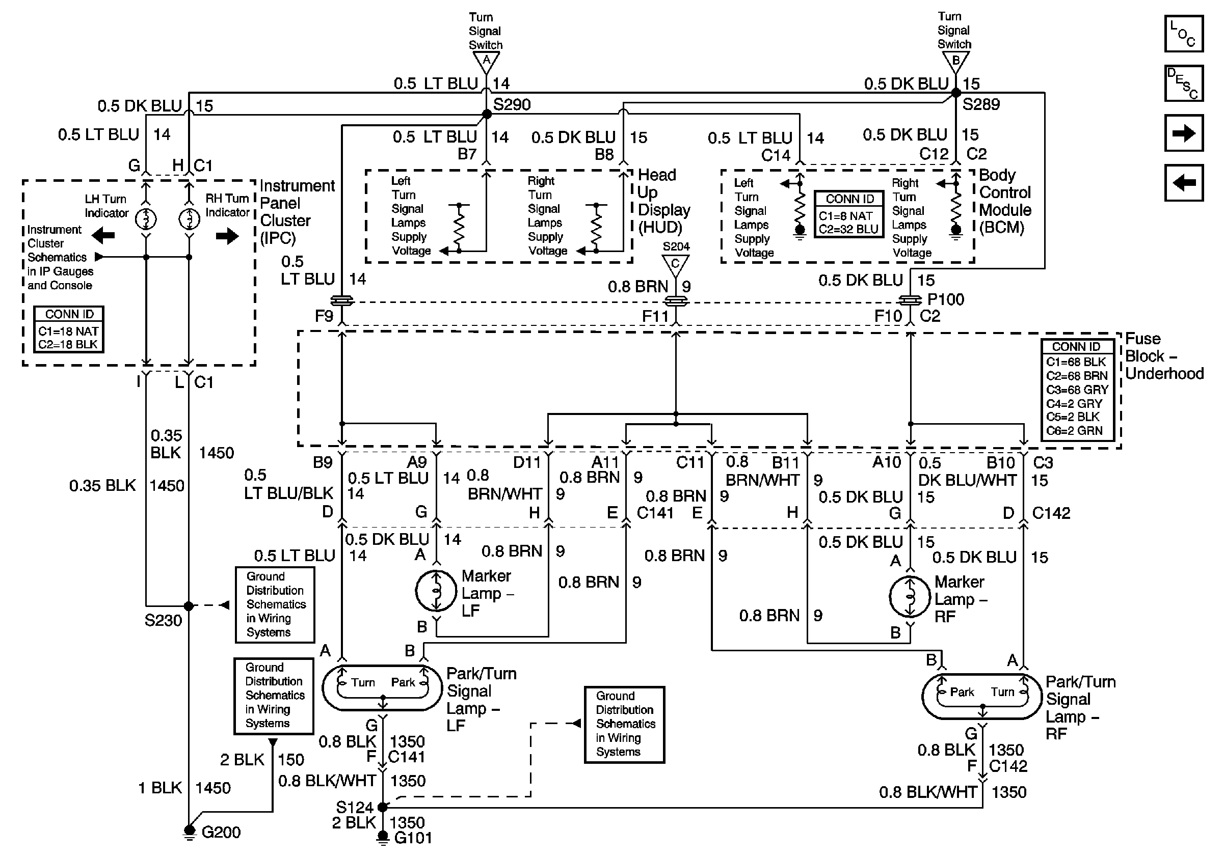
🢒 Front Park and Turn Signal Lamps
Front Park and Turn Signal Lamps
Front Park and Turn Signal Lamps
Master Electrical Component List
Backup Lights
Park Lamps Rear
Rear Turn Signals and Stop Lamps
Rear Turn Signals and Stop Lamps
Park Lamps Rear
G302, S402, S406, S416
G200, S213, S375
G200, S230
Power and Ground
G101