GM Service Manual Online
For 1990-2009 cars only
Makes
🢒
Pontiac
🢒
2002
🢒
Grand Prix
🢒
Body and Accessories
🢒
Body Control System
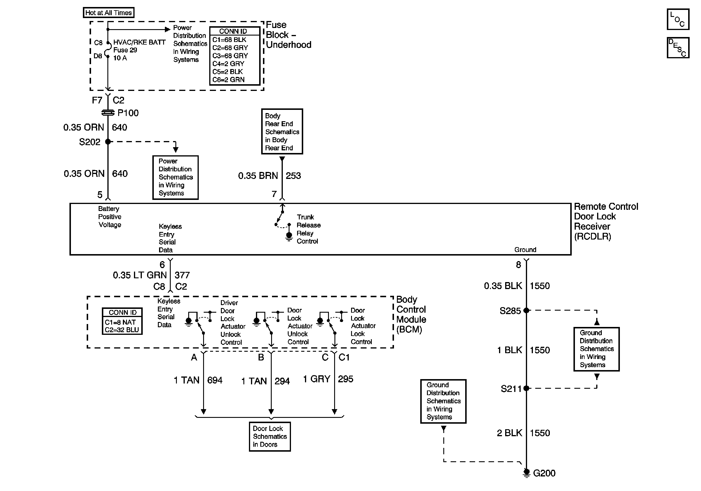
🢒 Keyless Entry Schematics
Master Electrical Component List
Keyless Entry System Description and Operation
PARK LP, RADIO, and STR WHL ILLUM Fuses
Body Rear End
PARK LP, RADIO, and STR WHL ILLUM Fuses
Door Lock Actuators
G200, S213, S375
G200, S211, S285