GM Service Manual Online
For 1990-2009 cars only
Makes
🢒
Pontiac
🢒
2002
🢒
Grand Prix
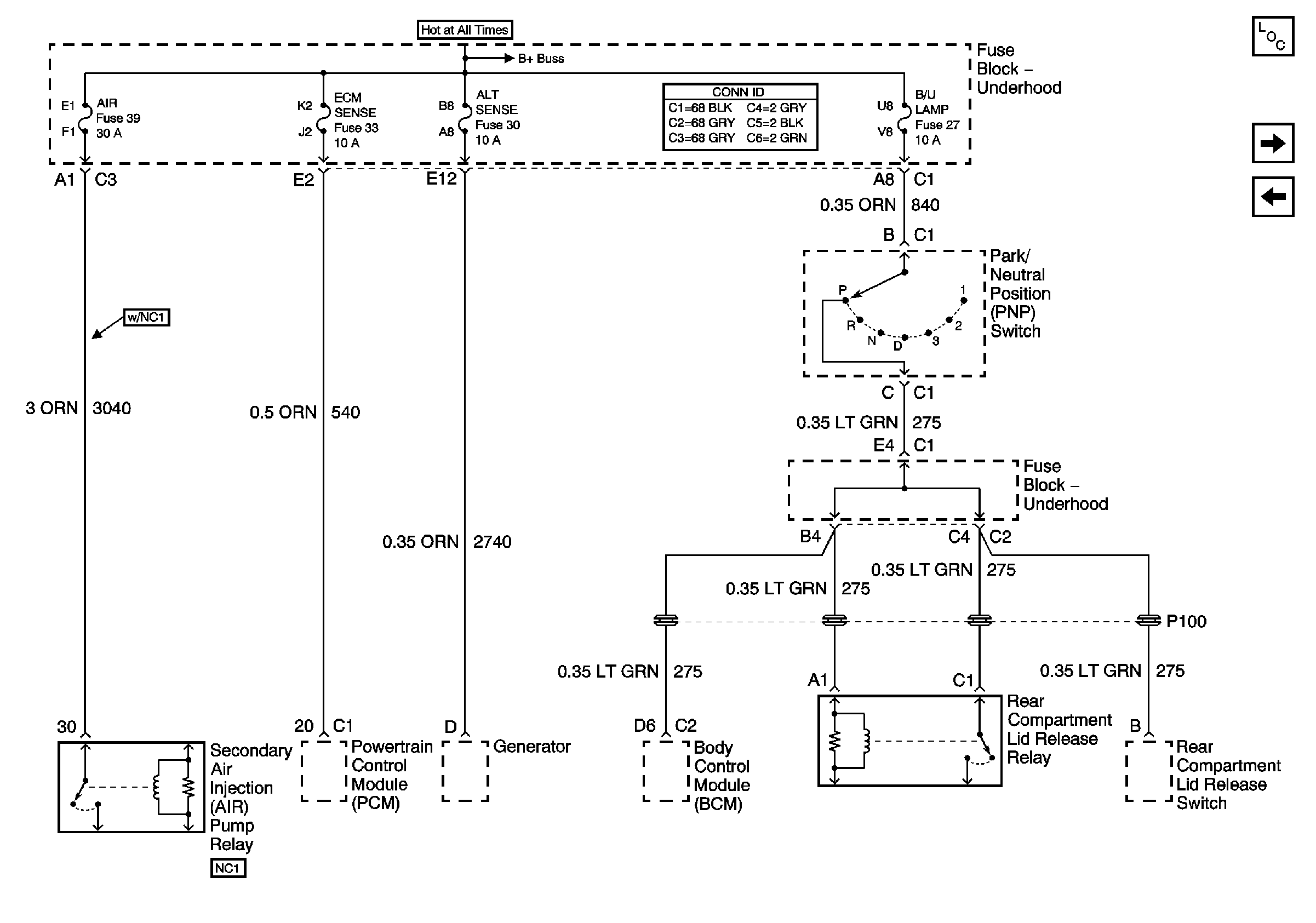
🢒 AIR, ECM SENSE, ALT SENSE, B/U LAMP Fuses
AIR, ECM SENSE, ALT SENSE, B/U LAMP Fuses
AIR, ECM SENSE, ALT SENSE, B/U LAMP Fuses
BATT-MAIN 1-2, IGN-MAIN 1-2, HEADLAMPS, PARK LP, RADIO, AIR, ECM SENSE, ALT SENSE, B/U LAMP, COOL FAN 1-2, FUEL PUMP, FOG LP, HORN, INJ, IGN 1-UH, ELEK IGN, TCC,
Master Electrical Component List
INJ Fuse and S109
PARK LP, RADIO, and STR WHL ILLUM Fuses