GM Service Manual Online
For 1990-2009 cars only
Makes
🢒
Pontiac
🢒
2002
🢒
Grand Prix
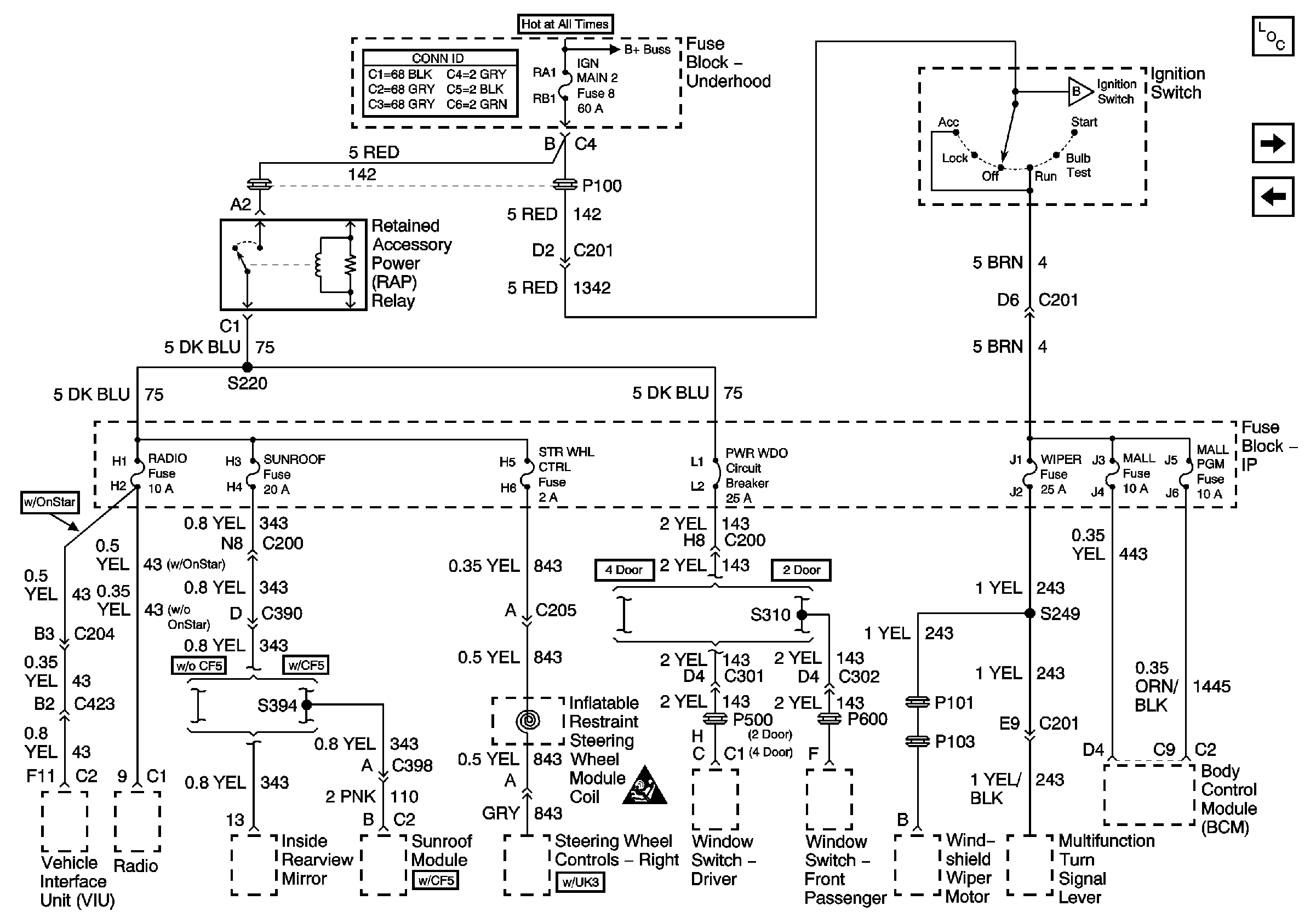
🢒 IGN-MAIN 2, RADIO, SUNROOF, STR WHL CTRL, PWR WDO, WIPER, MALL, MALL PGM Fuses
IGN-MAIN 2, RADIO, SUNROOF, STR WHL CTRL, PWR WDO, WIPER, MALL, MALL PGM Fuses
IGN-MAIN 2, RADIO, SUNROOF, STR WHL CTRL, WIPER, MALL, MALL PGM Fuses, and PWR WDO Circuit Breaker
Master Electrical Component List
DIC/HVAC, HVAC CTRL Fuses
IP-IGN, CRUISE, ECM Fuses
BATT-MAIN 1-2, IGN-MAIN 1-2, HEADLAMPS, PARK LP, RADIO, AIR, ECM SENSE, ALT SENSE, B/U LAMP, COOL FAN 1-2, FUEL PUMP, FOG LP, HORN, INJ, IGN 1-UH, ELEK IGN, TCC,
DIC/HVAC, HVAC CTRL Fuses
SIR Handling Caution