GM Service Manual Online
For 1990-2009 cars only
Makes
🢒
Pontiac
🢒
2002
🢒
Grand Prix
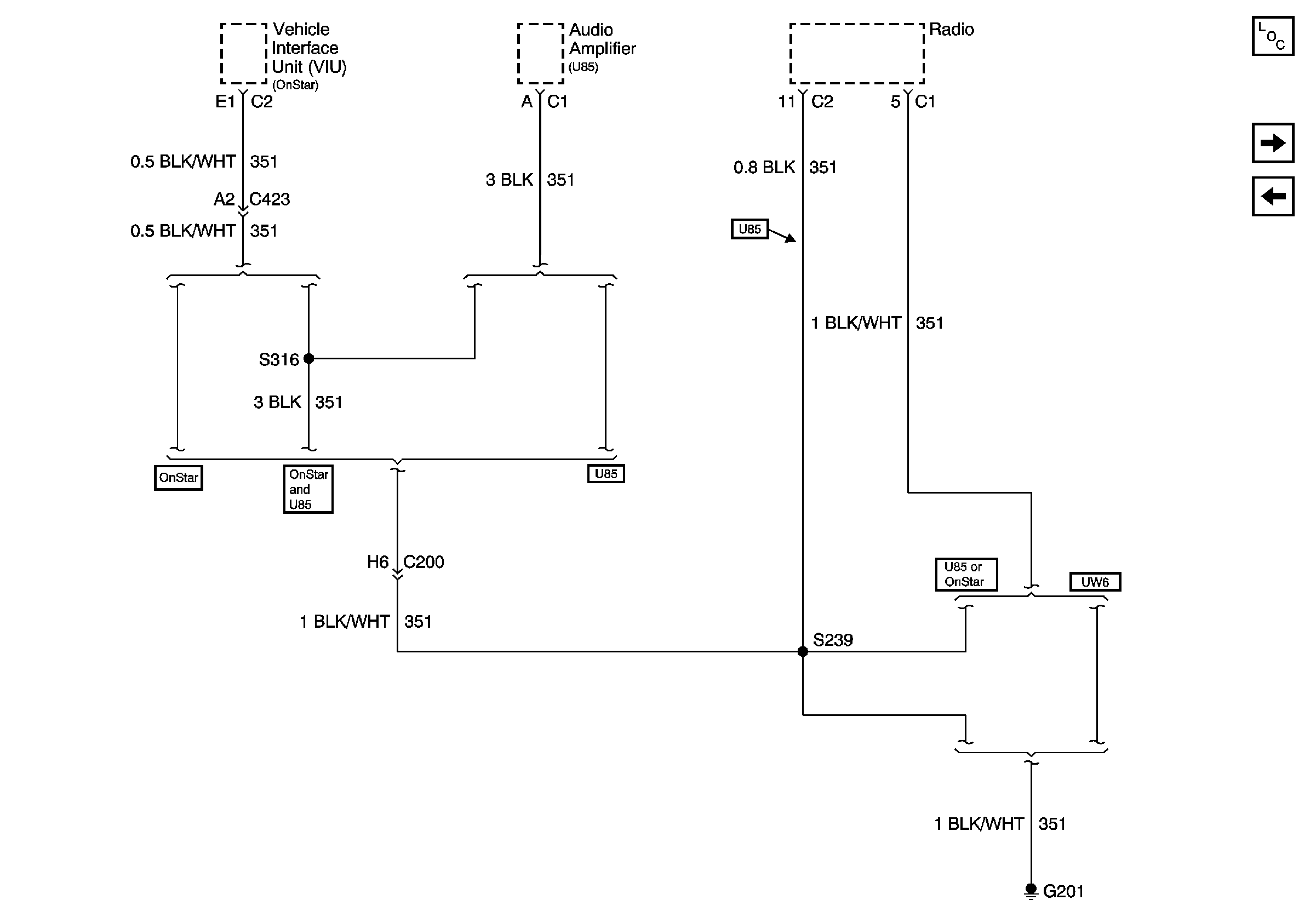
🢒 G201
G201
G201
Master Electrical Component List
G205
G200, S211, S285