GM Service Manual Online
For 1990-2009 cars only
Makes
🢒
Pontiac
🢒
2002
🢒
Grand Prix
🢒 Data Link Communications
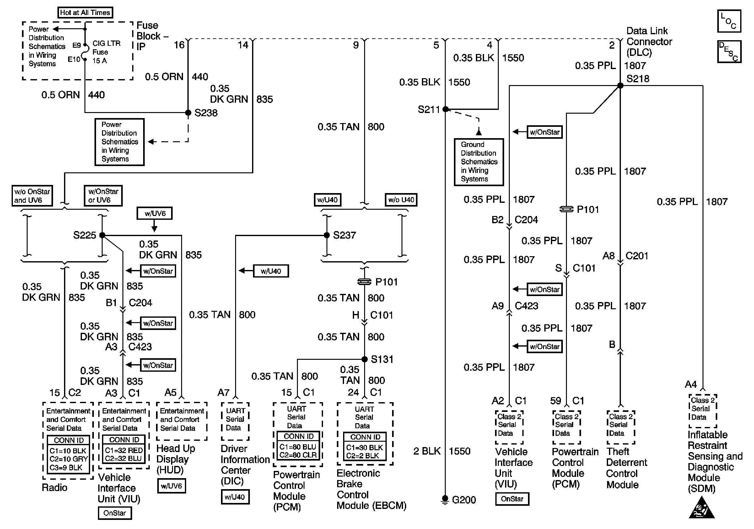
Data Link Communications
Master Electrical Component List
Data Link Communications Description and Operation
BATT-MAIN 1, ONSTAR, STOP LAMP, INT LAMP, CIG LTR Fuses
BATT-MAIN 1, ONSTAR, STOP LAMP, INT LAMP, CIG LTR Fuses
G200, S211, S285
Data Link Communications Schematic Icons