GM Service Manual Online
For 1990-2009 cars only
Makes
🢒
Pontiac
🢒
2002
🢒
Grand Prix
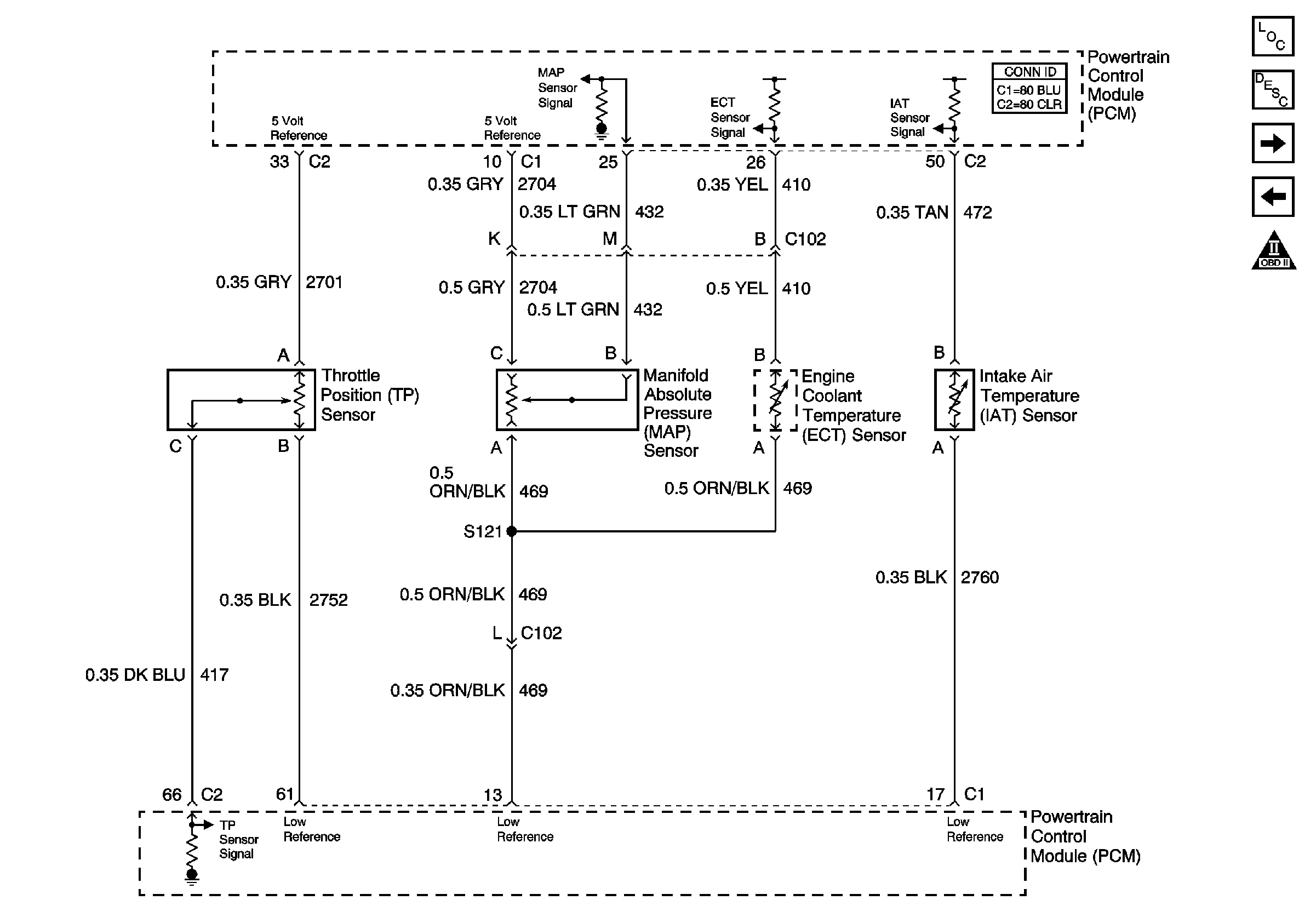
🢒 TP, MAP, ECT, and IAT Sensors
TP, MAP, ECT, and IAT Sensors
TP, MAP, ECT, and IAT Sensors
Master Electrical Component List
Powertrain Control Module Description
MAF Sensor and A/T Controls VSS Reference
5 Volt and Low Reference Bussing
OBD II Symbol Description Notice