GM Service Manual Online
For 1990-2009 cars only
Makes
🢒
Pontiac
🢒
2002
🢒
Grand Prix
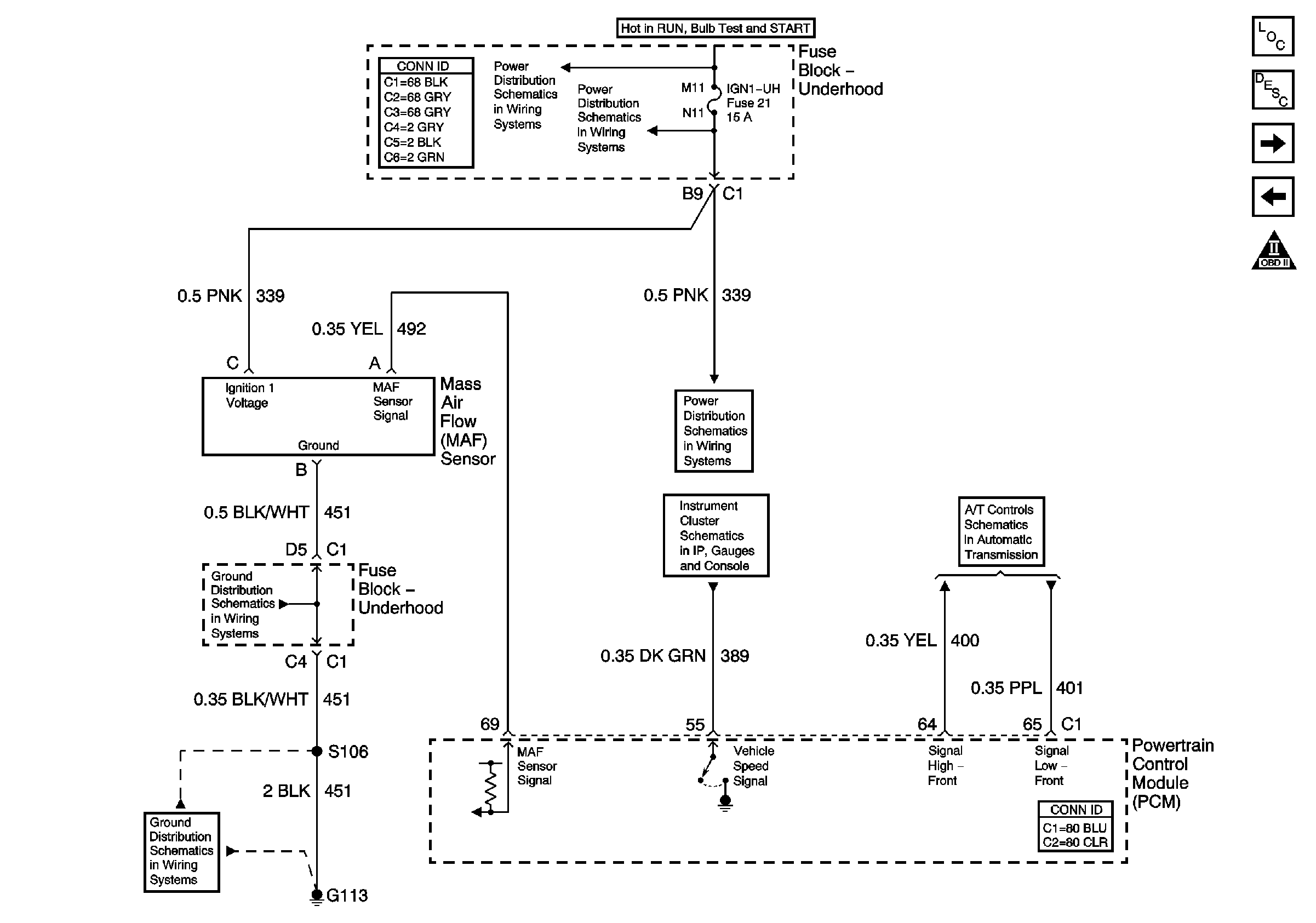
🢒 MAF Sensor and A/T Controls VSS Reference
MAF Sensor and A/T Controls VSS Reference
MAF Sensor and A/T Controls VSS Reference
Master Electrical Component List
Powertrain Control Module Description
Heated Oxygen Sensors
TP, MAP, ECT, and IAT Sensors
OBD II Symbol Description Notice
BATT-MAIN 1-2, IGN-MAIN 1-2, HEADLAMPS, PARK LP, RADIO, AIR, ECM SENSE, ALT SENSE, B/U LAMP, COOL FAN 1-2, FUEL PUMP, FOG LP, HORN, INJ, IGN 1-UH, ELEK IGN, TCC,
IGN 1-UH Fuse
IGN 1-UH Fuse
Gauges
VSS and ISS Sensors, Pressure Control Solenoid Valve, TCC Release Switch, and Fluid Pressure Switches
G100, G111, G113
G100, G111, G113