GM Service Manual Online
For 1990-2009 cars only
Makes
🢒
Pontiac
🢒
2002
🢒
Grand Prix
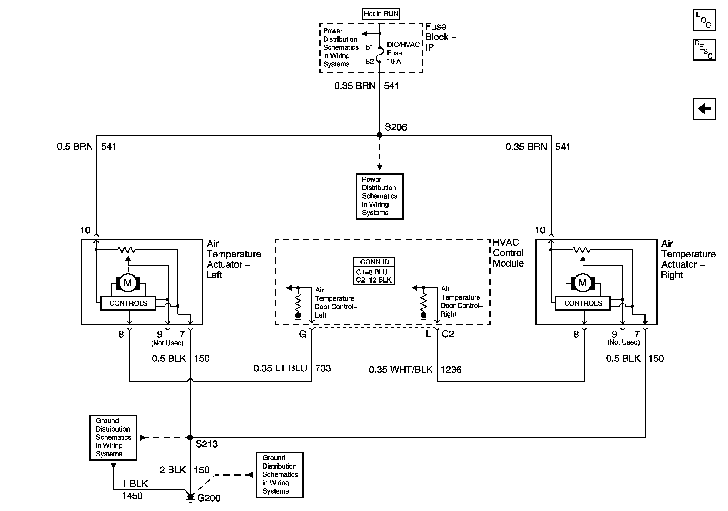
🢒 Air Temperature Control
Air Temperature Control
Air Temperature Control
Master Electrical Component List
Air Temperature Description and Operation
A/C Compressor Controls
DIC/HVAC, HVAC CTRL Fuses
DIC/HVAC, HVAC CTRL Fuses
G200, S213, S375
G200, S211, S285