GM Service Manual Online
For 1990-2009 cars only
Makes
🢒
Pontiac
🢒
2002
🢒
Grand Prix
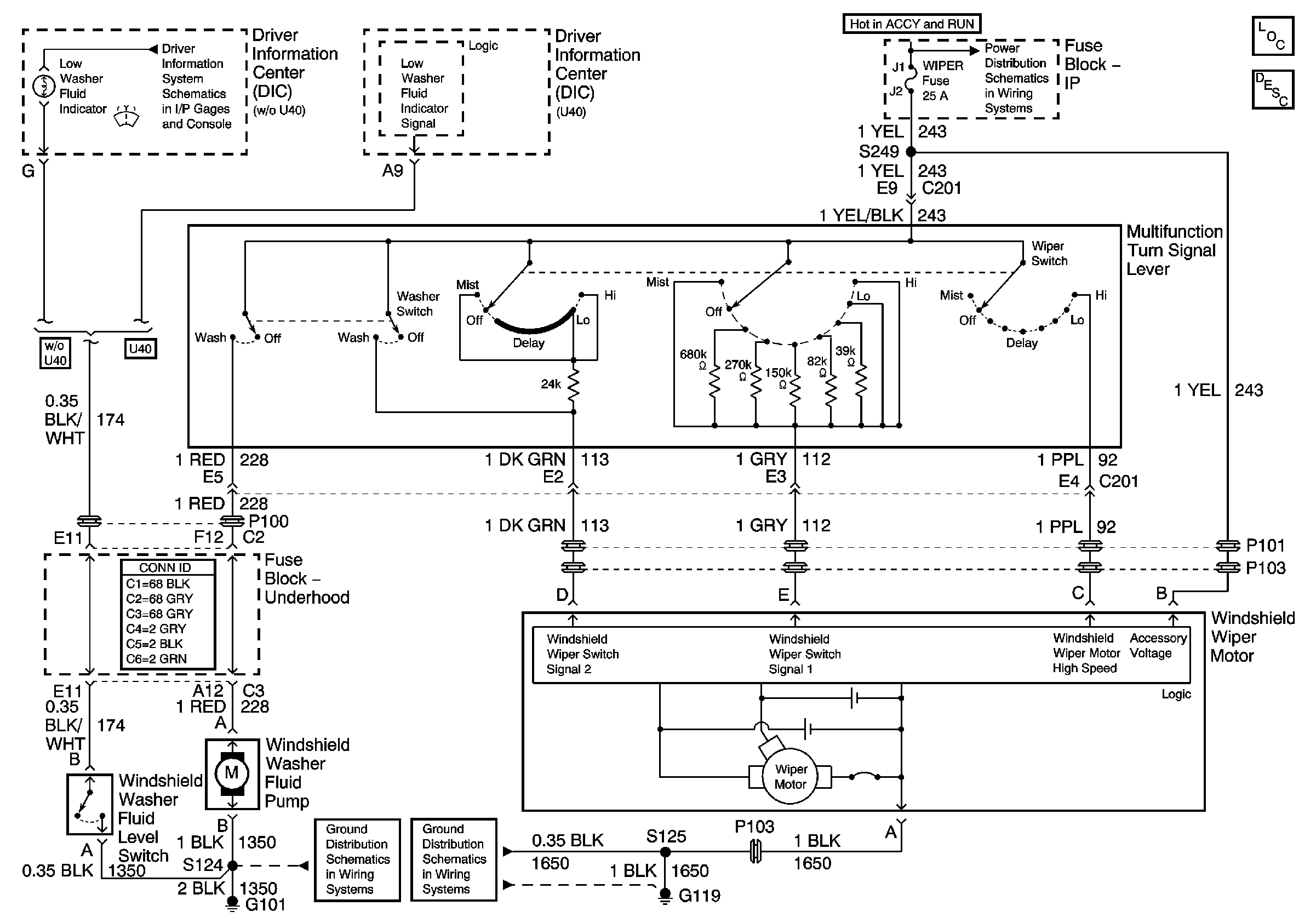
🢒 Wiper/Washer System
Wiper/Washer System
Master Electrical Component List
Wiper/Washer System Description and Operation
IGN-MAIN 2, RADIO, SUNROOF, STR WHL CTRL, PWR WDO, WIPER, MALL, MALL PGM Fuses
Driver Information Center (DIC) (W/O U40)
G101
G119