GM Service Manual Online
For 1990-2009 cars only
Makes
🢒
Pontiac
🢒
2002
🢒
Grand Prix
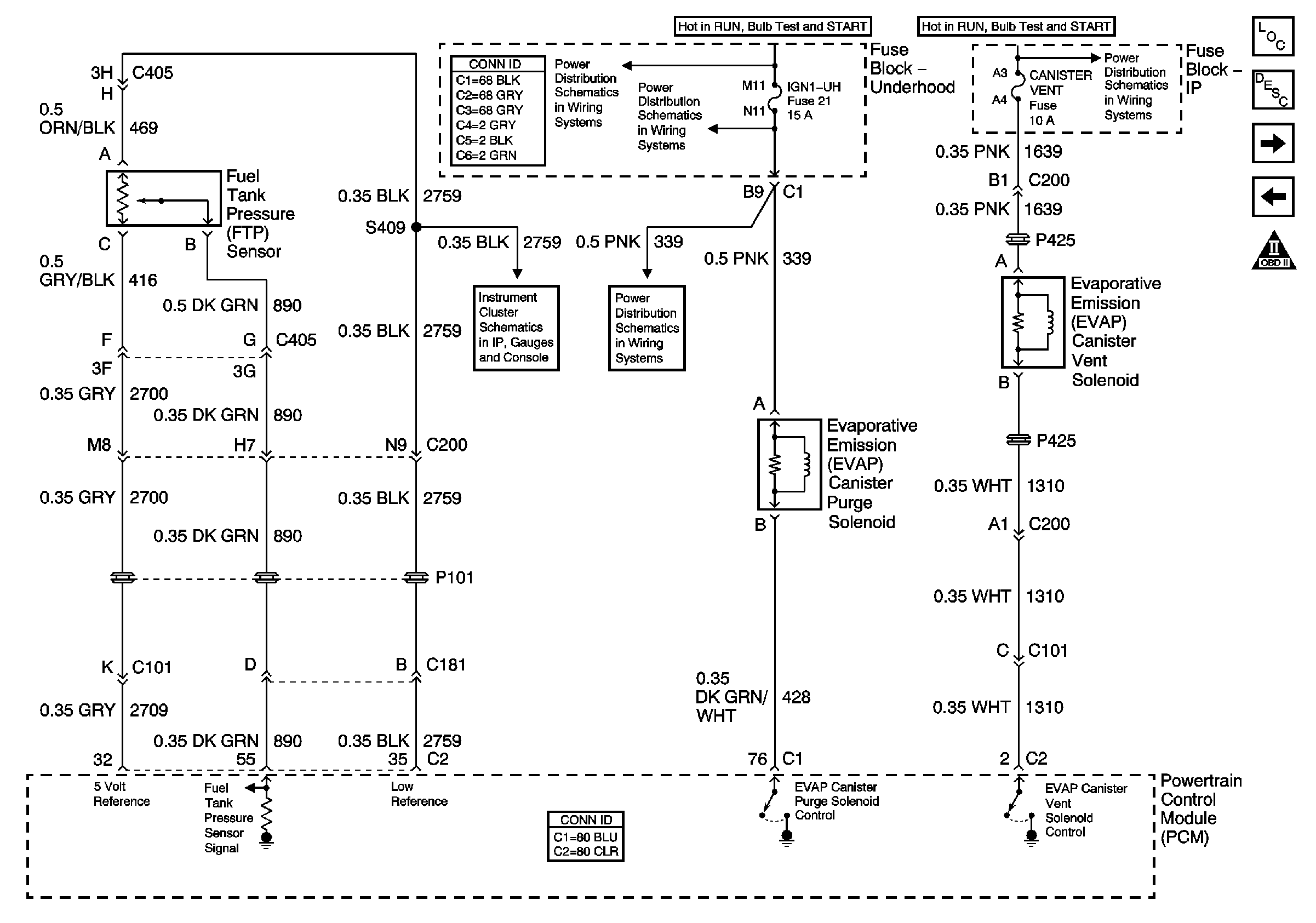
🢒 EVAP Controls and Fuel Tank Pressure (FTP) Sensor
EVAP Controls and Fuel Tank Pressure (FTP) Sensor
EVAP Controls and Fuel Tank Pressure (FTP) Sensor
Master Electrical Component List
Evaporative Emission Control System Description
Secondary Air Injection, Idle Air Control Valve
Fuel Injectors
OBD II Symbol Description Notice
BATT-MAIN 1-2, IGN-MAIN 1-2, HEADLAMPS, PARK LP, RADIO, AIR, ECM SENSE, ALT SENSE, B/U LAMP, COOL FAN 1-2, FUEL PUMP, FOG LP, HORN, INJ, IGN 1-UH, ELEK IGN, TCC,
IGN 1-UH Fuse
IGN MAIN 1, BTSI, DRL, CANISTER VENT, PWR DROP, TURN, SIR Fuses
Gauges
IGN 1-UH Fuse