GM Service Manual Online
For 1990-2009 cars only
Makes
🢒
Pontiac
🢒
2002
🢒
Grand Prix
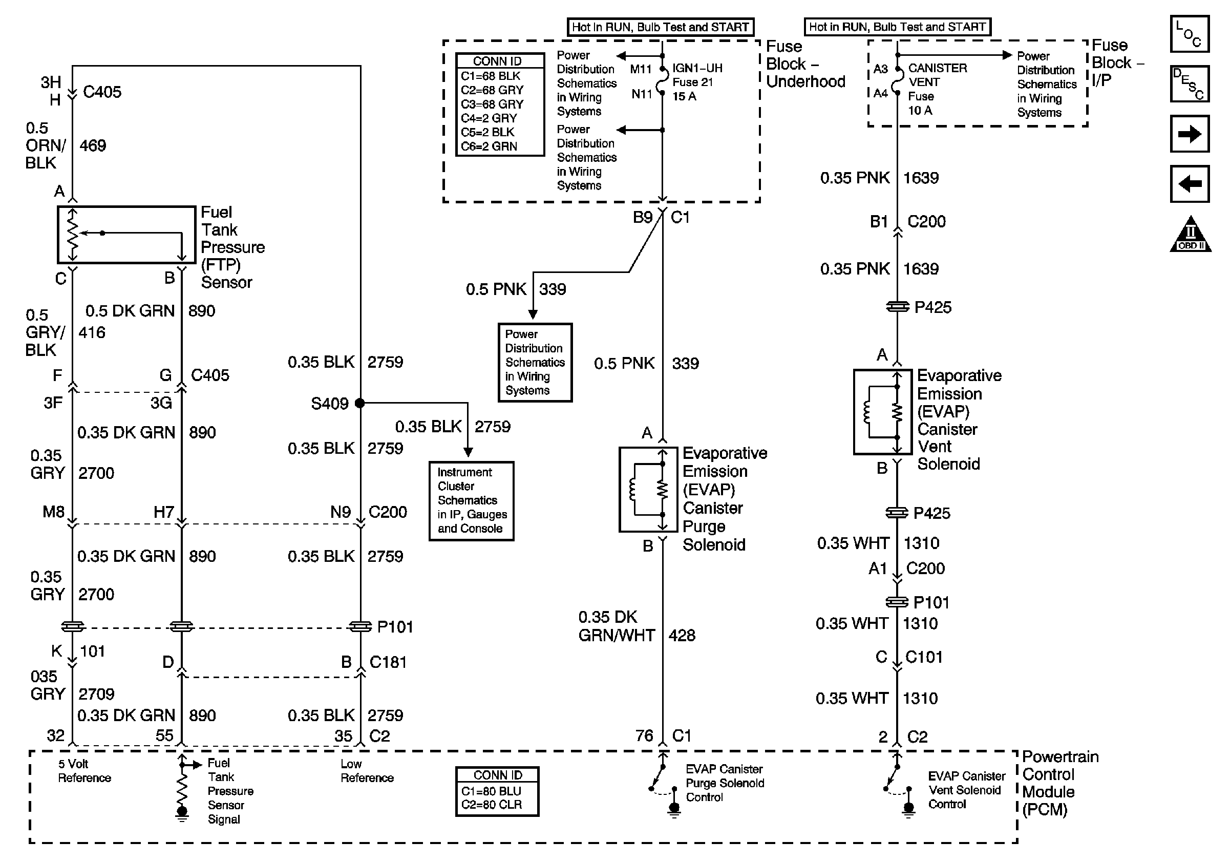
🢒 EVAP and FTP Sensor
EVAP and FTP Sensor
EVAP and FTP Sensor
Master Electrical Component List
Evaporative Emission Control System Description
Secondary Air Injection, and Supercharger Boost Control Solenoid
Fuel Injectors
OBD II Symbol Description Notice
BATT-MAIN 1-2, IGN-MAIN 1-2, HEADLAMPS, PARK LP, RADIO, AIR, ECM SENSE, ALT SENSE, B/U LAMP, COOL FAN 1-2, FUEL PUMP, FOG LP, HORN, INJ, IGN 1-UH, ELEK IGN, TCC,
IGN 1-UH Fuse
IGN MAIN 1, BTSI, DRL, CANISTER VENT, PWR DROP, TURN, SIR Fuses
IGN 1-UH Fuse
Gauges