GM Service Manual Online
For 1990-2009 cars only
Makes
🢒
Pontiac
🢒
2003
🢒
Grand Prix
🢒
Body and Accessories
🢒
Seats
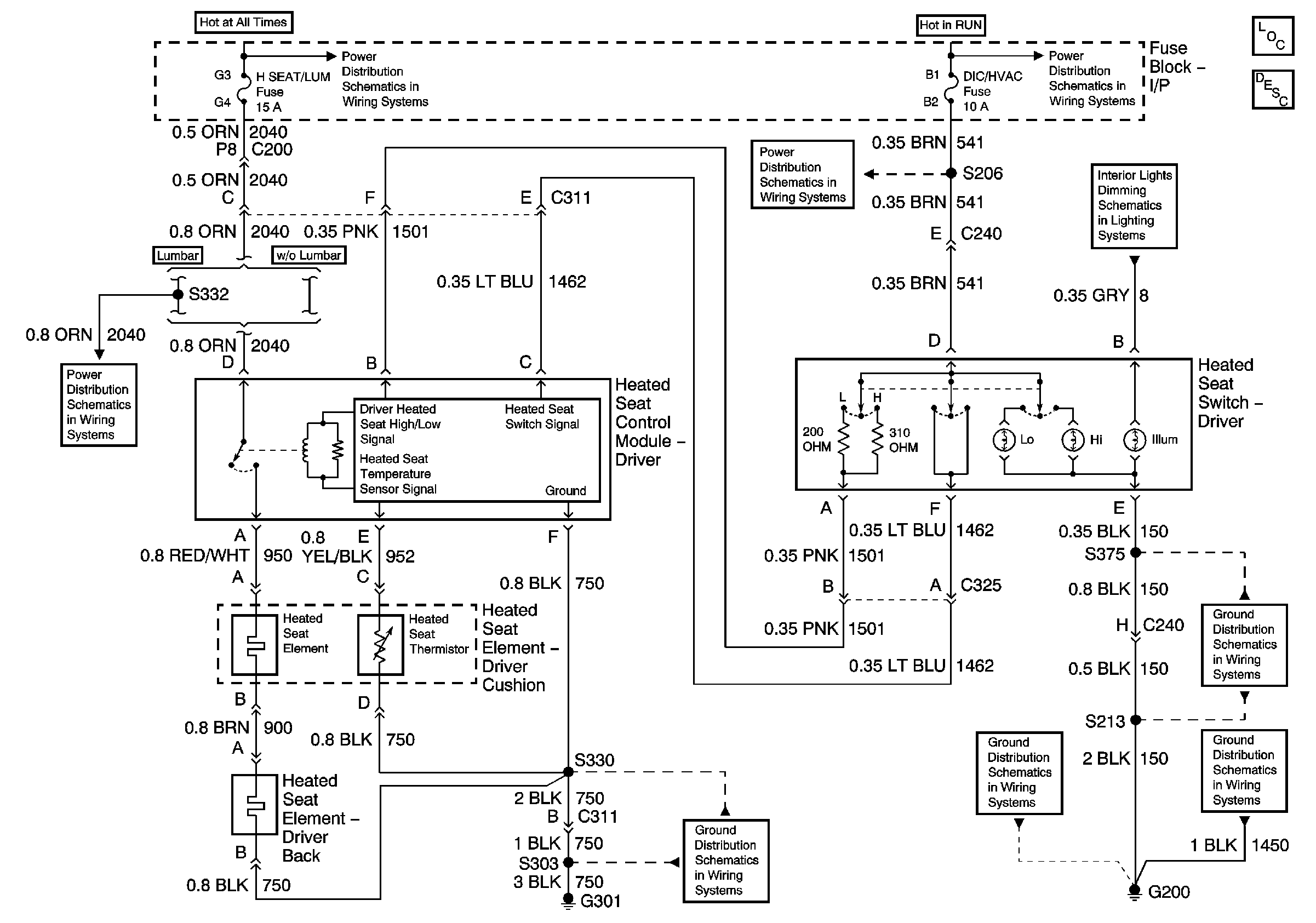
🢒 Heated Seats Schematics
Master Electrical Component List
Heated Seats Description and Operation
BATT MAIN 2, R DEFOG, H SEAT/LUM, PWR LOCK, RADIO AMP Fuses and SEAT Circuit Breaker
DIC/HVAC, and HVAC CTRL Fuses
BATT MAIN 2, R DEFOG, H SEAT/LUM, PWR LOCK, RADIO AMP Fuses and SEAT Circuit Breaker
DIC/HVAC, and HVAC CTRL Fuses
Instrument Panel Lighting Continued
G301
G200, S211, S285
G200, G213, S375
G200, S230