GM Service Manual Online
For 1990-2009 cars only
Makes
🢒
Pontiac
🢒
2003
🢒
Grand Prix
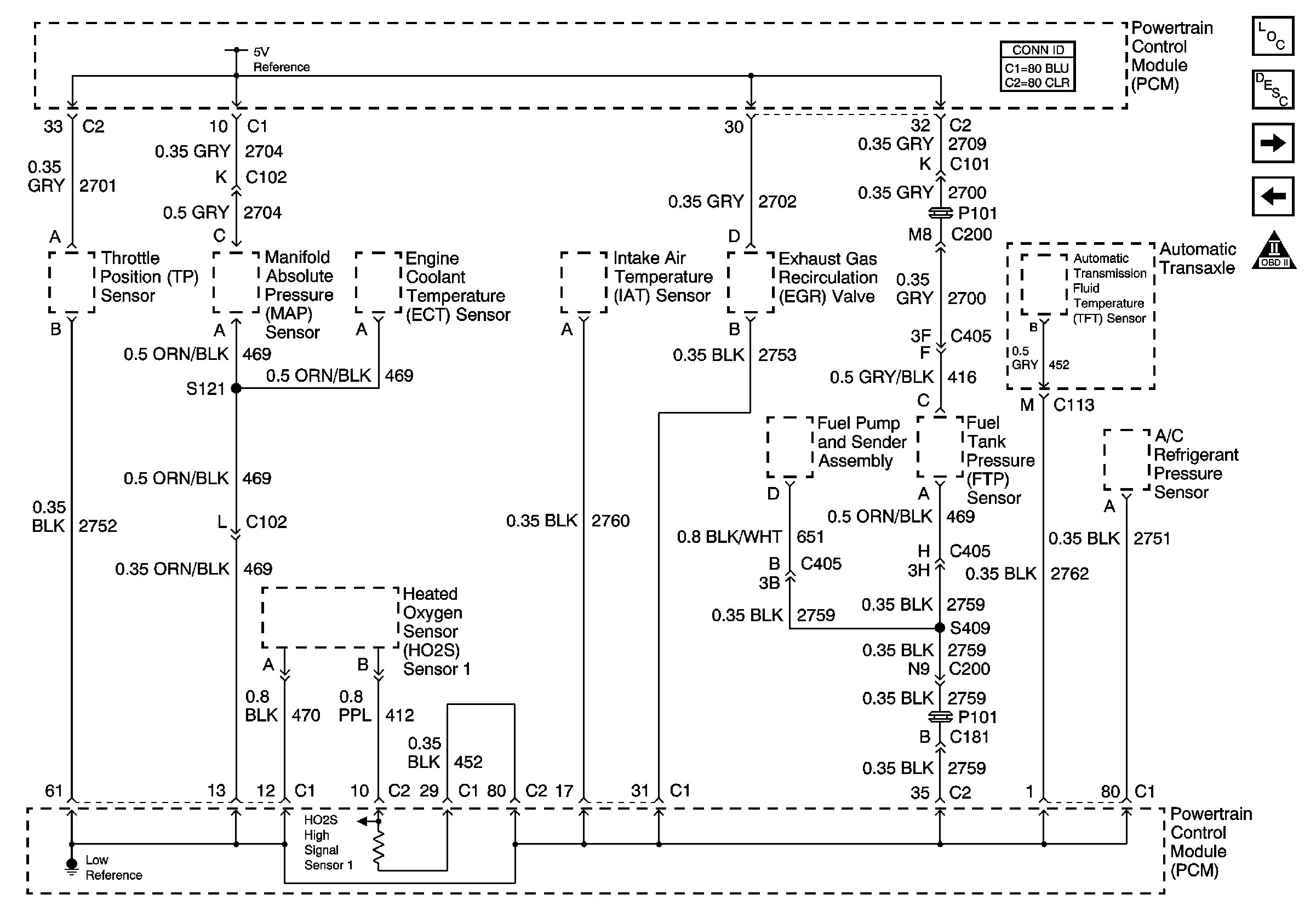
🢒 5 Volt and Low Reference Bussing
5 Volt and Low Reference Bussing
5 Volt and Low Reference Bussing
Master Electrical Component List
Powertrain Control Module Description
TP, MAP, ECT, and IAT Sensors
PCM Power, Ground, Serial Data, and MIL
OBD II Symbol Description Notice