GM Service Manual Online
For 1990-2009 cars only
Makes
🢒
Pontiac
🢒
2003
🢒
Grand Prix
🢒 Automatic Day-Night Mirrors
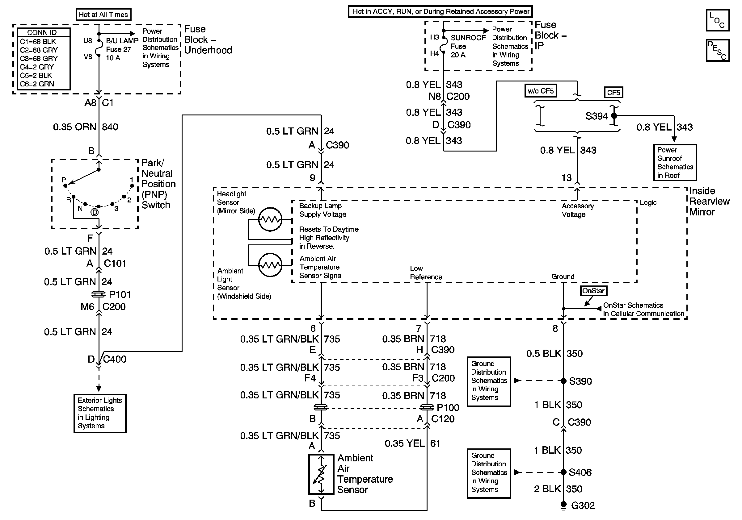
Automatic Day-Night Mirrors
Master Electrical Component List
Automatic Day-Night Mirror Description and Operation
AIR, ECM SENSE, ALT SENSE, and B/U Lamp Fuses
Backup Lights
Power Sunroof
IGN MAIN 2, RADIO, SUNROOF, STR WHL CTRL, WIPER, MALL, MALL PGM Fuses, and PWR WDO Circuit Breaker
G302, S390, S604
G302, S402, S406, S416