GM Service Manual Online
For 1990-2009 cars only
Makes
🢒
Pontiac
🢒
2003
🢒
Grand Prix
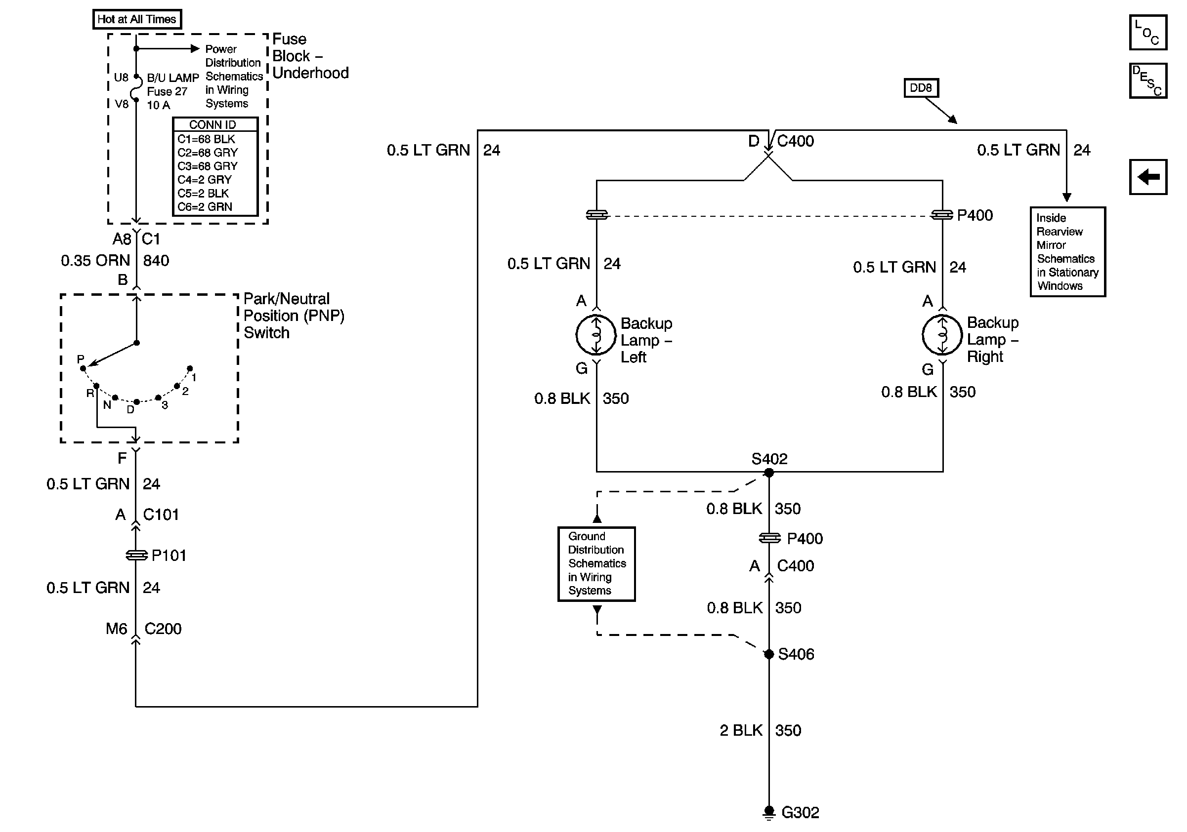
🢒 Backup Lights
Backup Lights
Backup Lights
Master Electrical Component List
Exterior Lighting Systems Description and Operation
Front Park and Turn Signal Lamps
AIR, ECM SENSE, ALT SENSE, and B/U Lamp Fuses
Automatic Day-Night Mirrors
G302, S402, S406, S416