GM Service Manual Online
For 1990-2009 cars only
Makes
🢒
Pontiac
🢒
2003
🢒
Grand Prix
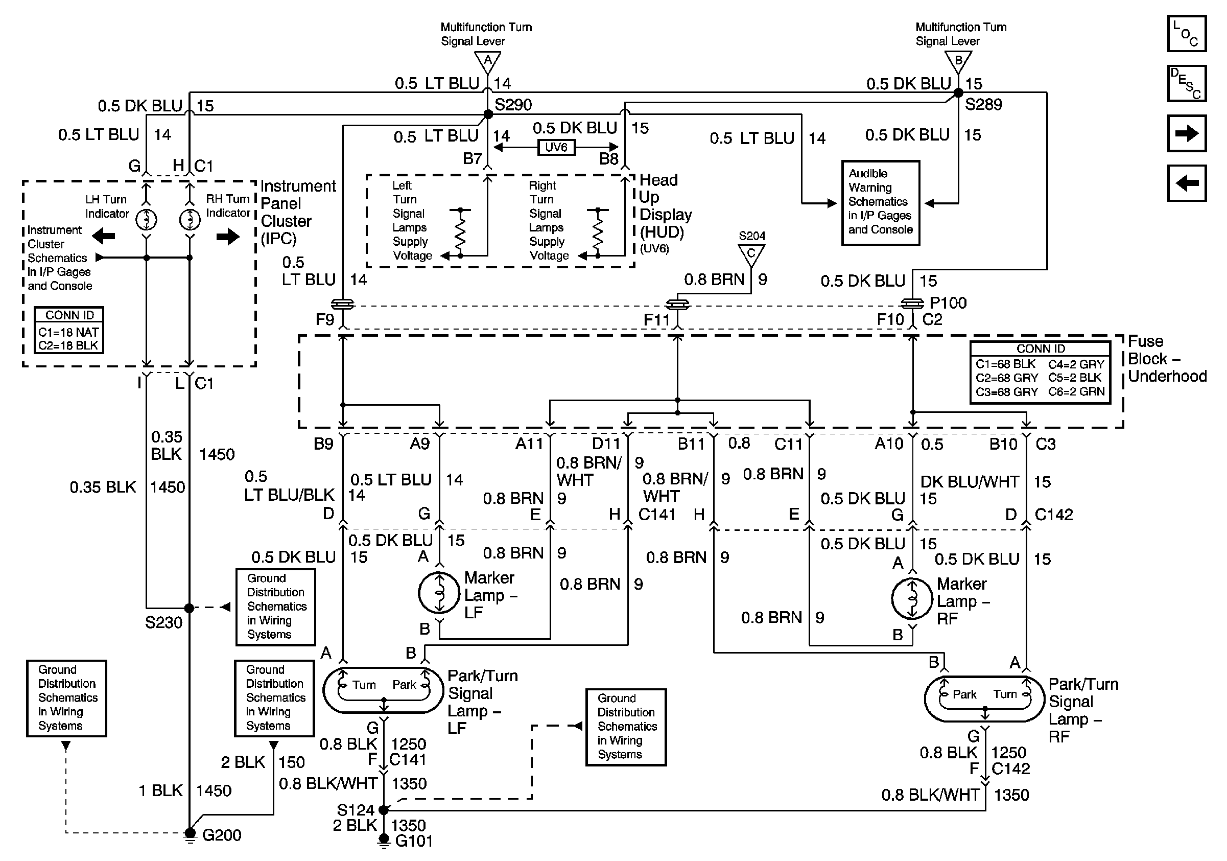
🢒 Front Park and Turn Signal Lamps
Front Park and Turn Signal Lamps
Front Park and Turn Signal Lamps
Master Electrical Component List
Exterior Lighting Systems Description and Operation
Backup Lights
Park Lamps Rear
Rear Turn Signals and Stop Lamps
Rear Turn Signals and Stop Lamps
Power, Ground, Illumination, and Seat belt, Turn Signal, Hi Beam Indicators
Park Lamps Rear
Audible Warning
G200, S230
G200, S211, S285
G200, G213, S375
G101