GM Service Manual Online
For 1990-2009 cars only
Makes
🢒
Pontiac
🢒
2004
🢒
Grand Prix
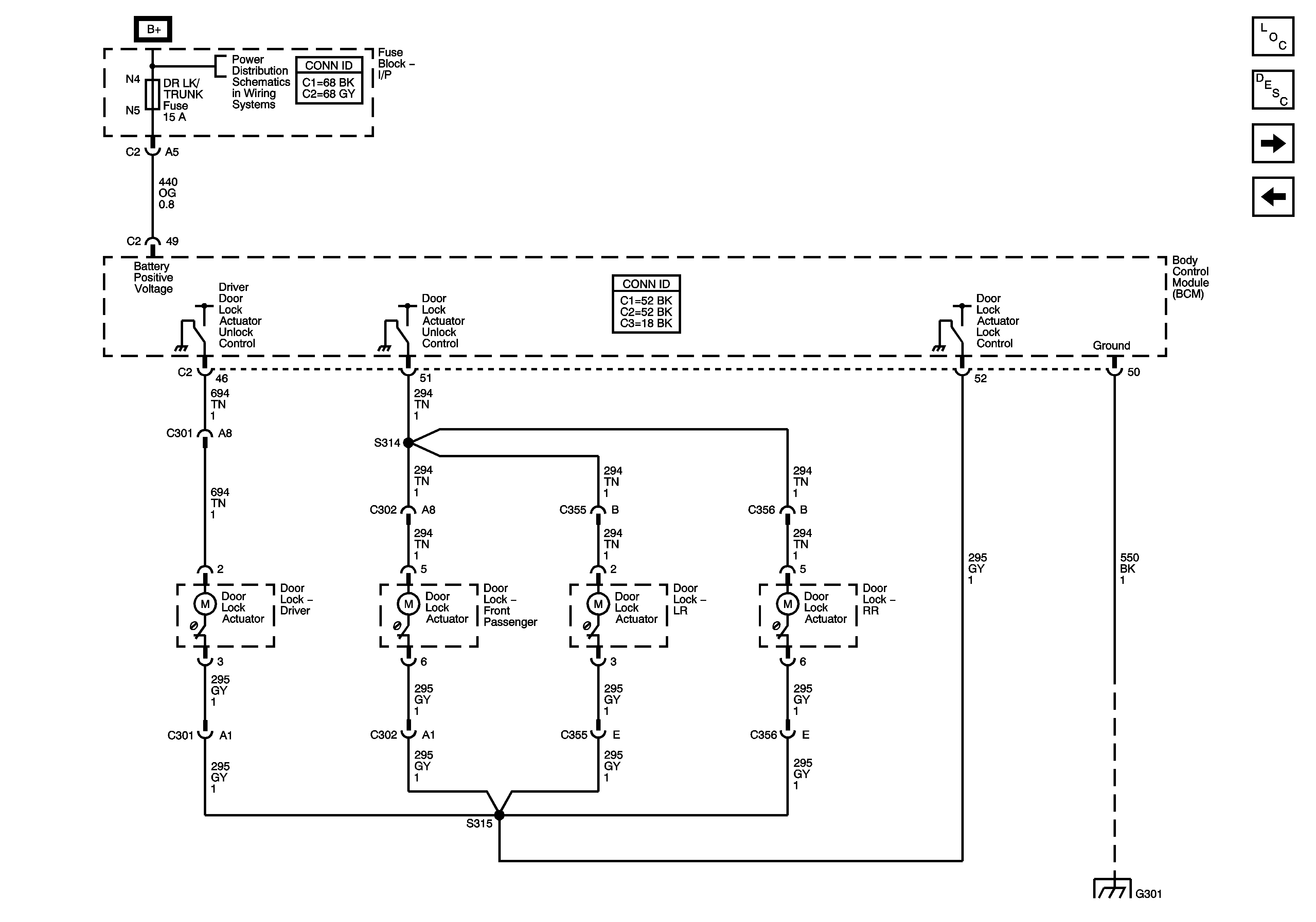
🢒 Door Lock Actuators
Door Lock Actuators
Door Lock Actuators
Master Electrical Component List
Power Door Locks Description and Operation
Door Ajar Indicators
Door Lock Switches
BATT MAIN 2, HTD SEAT, PWR MIRS, TURN/HAZ, DR LK/TRUNK, SUNROOF Fuses, PWR SEAT, PWR WDO Circuit Breakers, and RAP Relay
BATT MAIN 2, HTD SEAT, PWR MIRS, TURN/HAZ, DR LK/TRUNK, SUNROOF Fuses, PWR SEAT, PWR WDO Circuit Breakers, and RAP Relay
G301