GM Service Manual Online
For 1990-2009 cars only
Makes
🢒
Pontiac
🢒
2004
🢒
Grand Prix
🢒 Vehicle Theft Deterrent
Vehicle Theft Deterrent
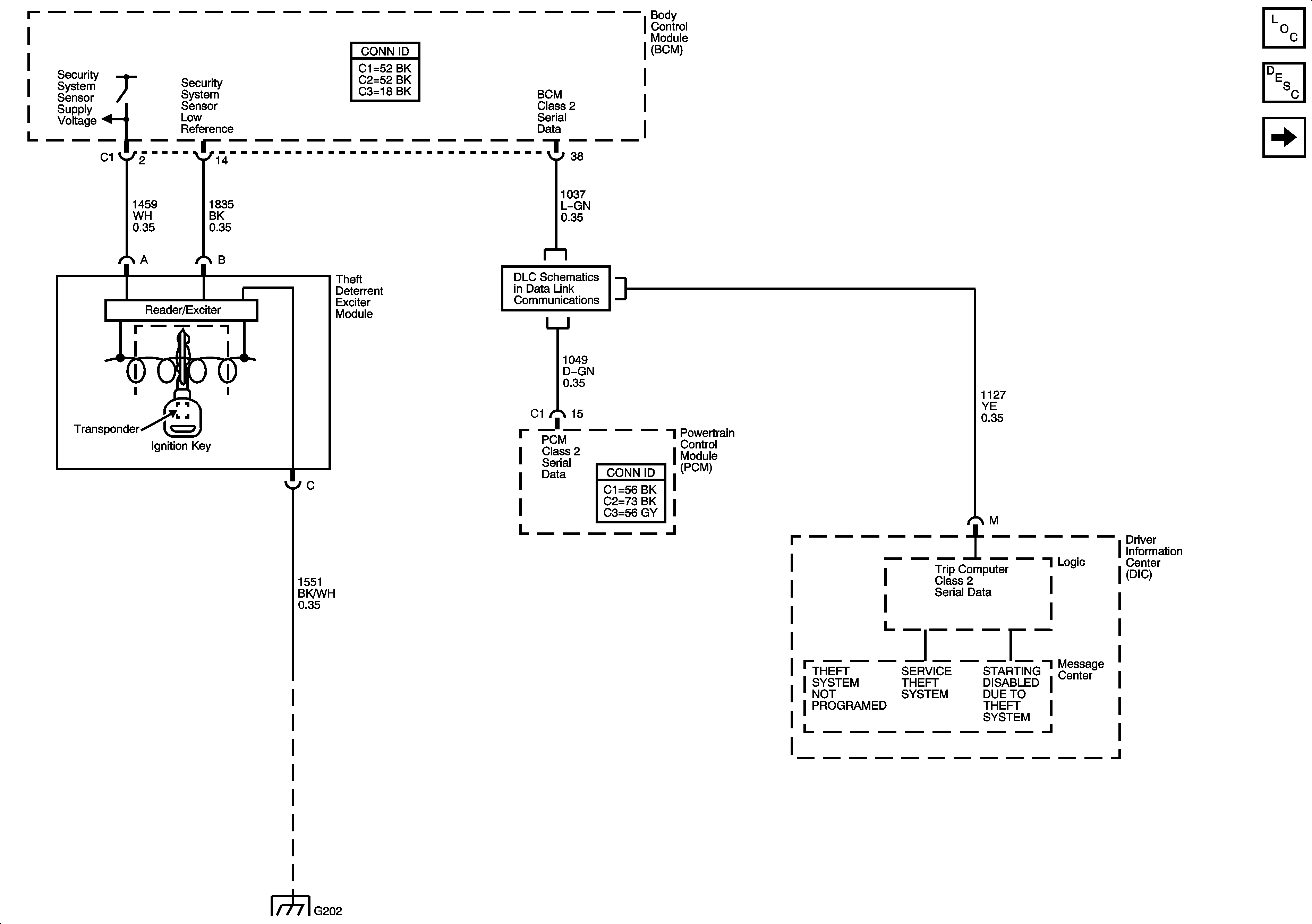
Vehicle Theft Deterrent (VTD) System
Master Electrical Component List
Vehicle Theft Deterrent (VTD) Description and Operation
Content Theft Deterrent
Data Link Connector (DLC) Schematics
G202