GM Service Manual Online
For 1990-2009 cars only
Makes
🢒
Pontiac
🢒
2004
🢒
Grand Prix
🢒 Content Theft Deterrent
Content Theft Deterrent
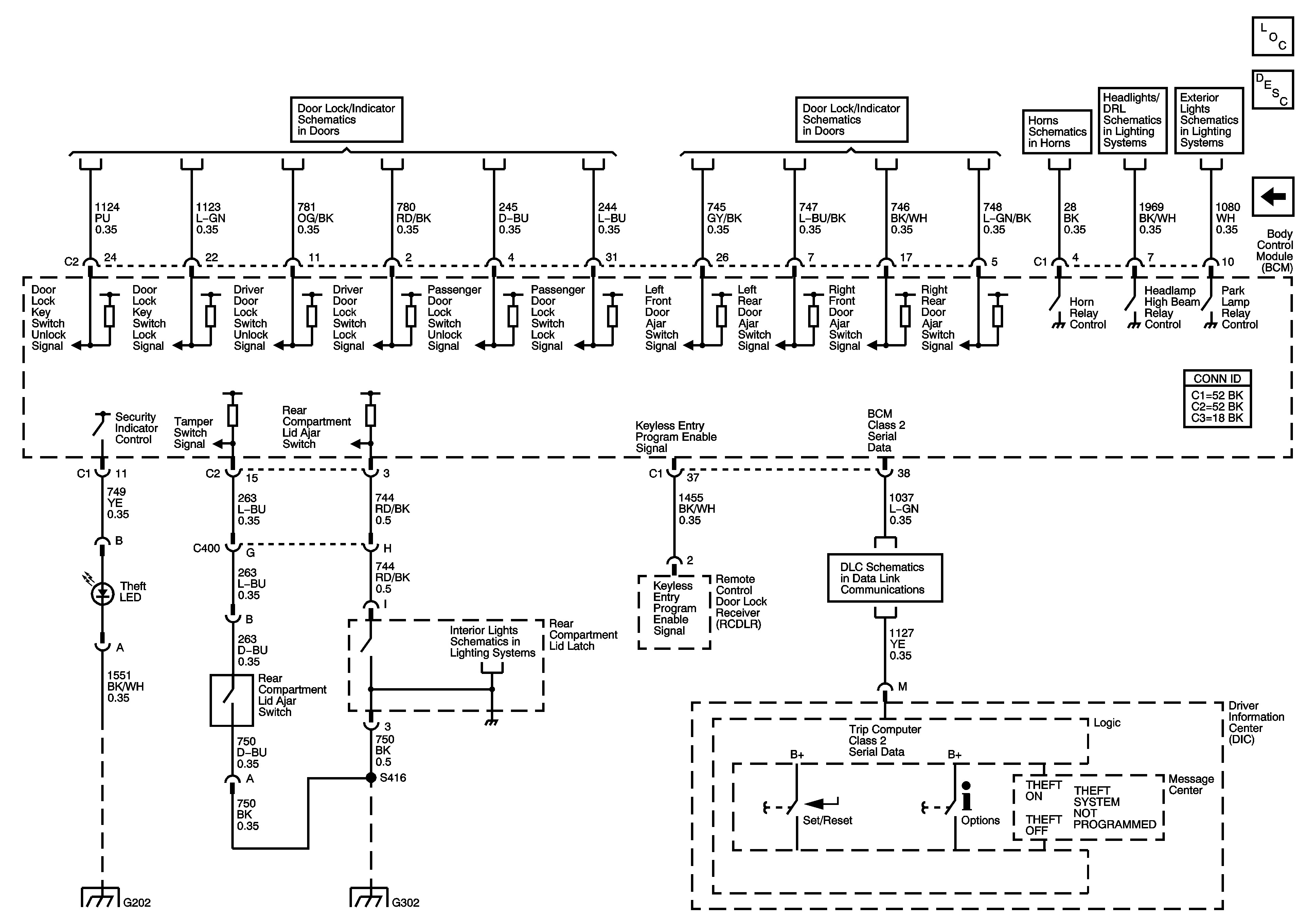
Content Theft Deterrent (CTD) System
Master Electrical Component List
Content Theft Deterrent (CTD) Description and Operation
Vehicle Theft Deterrent
Door Lock Switches
Door Ajar Indicators
Horns Schematics
Headlights/Daytime Running Lights (DRL) Schematics
Park Lamps
Lamps
Data Link Connector (DLC) Schematics
G202
G302