GM Service Manual Online
For 1990-2009 cars only
Makes
🢒
Pontiac
🢒
2004
🢒
Grand Prix
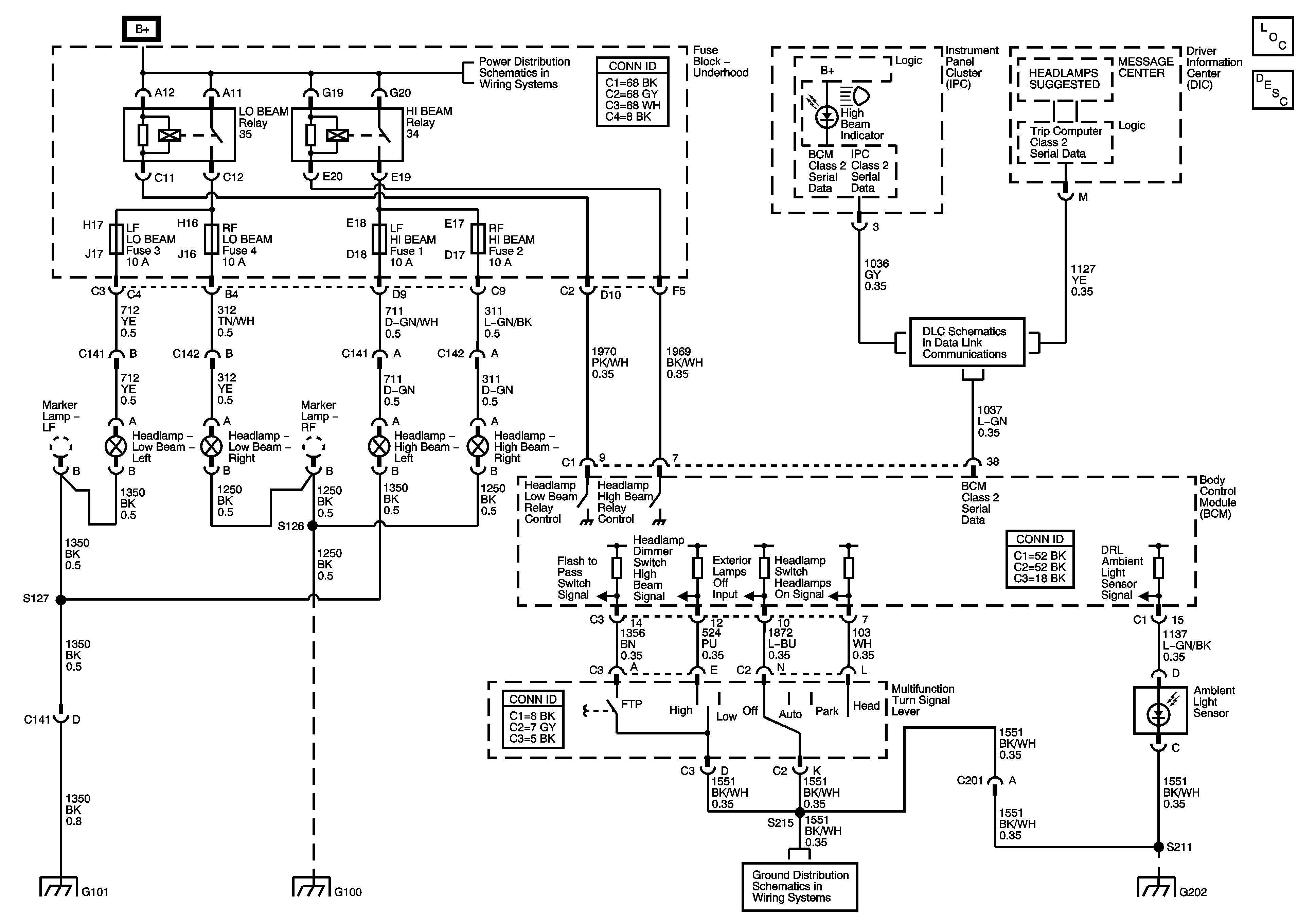
🢒 Headlights/Daytime Running Lights (DRL) Schematics
Headlights/Daytime Running Lights (DRL) Schematics
Master Electrical Component List
Exterior Lighting Systems Description and Operation
Fuse Block - Underhood Bussing
Fuse Block - Underhood Bussing
Data Link Connector (DLC) Schematics
G101, G112 and G113
G100
G202
G202