GM Service Manual Online
For 1990-2009 cars only
Makes
🢒
Pontiac
🢒
2004
🢒
Grand Prix
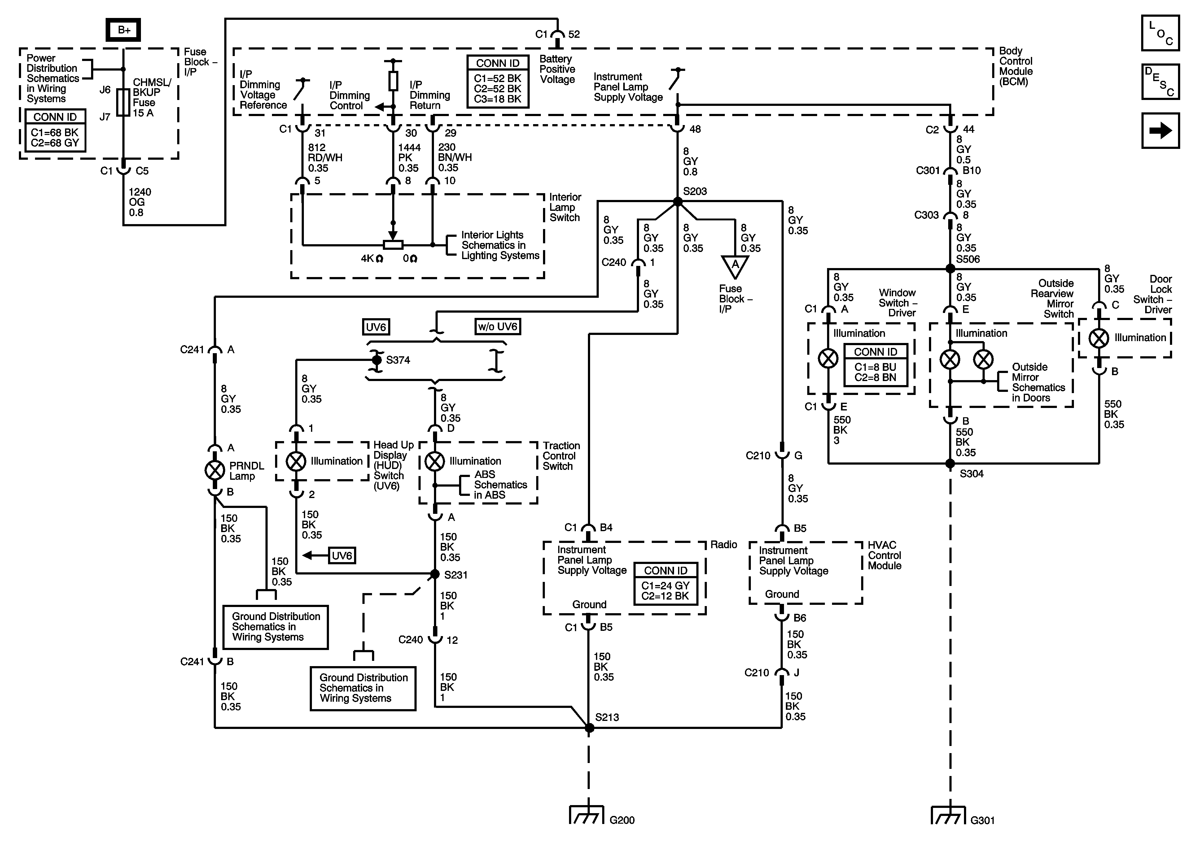
🢒 Interior Lights Dimming Schematics
Interior Lights Dimming Schematics
Interior Lamp Switch, I/P and Drivers Door Lighting
Master Electrical Component List
Interior Lighting Systems Description and Operation
Steering Wheel and Front Passenger Door Lighting
BATT MAIN 1, PK LAMPS, DISPLAYS, CHMSL/BKUP, INT LIGHT, RFA/MOD, RADIO/AMP, ONSTAR/ALDL, HVAC, CANISTER Fuses, and PK LP Relay
BATT MAIN 1, PK LAMPS, DISPLAYS, CHMSL/BKUP, INT LIGHT, RFA/MOD, RADIO/AMP, ONSTAR/ALDL, HVAC, CANISTER Fuses, and PK LP Relay
Switches
Steering Wheel and Front Passenger Door Lighting
Outside Mirror Schematics
ABS Indicators, Torque Signals, Steering andTraction Control
G200
G200
G200
G301