GM Service Manual Online
For 1990-2009 cars only
Makes
🢒
Pontiac
🢒
2004
🢒
Grand Prix
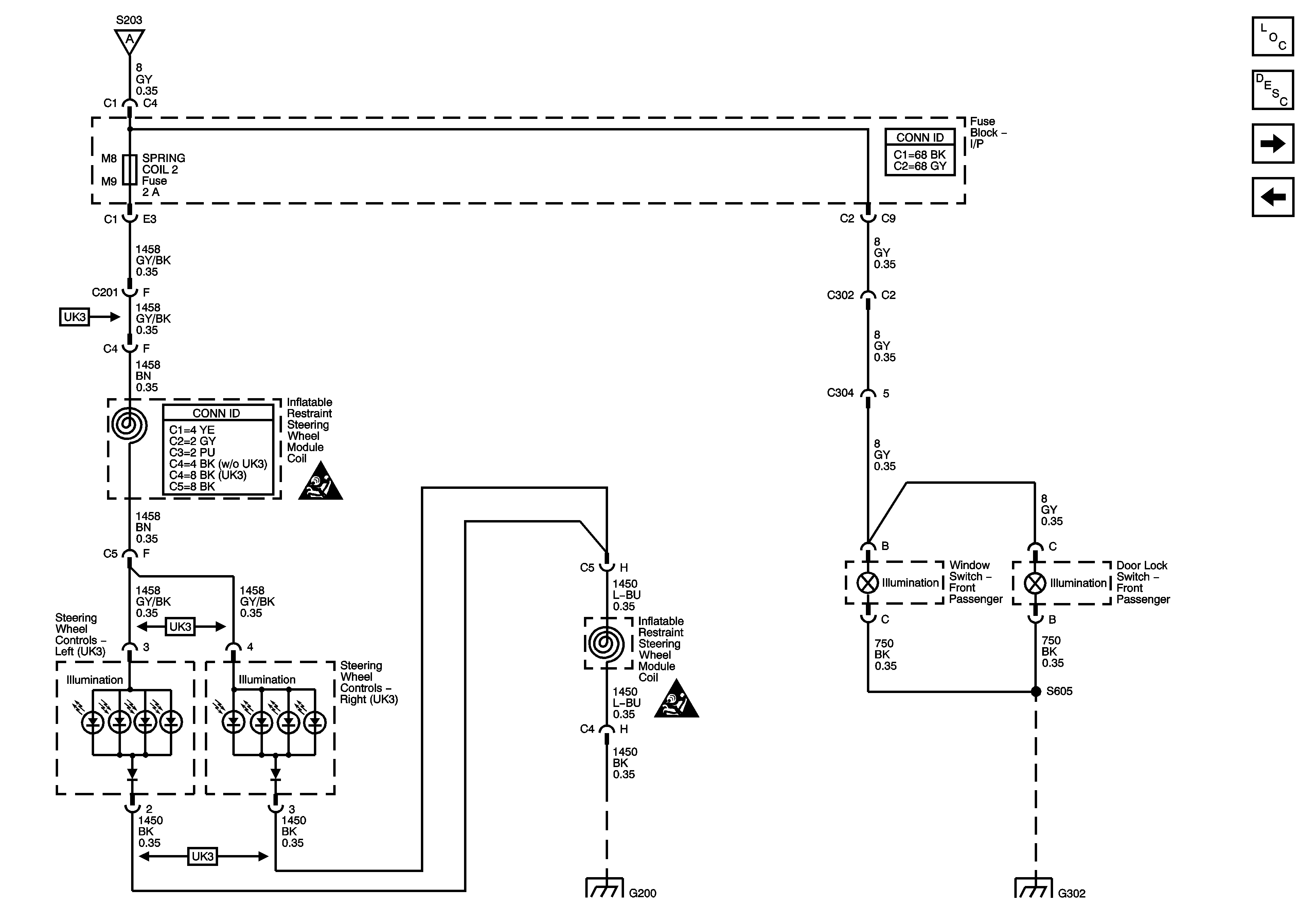
🢒 Steering Wheel and Front Passenger Door Lighting
Steering Wheel and Front Passenger Door Lighting
Steering Wheel and Front Passenger Door Lighting
Master Electrical Component List
Interior Lighting Systems Description and Operation
Class 2 Dimming
Interior Lights Dimming Schematics
Interior Lights Dimming Schematics
Lighting Systems Schematic Icons
Lighting Systems Schematic Icons
G200
G302