GM Service Manual Online
For 1990-2009 cars only
Makes
🢒
Pontiac
🢒
2004
🢒
Grand Prix
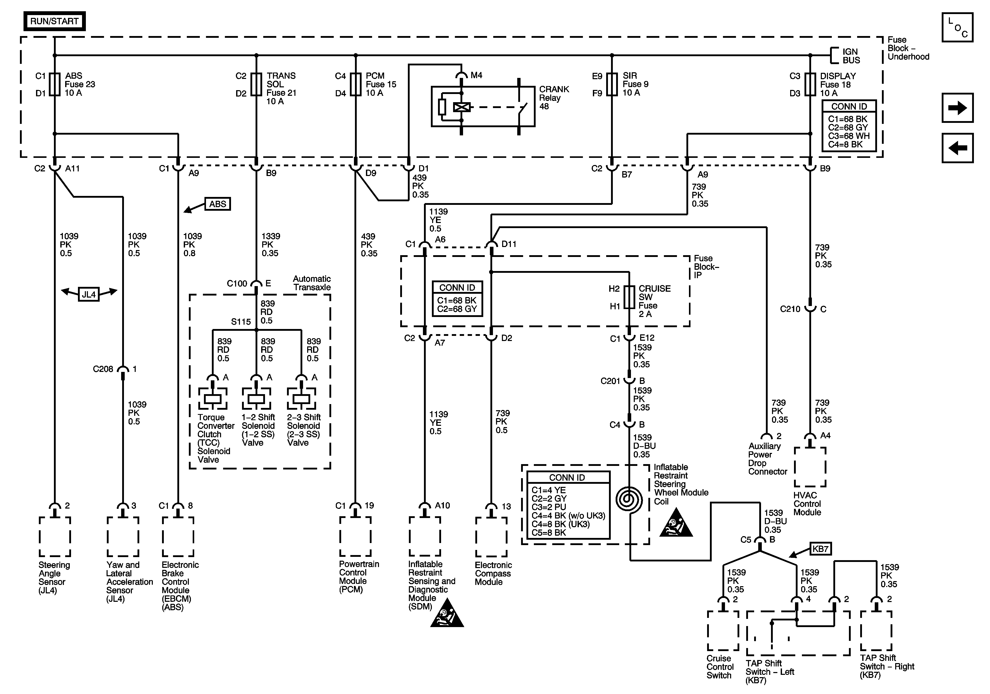
🢒 ABS, TRANS SOL, PCM, SIR, DISPLAY, CRUISE SW Fuses, and CRANK Relay
ABS, TRANS SOL, PCM, SIR, DISPLAY, CRUISE SW Fuses, and CRANK Relay
ABS, TRANS SOL, PCM, SIR, DISPLAY, CRUISE SW Fuses, and CRANK Relay
Master Electrical Component List
ETC, ELEK IGN, FUEL INJ, 02 SSR, and Emission Fuses
BATT MAIN 3, BATT MAIN 4, ABS MTR, ABS SOL, PCM/ETC, WASHER RVC, and AUX PWR Fuses
Fuse Block - Underhood Bussing
Fuse Block - Underhood Bussing
Power and Grounding Schematic Icons
Power and Grounding Schematic Icons