GM Service Manual Online
For 1990-2009 cars only
Makes
🢒
Pontiac
🢒
2005
🢒
Grand Prix
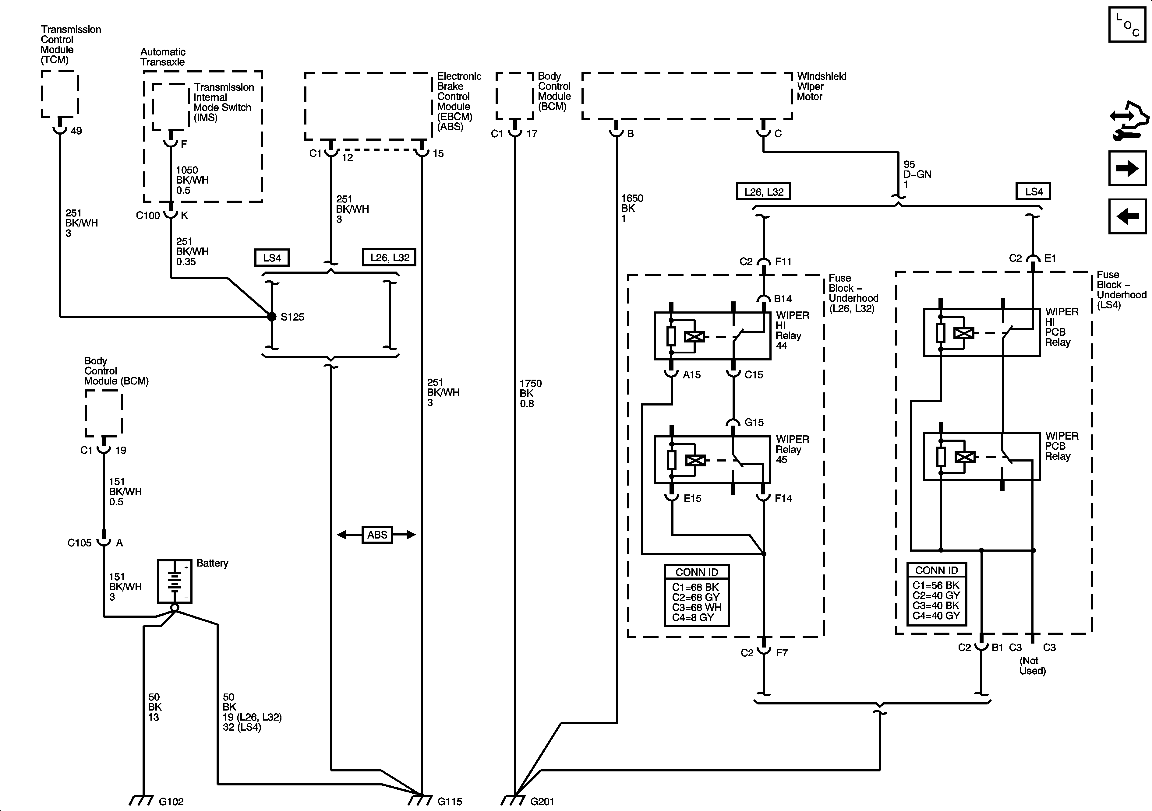
🢒 G102, G115 and G201
G102, G115 and G201
G102, G115, and G201
Master Electrical Component List
Control Module References
G200
G112 (LS4), and G113 (LS4)