GM Service Manual Online
For 1990-2009 cars only
Makes
🢒
Pontiac
🢒
2005
🢒
Grand Prix
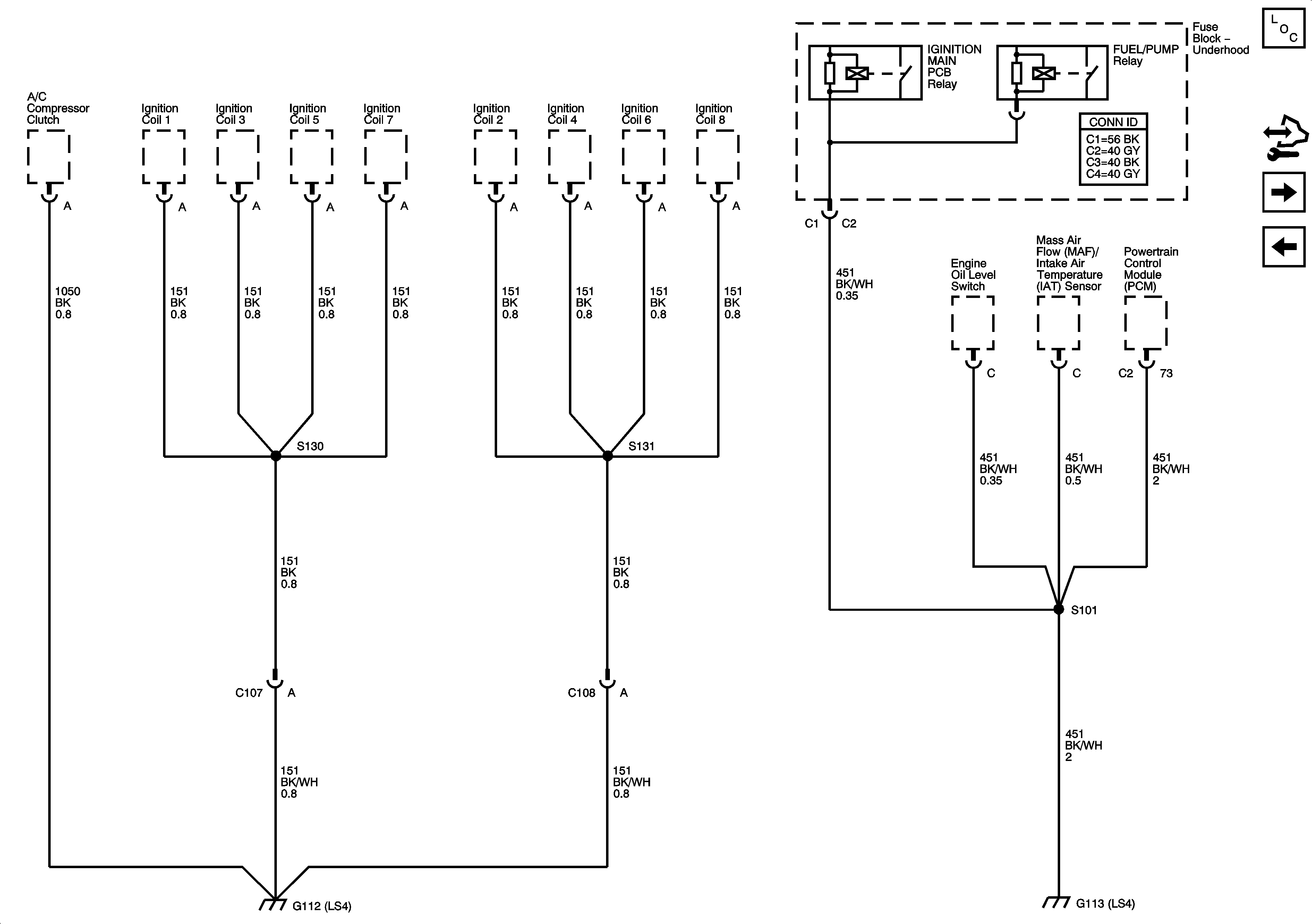
🢒 G112 (LS4), and G113 (LS4)
G112 (LS4), and G113 (LS4)
G112 (LS4), and G113 (LS4)
Master Electrical Component List
Control Module References
G102, G115 and G201
G101, G112 (L26/L32), and G113 (L26/L32)