GM Service Manual Online
For 1990-2009 cars only
Makes
🢒
Pontiac
🢒
2005
🢒
Grand Prix
🢒 Heated Oxygen Sensors
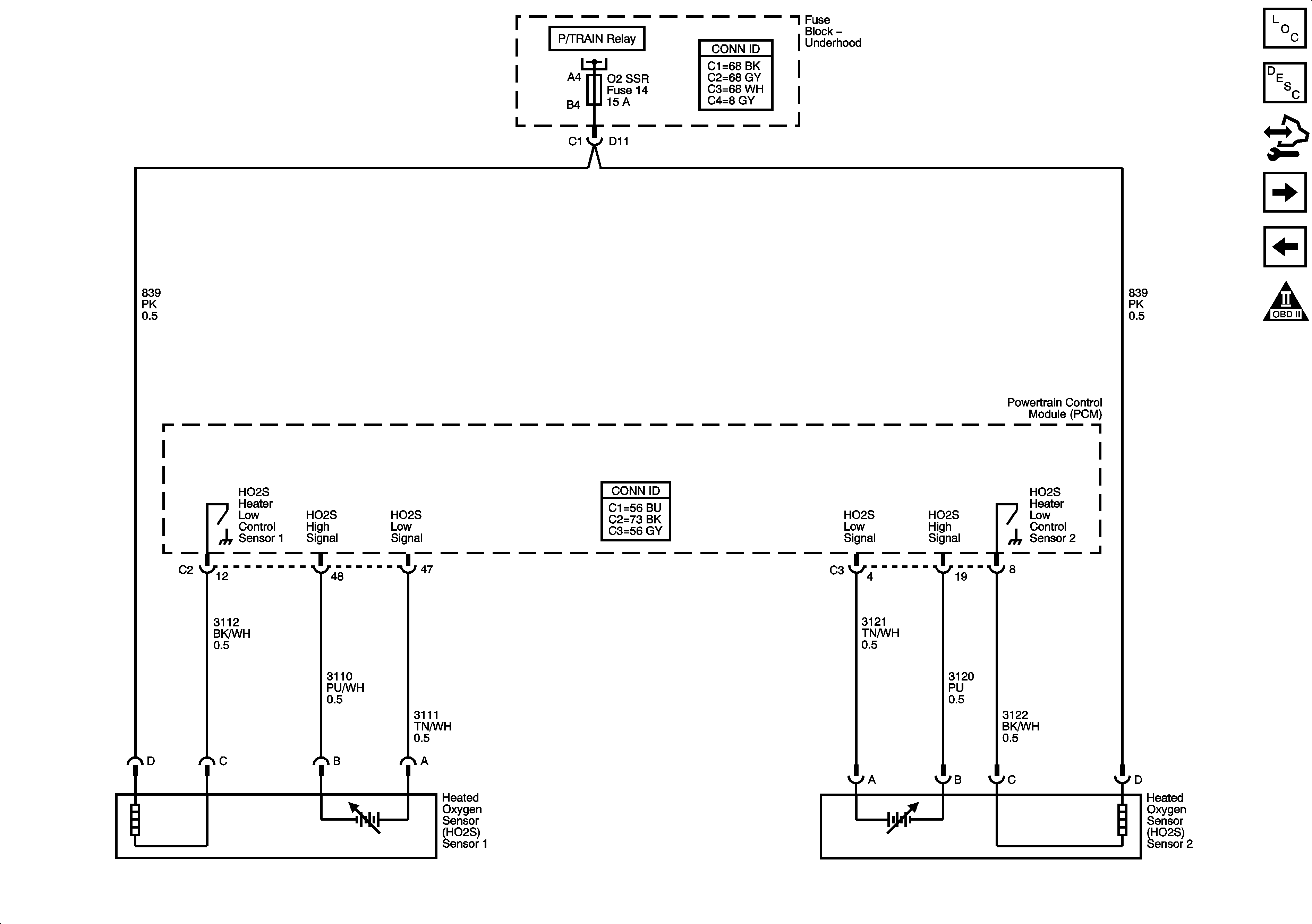
Heated Oxygen Sensors
Heated Oxygen Sensors
Master Electrical Component List
Fuel System Description
Control Module References
Electronic Throttle Controls
IAT/MAF Sensor, Super Charger Boost Control Solenoid and A/T Controls VSS References
Engine Controls Schematic Icons
PCM Power, Ground, MIL, and Serial Data