GM Service Manual Online
For 1990-2009 cars only
Makes
🢒
Pontiac
🢒
2005
🢒
Grand Prix
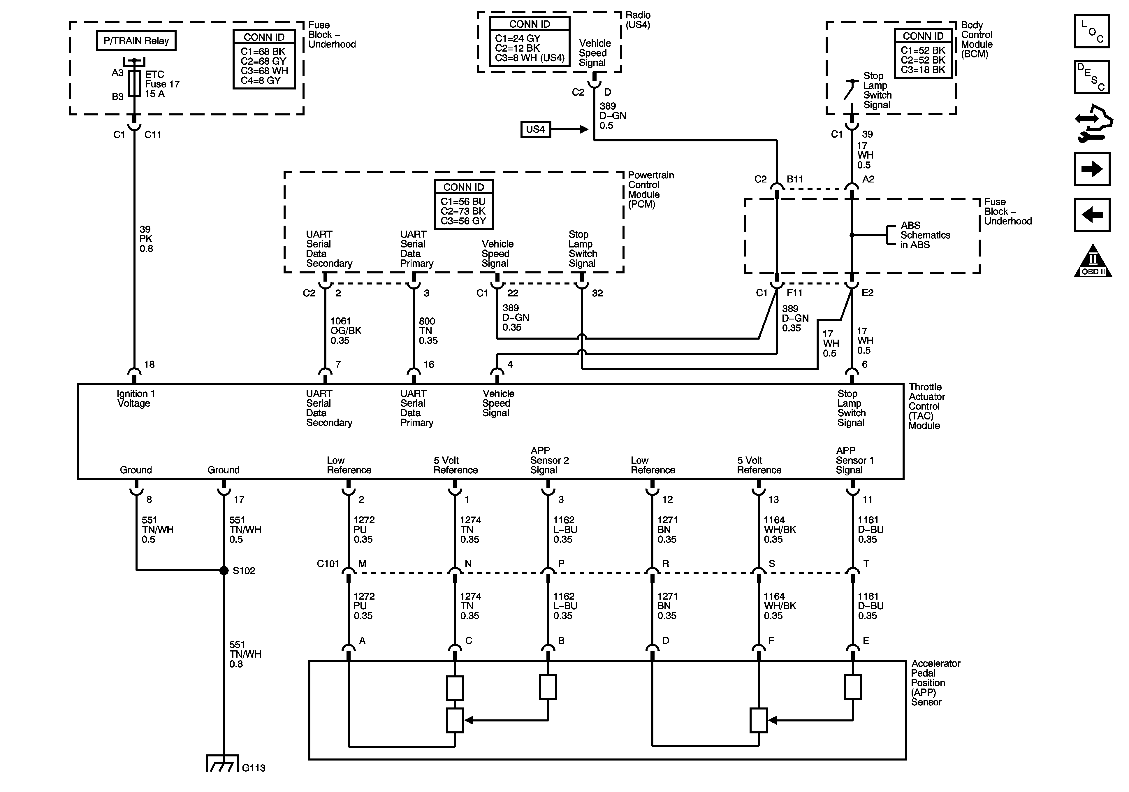
🢒 Electronic Throttle Controls
Electronic Throttle Controls
Electronic Throttle Controls
Master Electrical Component List
Throttle Actuator Control (TAC) System Description
Control Module References
Ignition Control Module
Heated Oxygen Sensors
Engine Controls Schematic Icons
PCM Power, Ground, MIL, and Serial Data
Indicator, ABS, Stability, and Traction Controls
G101, G102, G111, G112, G113