GM Service Manual Online
For 1990-2009 cars only
Makes
🢒
Pontiac
🢒
2005
🢒
Grand Prix
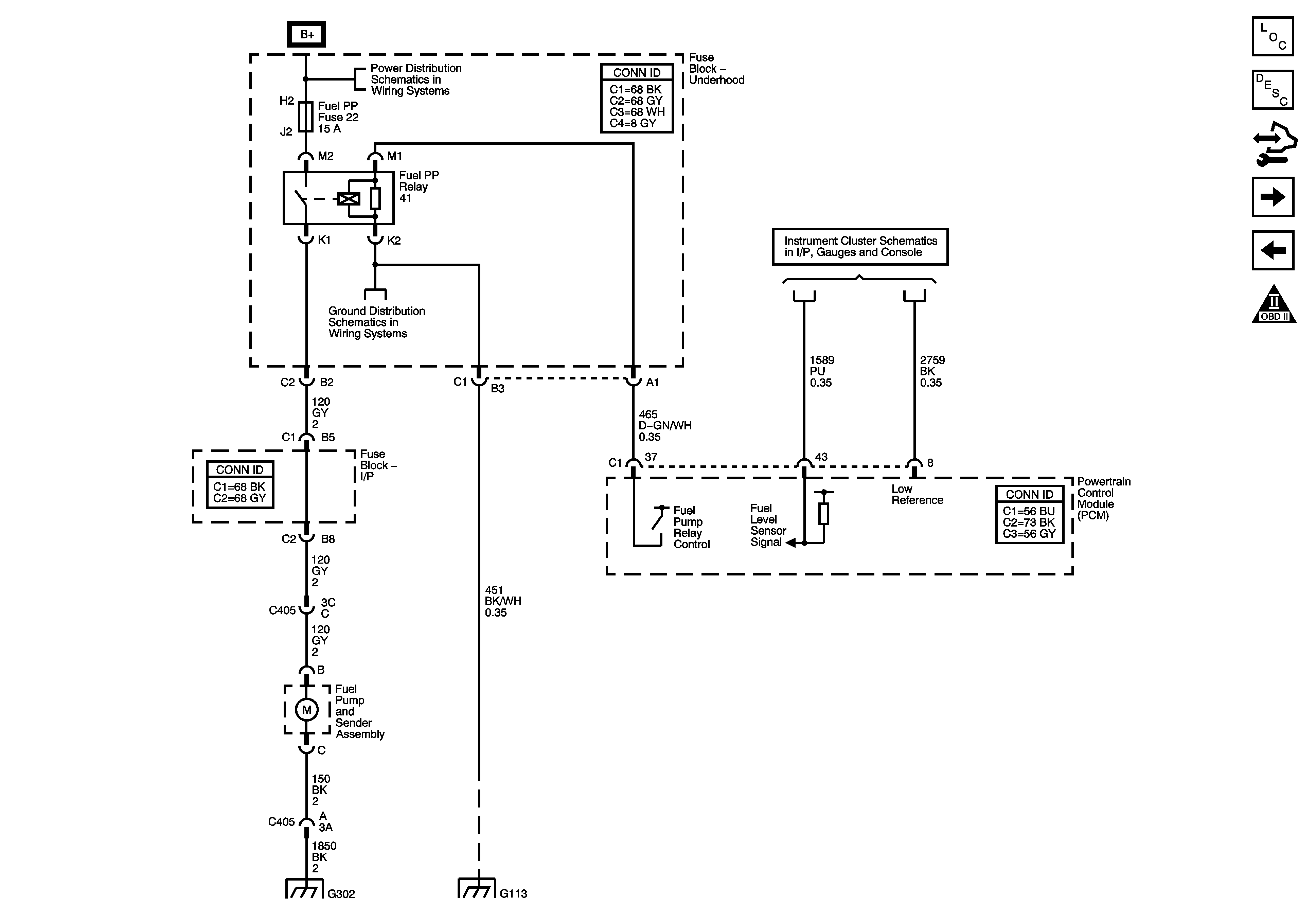
🢒 Fuel Pump Controls
Fuel Pump Controls
Fuel Pump Controls
Master Electrical Component List
Fuel System Description
Control Module References
Fuel Injectors
Ignition Control Module
Engine Controls Schematic Icons
Fuse Block Underhood Bussing
Fuse Block Underhood Bussing
G101, G112 (L26/L32), and G113 (L26/L32)
Power, Ground, and Gages
G302
G101, G112 (L26/L32), and G113 (L26/L32)