GM Service Manual Online
For 1990-2009 cars only
Makes
🢒
Pontiac
🢒
2005
🢒
Grand Prix
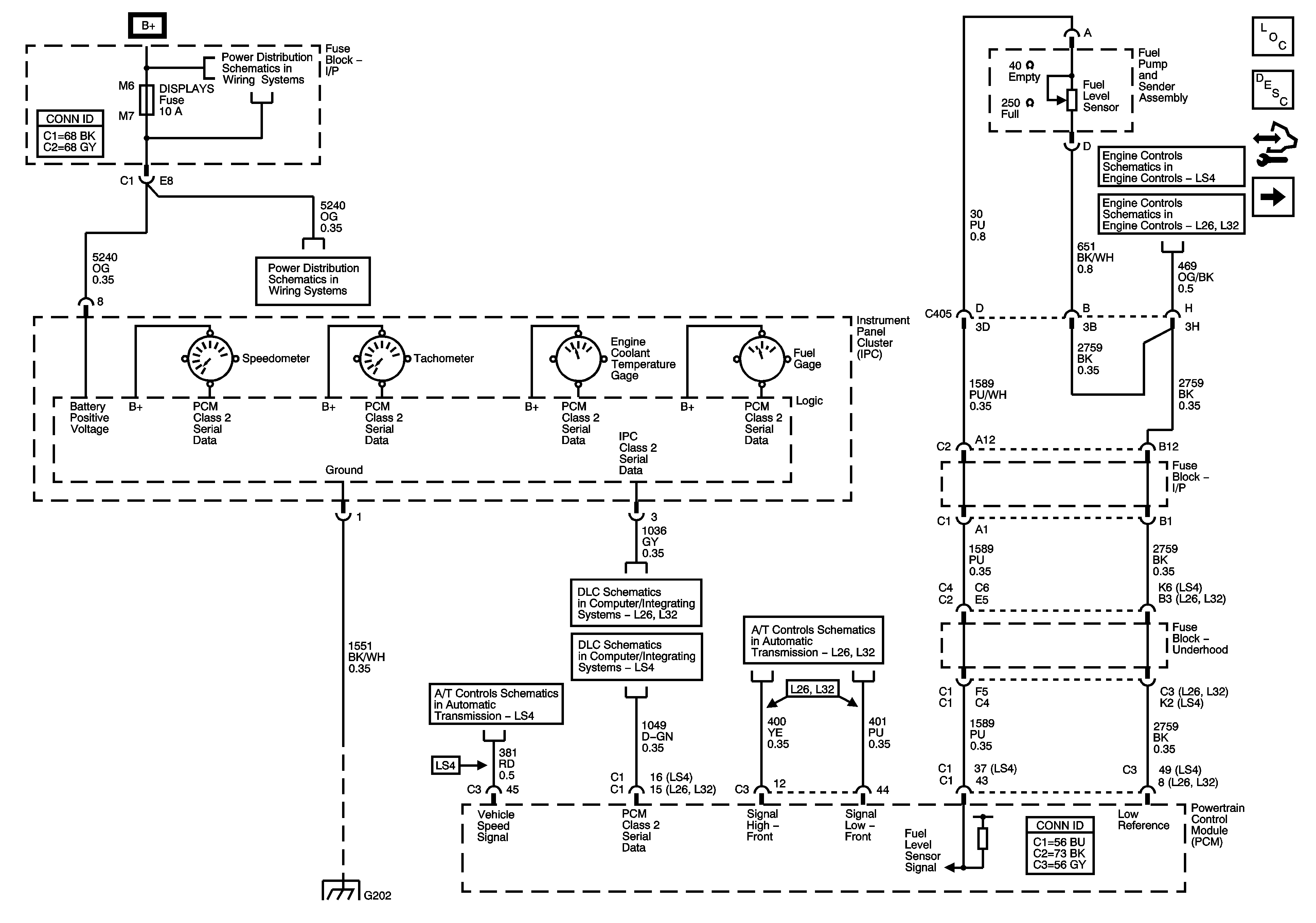
🢒 Power, Ground, and Gages
Power, Ground, and Gages
Power, Ground, and Gages
Master Electrical Component List
Instrument Cluster Description and Operation
Control Module References
Indicators
BATT MAIN 1, PK LAMPS, DISPLAS, CHMSL/BKUP, INT LIGHT, RFA MOD, RADIO/AMP, ONSTAR/ALDL, HVAC, CANISTER Fuses and PKLP Relay
BATT MAIN 1, PK LAMPS, DISPLAS, CHMSL/BKUP, INT LIGHT, RFA MOD, RADIO/AMP, ONSTAR/ALDL, HVAC, CANISTER Fuses and PKLP Relay
BATT MAIN 1, PK LAMPS, DISPLAS, CHMSL/BKUP, INT LIGHT, RFA MOD, RADIO/AMP, ONSTAR/ALDL, HVAC, CANISTER Fuses and PKLP Relay
EVAP Solenoids and FTP Sensor
EVAP Solenoids, FTP Sensor, and EGR Valve
Data Link Communication
VSS and AT ISS Sensors, Pressure Control Solenoid Valve, and TCC Release Switch
LS4
VSS and AT Sensors, Pressure Control Solenoid Valve and TCC Release Switch
G202