GM Service Manual Online
For 1990-2009 cars only
Makes
🢒
Pontiac
🢒
2005
🢒
Grand Prix
🢒 Body Rear End Schematics
Body Rear End Schematics
Master Electrical Component List
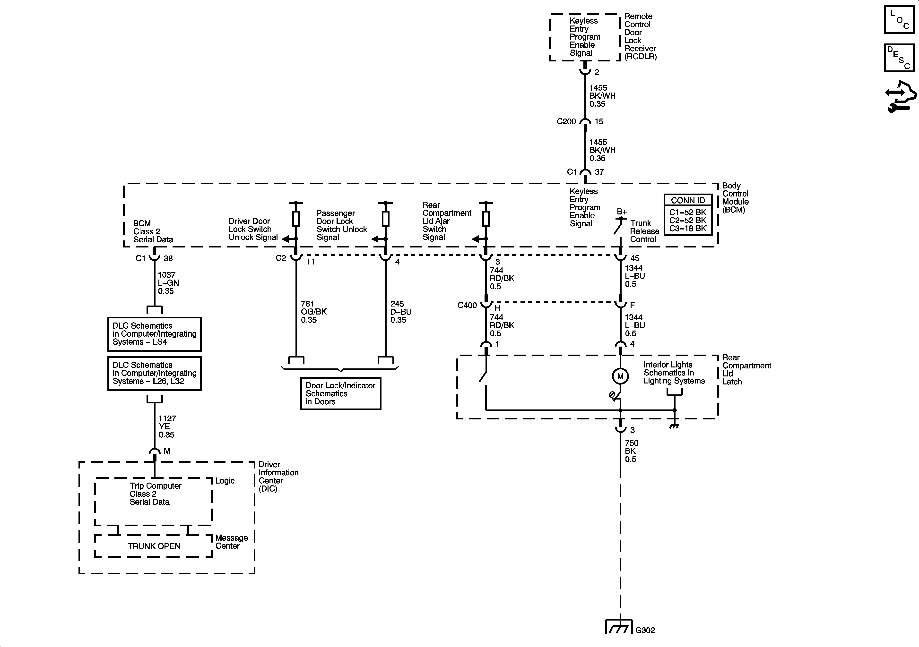
Luggage Compartment Description and Operation
Control Module References
Data Link Communication
Door Lock Switches
Lamps
G302
LS4