GM Service Manual Online
For 1990-2009 cars only
Makes
🢒
Pontiac
🢒
2005
🢒
Grand Prix
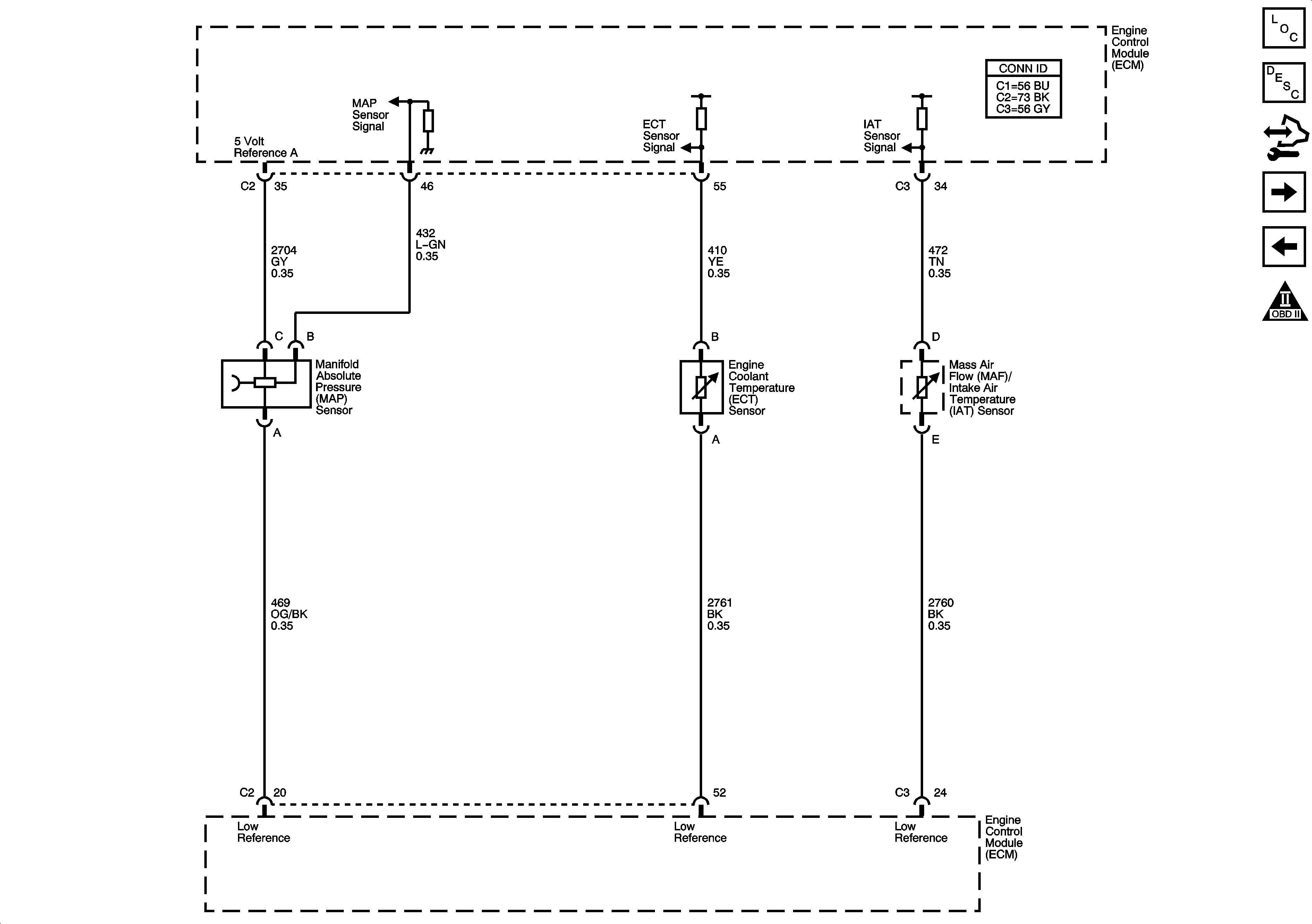
🢒 MAP, ECT, and MAF/IAT Sensors
MAP, ECT, and MAF/IAT Sensors
MAP, ECT, and MAF/IAT Sensors
Master Electrical Component List
Engine Control Module Description
Control Module References
MAF/IAT Sensor, Stop Lamp Switch Signal and VSS
5 Volt and Low Reference Bussing
Engine Controls Schematic Icons