GM Service Manual Online
For 1990-2009 cars only
Makes
🢒
Pontiac
🢒
2005
🢒
Grand Prix
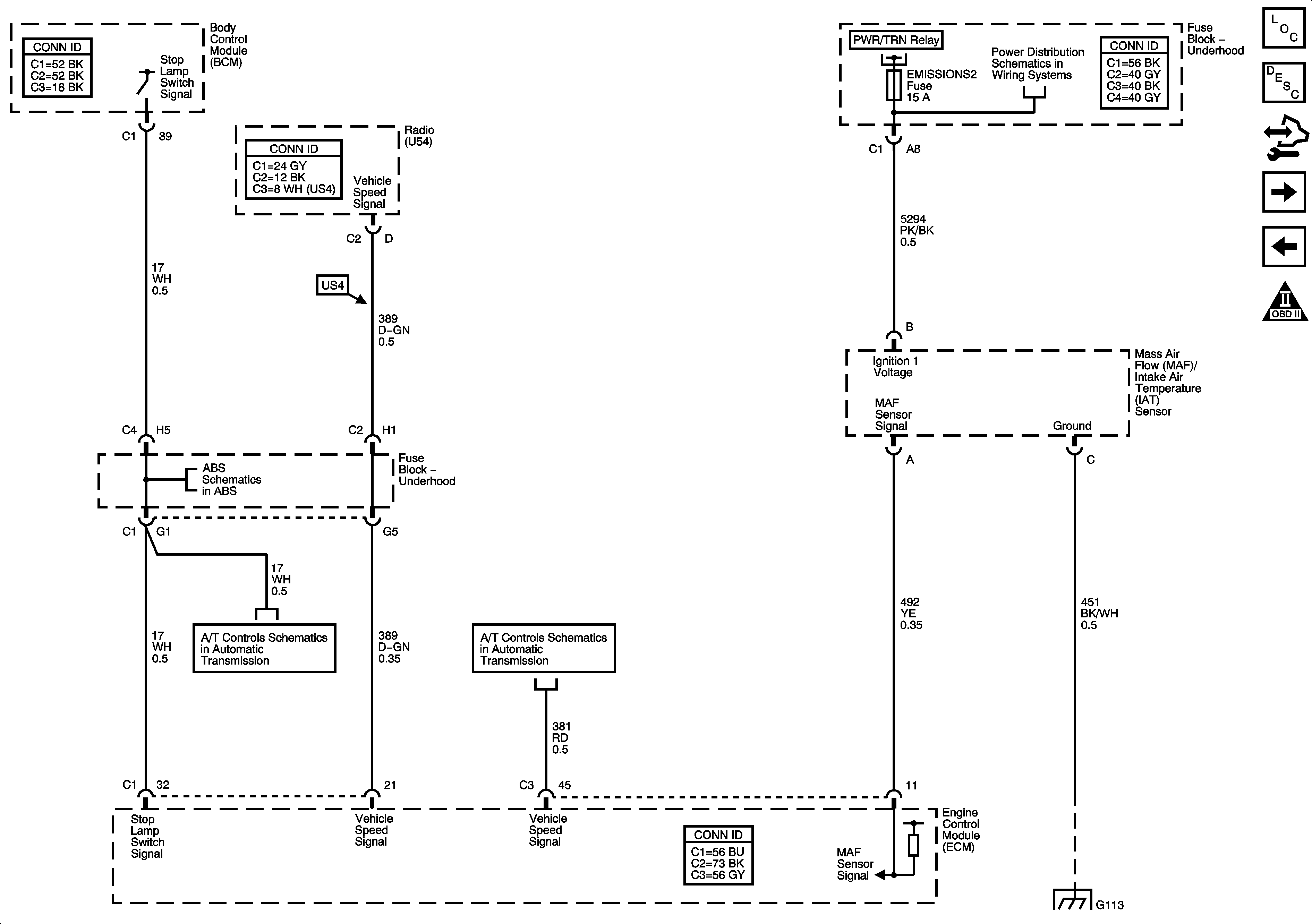
🢒 MAF/IAT Sensor, Stop Lamp Switch Signal and VSS
MAF/IAT Sensor, Stop Lamp Switch Signal and VSS
MAF/IAT Sensor, Stop Lamp Switch Signal and VSS
Master Electrical Component List
Engine Control Module Description
Control Module References
Heated Oxygen Sensors
MAP, ECT, and MAF/IAT Sensors
Engine Controls Schematic Icons
ECM Power, Ground, MIL, and Serial Data
EMISSIONS1, EMISSIONS2, A/C CMPRSR Fuses, and A/C CMPRSR Relay
Indicator, ABS, Stability, and Traction Controls
Tap Shift Switches, Stop Lamp Signal, TFT Sensor and TCC, Shift Solenoids
VSS and AT ISS Sensors, Pressure Control Solenoid Valve, and TCC Release Switch
G112 (LS4), and G113 (LS4)