GM Service Manual Online
For 1990-2009 cars only
Makes
🢒
Pontiac
🢒
2005
🢒
Grand Prix
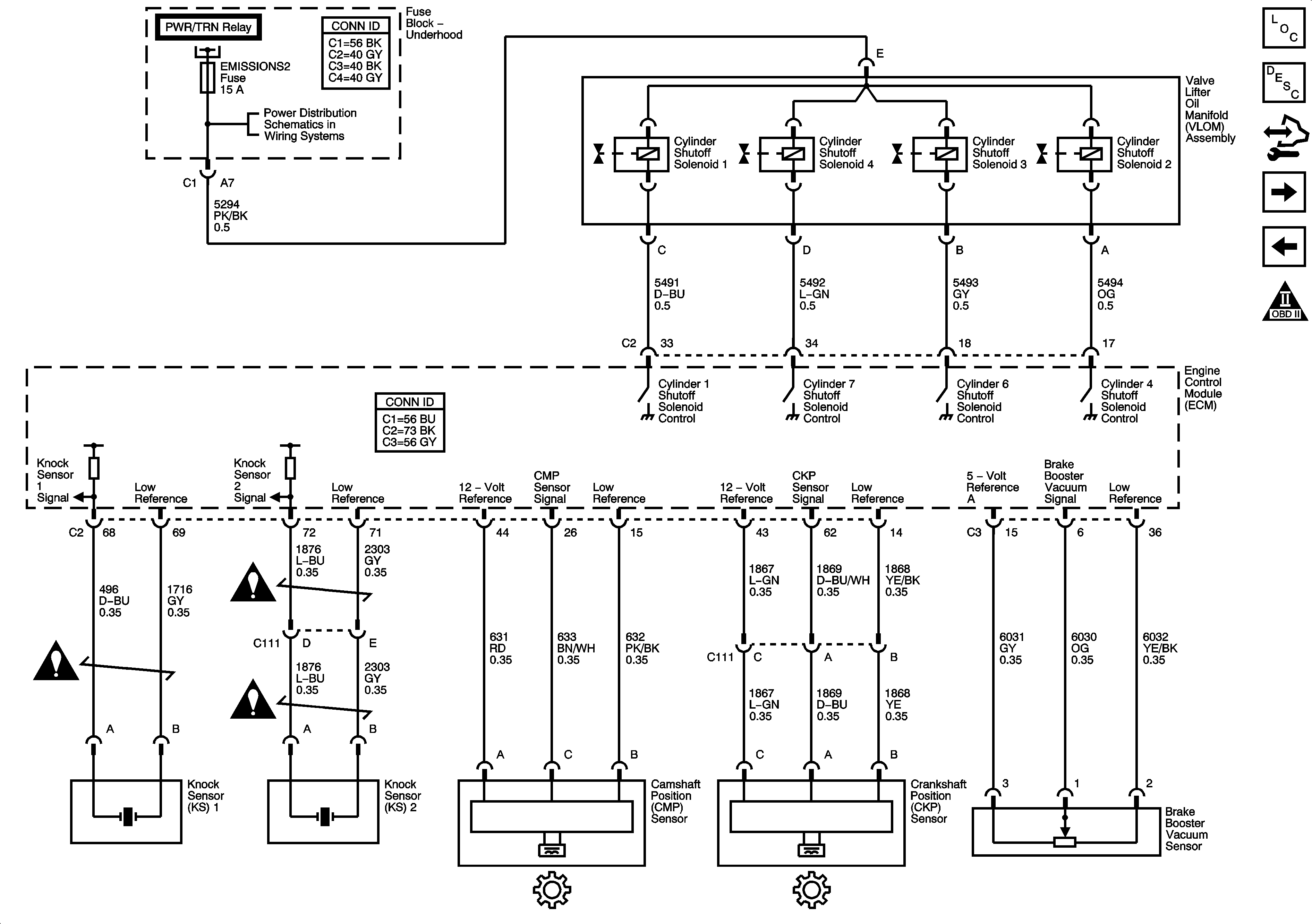
🢒 Ignition Controls Knock, CMP, CKP, Brake Booster Vacuum Sensors and Valve Lifter Oil Manifold Assembly
Ignition Controls Knock, CMP, CKP, Brake Booster Vacuum Sensors and Valve Lifter Oil Manifold Assembly
Ignition Controls Knock, CMP, CKP, Brake Booster Vacuum Sensors and Valve Lifter Oil Manifold Assembly
Master Electrical Component List
Displacement on Demand (DoD) System Description
Control Module References
Fuel Pump Controls
Ignition Controls Bank 2 (Even) Ignition Coils
Engine Controls Schematic Icons
ECM Power, Ground, MIL, and Serial Data
EMISSIONS1, EMISSIONS2, A/C CMPRSR Fuses, and A/C CMPRSR Relay
Engine Controls Schematic Icons
Engine Controls Schematic Icons
Engine Controls Schematic Icons