GM Service Manual Online
For 1990-2009 cars only
Makes
🢒
Pontiac
🢒
2005
🢒
Grand Prix
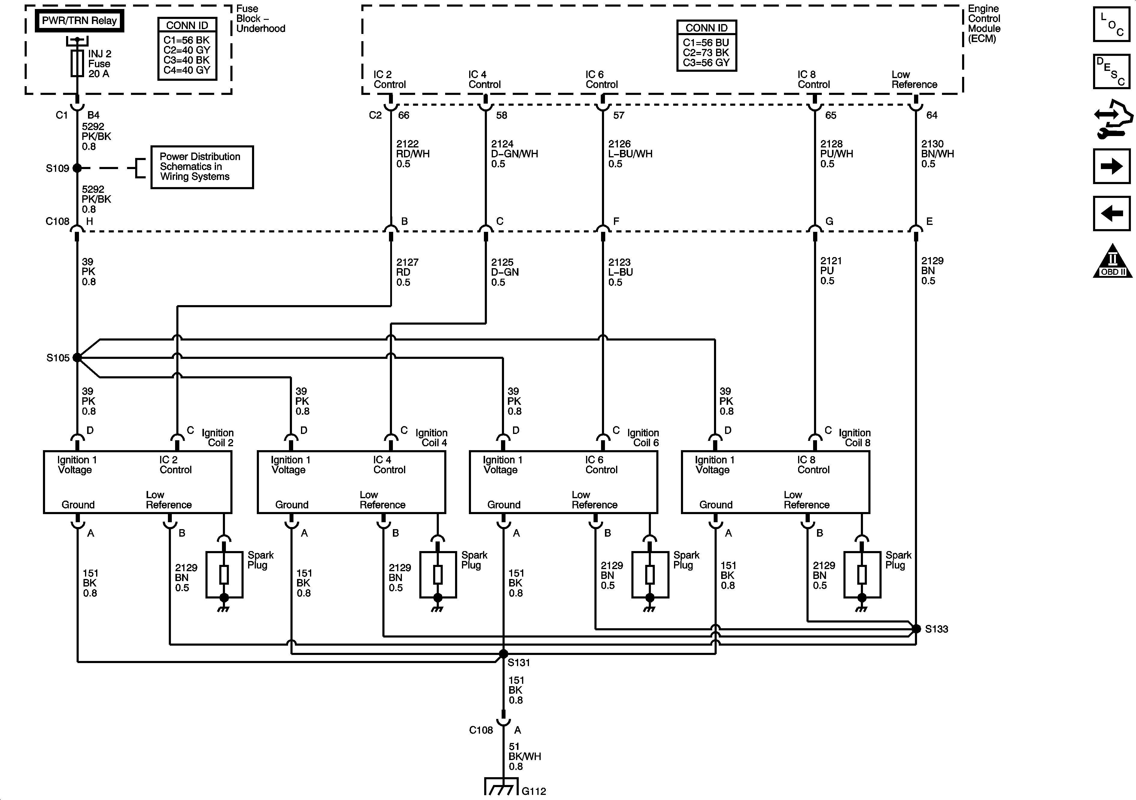
🢒 Ignition Controls Bank 2 (Even) Ignition Coils
Ignition Controls Bank 2 (Even) Ignition Coils
Ignition Controls Bank 2 (Even) Ignition Coils
Master Electrical Component List
Electronic Ignition (EI) System Description
Control Module References
Ignition Controls Knock, CMP, CKP, Brake Booster Vacuum Sensors and Valve Lifter Oil Manifold Assembly
Ignition Controls Bank 1 (Odd) Ignition Coils
Engine Controls Schematic Icons
ECM Power, Ground, MIL, and Serial Data
ETC/ECM, INJ 1, INJ 2, EMISSION1, EMISSION2 Fuses, and CMPRSR Relay
G112 (LS4), and G113 (LS4)