GM Service Manual Online
For 1990-2009 cars only
Makes
🢒
Pontiac
🢒
2005
🢒
Grand Prix
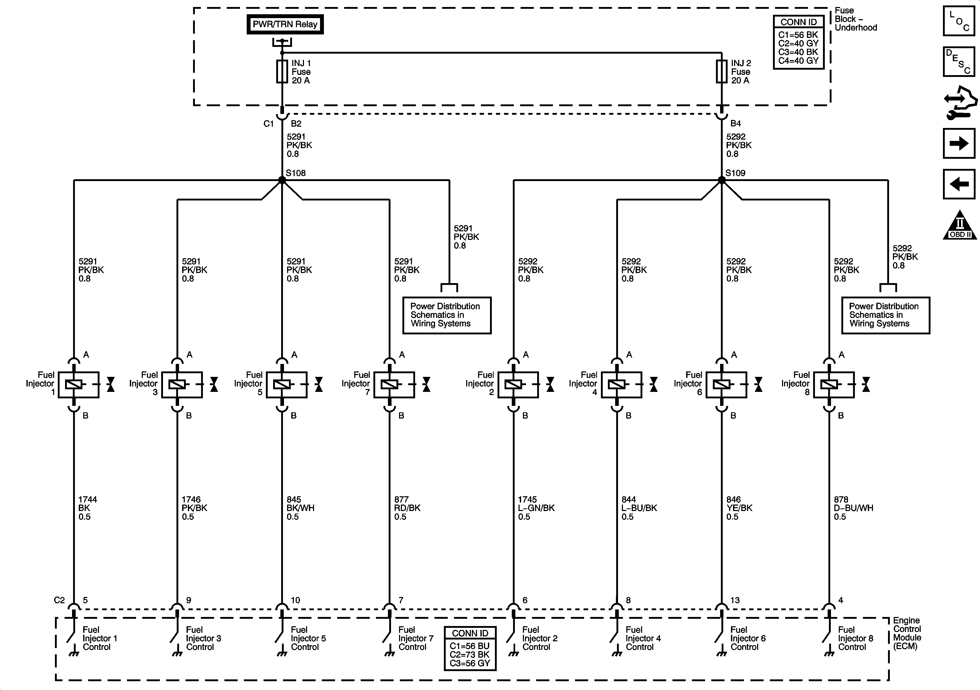
🢒 Fuel Injectors
Fuel Injectors
Fuel Injectors
Master Electrical Component List
Control Module References
EVAP Solenoids and FTP Sensor
Fuel Pump Controls
Engine Controls Schematic Icons
ECM Power, Ground, MIL, and Serial Data
ETC/ECM, INJ 1, INJ 2, EMISSION1, EMISSION2 Fuses, and CMPRSR Relay
ETC/ECM, INJ 1, INJ 2, EMISSION1, EMISSION2 Fuses, and CMPRSR Relay