GM Service Manual Online
For 1990-2009 cars only
Makes
🢒
Pontiac
🢒
2005
🢒
Grand Prix
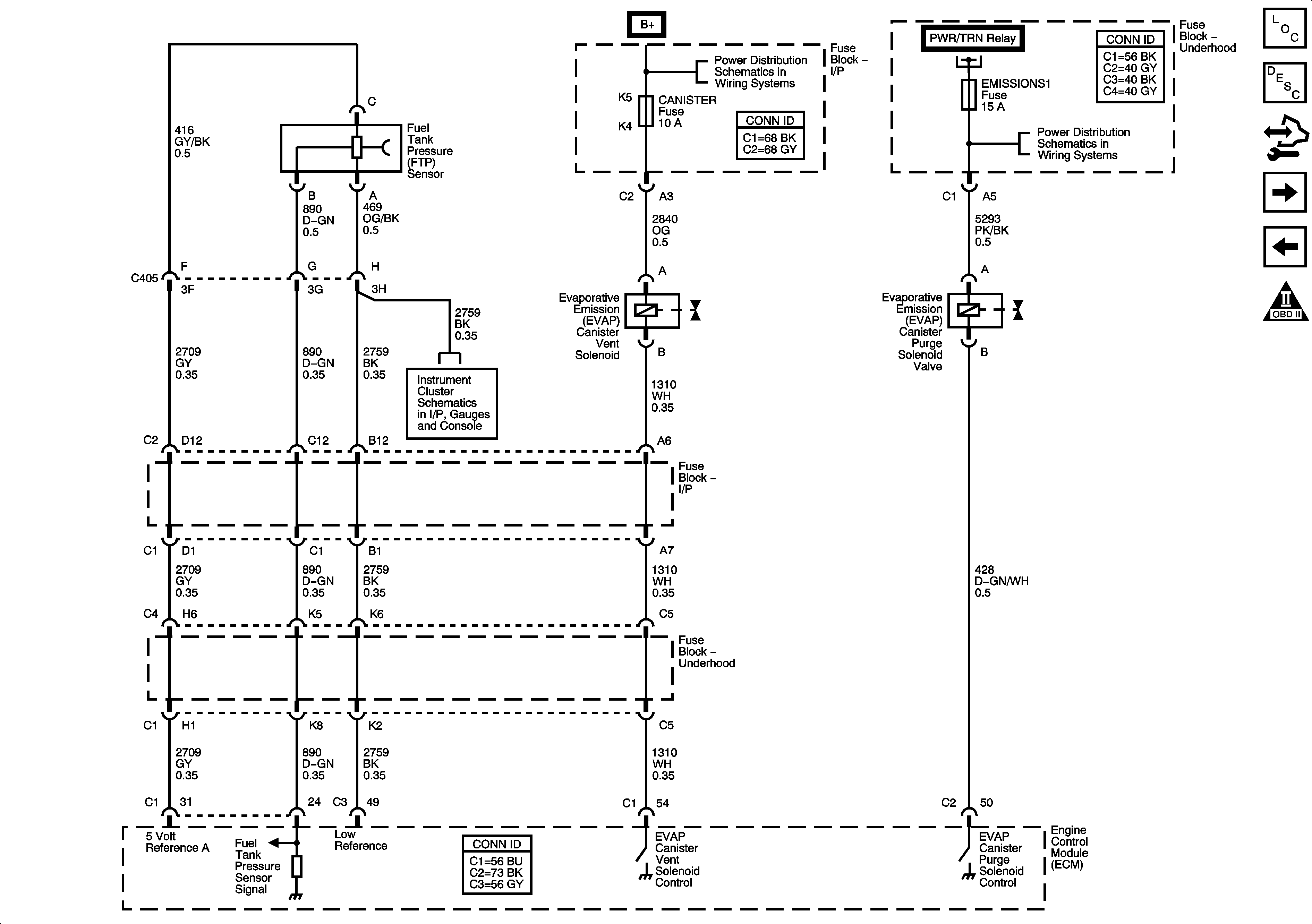
🢒 EVAP Solenoids and FTP Sensor
EVAP Solenoids and FTP Sensor
EVAP Solenoids and FTP Sensor
Master Electrical Component List
Evaporative Emission Control System Description
Control Module References
Controlled/Monitored Subsystem References
Fuel Injectors
Engine Controls Schematic Icons
BATT MAIN 1, PK LAMPS, DISPLAS, CHMSL/BKUP, INT LIGHT, RFA MOD, RADIO/AMP, ONSTAR/ALDL, HVAC, CANISTER Fuses and PKLP Relay
BATT MAIN 1, PK LAMPS, DISPLAS, CHMSL/BKUP, INT LIGHT, RFA MOD, RADIO/AMP, ONSTAR/ALDL, HVAC, CANISTER Fuses and PKLP Relay
ECM Power, Ground, MIL, and Serial Data
EMISSIONS1, EMISSIONS2, A/C CMPRSR Fuses, and A/C CMPRSR Relay
Power, Ground, and Gages