GM Service Manual Online
For 1990-2009 cars only
Makes
🢒
Pontiac
🢒
2005
🢒
Grand Prix
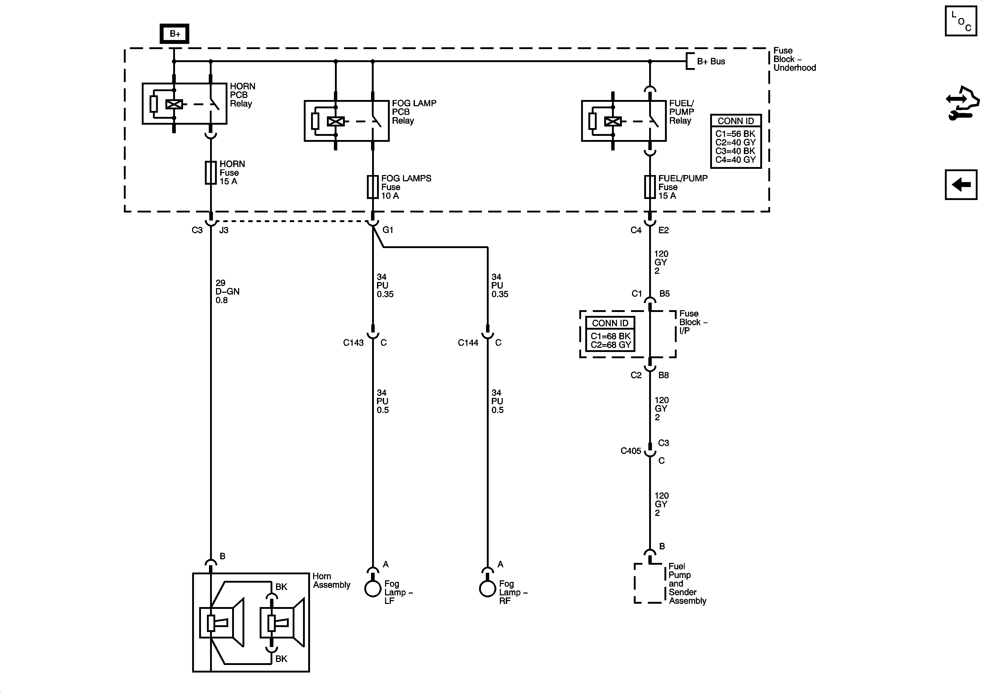
🢒 HORN, FOG LAMPS, FUEL PUMP Fuses, HORN PCB, FOG LAMP PCB and FUEL PUMP Relays
HORN, FOG LAMPS, FUEL PUMP Fuses, HORN PCB, FOG LAMP PCB and FUEL PUMP Relays
HORN, FOG LAMPS, FUEL PUMP Fuses, HORN PCB, FOG LAMP PCB and FUEL PUMP Relays (LS4)
Master Electrical Component List
Control Module References
LF LOW BEAM RF LOW BEAM, LF HIGH BEAM, RF HIGH BEAM, and SPRING COIL 2 Fuses
Fuse Block - Underhood Bussing
Fuse Block - Underhood Bussing