GM Service Manual Online
For 1990-2009 cars only
Makes
🢒
Pontiac
🢒
2006
🢒
Grand Prix
🢒
Body
🢒
Wiring Systems
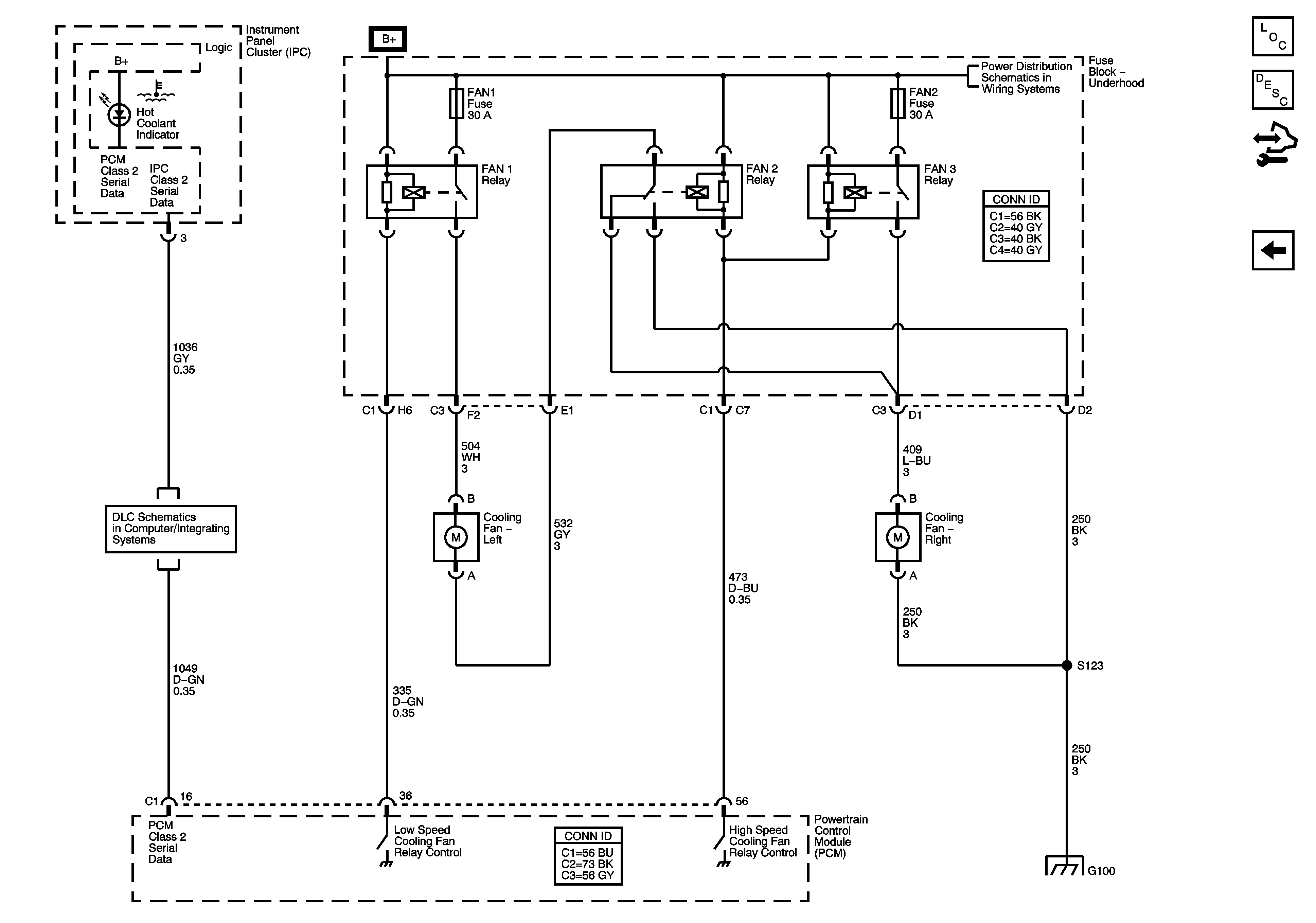
🢒 Engine Cooling Schematics
Figure
1:
L26, L32
Master Electrical Component List
Cooling System Description and Operation
Control Module References
LS4
Fuse Block Underhood Bussing
L26/L32
G100
Figure
2:
LS4
Master Electrical Component List
Cooling System Description and Operation
Control Module References
Engine Cooling Schematics
Fuse Block - Underhood Bussing
LS4
G100