GM Service Manual Online
For 1990-2009 cars only
Makes
🢒
Pontiac
🢒
2006
🢒
Grand Prix
🢒 Power, Ground and References
Power, Ground and References
Power, Ground, and References
Master Electrical Component List
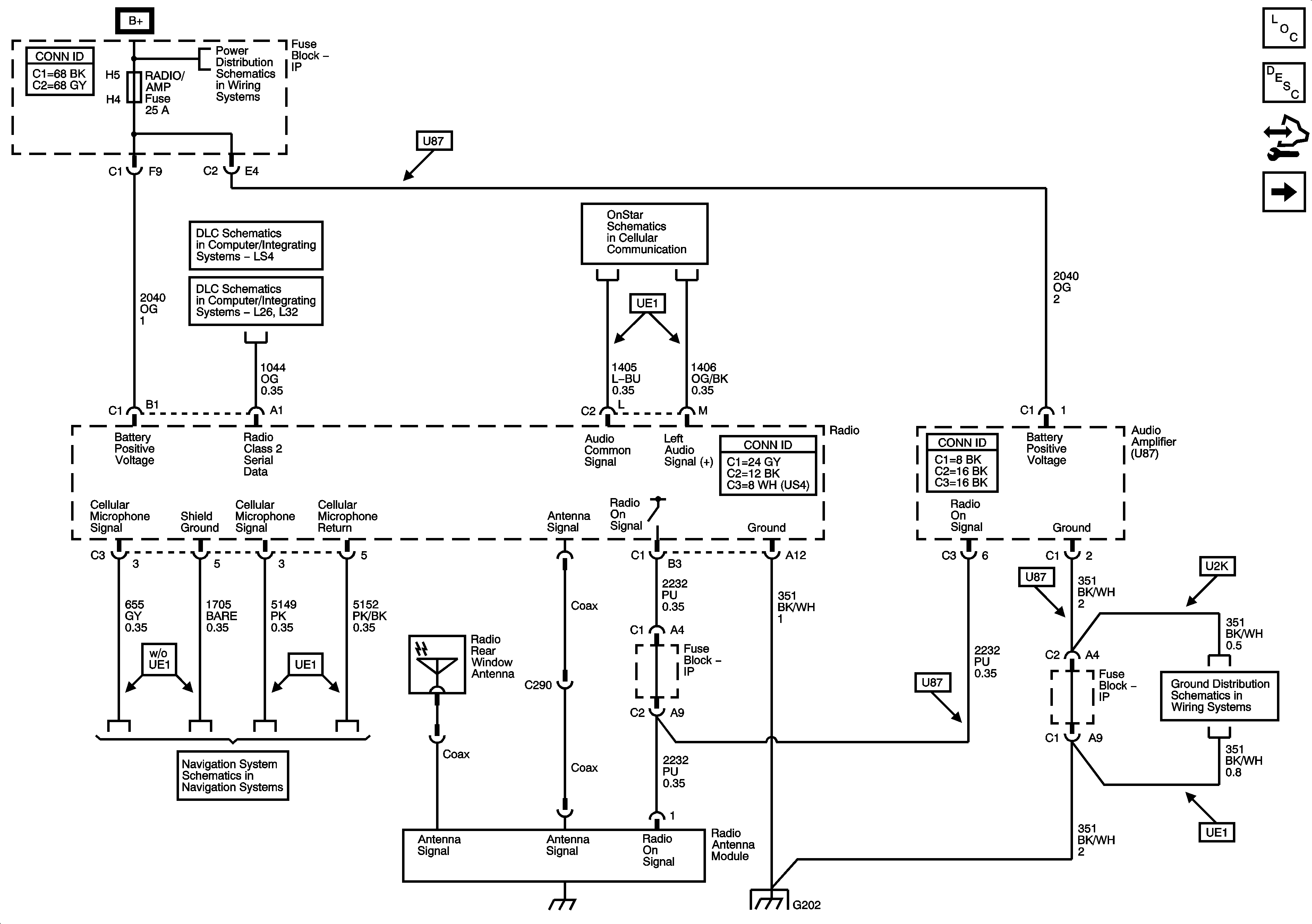
Radio/Audio System Description and Operation
Control Module References
Radio to Speakers (UW6)
BATT MAIN 1, PK LAMPS, DISPLAS, CHMSL/BKUP, INT LIGHT, RFA MOD, RADIO/AMP, ONSTAR/ALDL, HVAC, CANISTER Fuses AND PKLP RELAY
L26/L32
LS4
OnStar Schematics
Navigation System Schematics
G202
G202