GM Service Manual Online
For 1990-2009 cars only

BATT MAIN 1, PK LAMPS, DISPLAS, CHMSL/BKUP, INT LIGHT, RFA MOD, RADIO/AMP, ONSTAR/ALDL, HVAC, CANISTERFuses AND PKLP RELAY

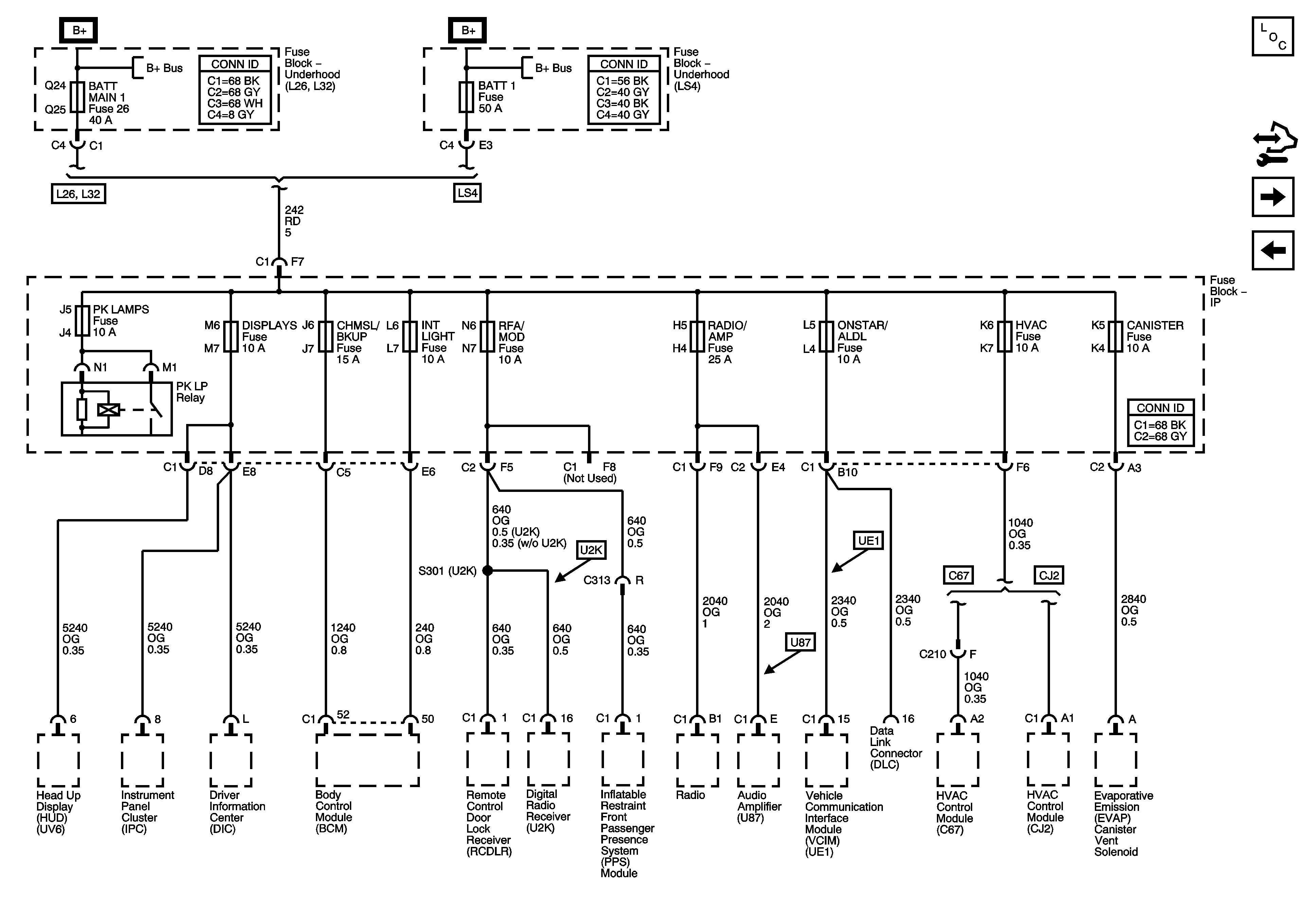
BATT MAIN 1, BATT 1, PK LAMPS, DISPLAYS, CHMSL/BKUP, INT LIGHT, RFA/MOD, RADIO/AMP, ONSTAR/ALDL, HVAC, CANISTER Fuses, and PK LP Relay


Object Number: 1647600  Size: FS
Master Electrical Component List
Control Module References
BATT MAIN 2, HDT SEAT, PWR MIRS, TURN/HAZ, DR LK/TRUN, SUNROOF Fuses, PWR SEAT, PWR WDO Circuit Breakers, and RAP Relay
Ignition Switch
Fuse Block Underhood Bussing
Fuse Block - Underhood Bussing